Circuito Primo Ordine
Salve a tutti,
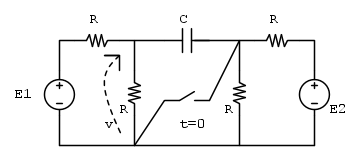
circa il circuito in allegato vorrei sapere come procedere.
Bisogna calcolare la tensione
ai capi della resistenza
.
Tenendo presente che il circuito è questo:
.. e che per
l'interruttore si chiude, quindi per
l'interruttore è aperto ed il condensatore si comporta come un circuito aperto, il circuito diventa:
.. mi domando se è lecito calcolare la tensione
prendendo in considerazione solo la parte di destra.
Anche quando l'interruttore è chiuso (per calcolare
) non saprei come fare.
Grazie!
circa il circuito in allegato vorrei sapere come procedere.
Bisogna calcolare la tensione
ai capi della resistenza
.Tenendo presente che il circuito è questo:
.. e che per
l'interruttore si chiude, quindi per
l'interruttore è aperto ed il condensatore si comporta come un circuito aperto, il circuito diventa:.. mi domando se è lecito calcolare la tensione
prendendo in considerazione solo la parte di destra.Anche quando l'interruttore è chiuso (per calcolare
) non saprei come fare.Grazie!







