Doppio Bipolo in regime sinusoidale
Buongiorno ragazzi e buona domenica! Avrei bisogno di una spintarella su questo esercizio, su cui mi sono incartato.
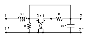
La rete è la seguente. Sto provando a risolvere per definizione, questa volta cambiando metodo sistematico: i potenziali nodali. Devo trovare la matrice della ammettenze.
Ho fatto diventare la rete nel modo seguente:
Tutti i collegamenti in rosso sono a potenziale zero. Dovrebbero esserci due soli nodi "utili". A questo punto ho scritto il seguente sistema:

dove ovviamente
e
sono le correnti alle porte del trasformatore. Dalla prima ho ricavato subito:

Mi sono un po' incartato con la
per trovare la corrente alla porta 2 
In questo caso come dovrei impostare la LKC?
La rete è la seguente. Sto provando a risolvere per definizione, questa volta cambiando metodo sistematico: i potenziali nodali. Devo trovare la matrice della ammettenze.
Ho fatto diventare la rete nel modo seguente:
Tutti i collegamenti in rosso sono a potenziale zero. Dovrebbero esserci due soli nodi "utili". A questo punto ho scritto il seguente sistema:

dove ovviamente
e
sono le correnti alle porte del trasformatore. Dalla prima ho ricavato subito:
Mi sono un po' incartato con la
per trovare la corrente alla porta 2 In questo caso come dovrei impostare la LKC?





.
sarà immediata, ... e inoltre impongo anche la tensione alla porta sinistra del trasformatore ideale ... e quindi alla porta destra avrò
... e da questa, entrambe le correnti associate al trasformatore ... e quindi, con una KCL, anche la
.
.