regime sinusoidale
Buonasera ragazzi devo risolvere un problema con il metodo delle correnti di maglia http://www.scribd.com/doc/51404788/51/E ... n%C2%B06-4 l' esercizio è il 6.3 a pag 153 di questo indirizzo
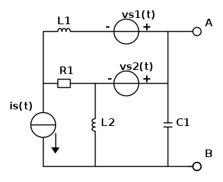
la mia prima domanda è...se scrivo i rispettivi fasori associati alla corrente e alle tensioni dei generatori considerando come modulo le ampiezze invece dei valori efficaci avro' fasori associati alle correnti di maglia il cui modulo rappresentano l' ampiezza di quelle correnti?...e poi vorrei sapere se ho impostato bene questo calcolo...considerando l' albero R1-Vs2-L2....le correnti I1 I2 e I3 sono quelle di maglia. (ho svolto tutti i calcoli ma non si trova)
(Z3+Z4)*I2- Z3*I1=-Vs2 ; (Z1+Z2)*I3 + Z2*I2= - Vs2+Vs1 ; I1= is
Grazie a tutti anticipatamente
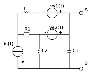
la mia prima domanda è...se scrivo i rispettivi fasori associati alla corrente e alle tensioni dei generatori considerando come modulo le ampiezze invece dei valori efficaci avro' fasori associati alle correnti di maglia il cui modulo rappresentano l' ampiezza di quelle correnti?...e poi vorrei sapere se ho impostato bene questo calcolo...considerando l' albero R1-Vs2-L2....le correnti I1 I2 e I3 sono quelle di maglia. (ho svolto tutti i calcoli ma non si trova)
(Z3+Z4)*I2- Z3*I1=-Vs2 ; (Z1+Z2)*I3 + Z2*I2= - Vs2+Vs1 ; I1= is
Grazie a tutti anticipatamente








.