Tensione ai capi di un bipolo
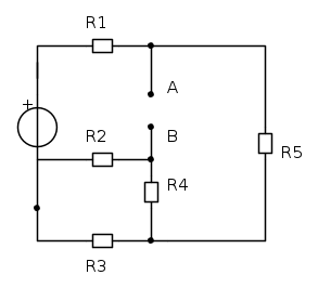
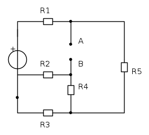
Salve, allego questo circuito (il disegno è arronzato, lo so). Potreste dirmi la tensione V come si calcola? ho questo dubbio. Io direi che potrebbe essere uguale alla tensione del bipolo 5, quindi farei un partitore di tensione tra il bipolo 5 ed il bipolo 1, ma non ne sono convinta.
Attendo chiarimenti, grazie mille in anticipo!
Attendo chiarimenti, grazie mille in anticipo!

