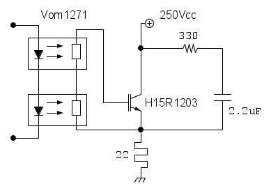
Sto utilizzando questo circuito come comando e regolazione del riscaldamento per un veicolo elettrico.
Il comando degli opto è un segnale PWM a frequenza inferiore a 20 Hz.
Il transistor IGBT regge bene il carico ma scalda abbastanza.
Visto la grande disponibilita di mosfert IRFP250 vorrei provare col seguente circuito.
Cosa ve ne pare?
Qualche suggerimento?
Ciao
Interruttore PWM con mosfet o igbt
Moderatori:
carloc,
g.schgor,
BrunoValente,
IsidoroKZ
2
voti
A parte il problema della ripartizione della tensione ai capi dei due mosfet durante il funzionamento, non vedo vantaggi ad usare due mosfet IRFP250 in serie al posto dell'igbt 15N120R3. L'IGBT in questione ha una Vcesat molto bassa intorno a 1,48 V, il mosfet IRFP250 ha una Rds_on di circa 0,085 ohm quindi la Rds_on totale di circa 0,17 ohm. Avendo il carico un valore resistivo di 22 ohm, la corrente che scorre in esso quando lo si collega a un generatore di tensione pari a 250 V è di 11,36 A. La caduta di tensione ai capi dei due mosfet e di circa 1,93 V contro i circa 1,48 V ai capi dell'IGBT. La coppia dei due mosfet dissipa circa 21,9 W mentre l'IGBT dissipa circa 16,81 W, ho trascurato le perdite per commutazione perché si lavora a 20 Hz.
La potenza totale dissipata dai due mosfet insieme è circa il 30 % superiore a quella dell'IGBT. Singolarmente ogni mosfet dissipa ovviamente di meno rispetto all'igbt.
Il discorso si sposta poi sul dissipatore e come i componenti sono posizionati su di esso questo, per poter capire se i componenti lavorano in sicurezza. Dal punto di vista energetico i mosfet sprecano un 30 % di energia in più rispetto all'IGBT che potrebbe non essere un problema.
La potenza totale dissipata dai due mosfet insieme è circa il 30 % superiore a quella dell'IGBT. Singolarmente ogni mosfet dissipa ovviamente di meno rispetto all'igbt.
Il discorso si sposta poi sul dissipatore e come i componenti sono posizionati su di esso questo, per poter capire se i componenti lavorano in sicurezza. Dal punto di vista energetico i mosfet sprecano un 30 % di energia in più rispetto all'IGBT che potrebbe non essere un problema.
-

stefanodelfiore
1.673 3 8 - Master

- Messaggi: 569
- Iscritto il: 28 mar 2009, 20:15
- Località: Bologna
3
voti
Io invece mi chiedo perche' usare un IRFP250, quando ormai esistono componenti con prestazioni molto migliori ... ad esempio (ma c'e' anche di meglio), TK100L60W, tanto per dirne uno 
600V di portata limite, e con 15 milliohm a 15A (abbondiamo, che non si sa mai, e poi a freddo le resistenze a filo hanno valori piu bassi che da calde), fanno 225mV di caduta, che sarebbero 3.37W (ma questo a 15A, con gli 11.36 ipotizzati farebbero circa 170mV di caduta, per una dissipazione di poco meno di 2W
600V di portata limite, e con 15 milliohm a 15A (abbondiamo, che non si sa mai, e poi a freddo le resistenze a filo hanno valori piu bassi che da calde), fanno 225mV di caduta, che sarebbero 3.37W (ma questo a 15A, con gli 11.36 ipotizzati farebbero circa 170mV di caduta, per una dissipazione di poco meno di 2W
"Sopravvivere" e' attualmente l'unico lusso che la maggior parte dei Cittadini italiani,
sia pure a costo di enormi sacrifici, riesce ancora a permettersi.
sia pure a costo di enormi sacrifici, riesce ancora a permettersi.
-

Etemenanki
9.527 3 6 10 - Master

- Messaggi: 5957
- Iscritto il: 2 apr 2021, 23:42
- Località: Dalle parti di un grande lago ... :)
1
voti
Dovendo scaldare l'ambiente, una maggior dissipazione contribuisce a scaldare, quindi non è una vera perdita.
Ciao
Mario
Ciao
Mario
Mario Maggi
https://www.evlist.it per la mobilità elettrica e filiera relativa
https://www.axu.it , inverter speciali, convertitori DC/DC, soluzioni originali per la qualità dell'energia
Innovazioni: https://www.axu.it/mm4
https://www.evlist.it per la mobilità elettrica e filiera relativa
https://www.axu.it , inverter speciali, convertitori DC/DC, soluzioni originali per la qualità dell'energia
Innovazioni: https://www.axu.it/mm4
-

mario_maggi
20,0k 3 11 12 - G.Master EY

- Messaggi: 4181
- Iscritto il: 21 dic 2006, 9:59
- Località: Milano
1
voti
mario_maggi ha scritto:Dovendo scaldare l'ambiente, una maggior dissipazione contribuisce a scaldare, quindi non è una vera perdita.
Ciao
Mario
Dipende da dove è posizionato il dissipatore
-

stefanodelfiore
1.673 3 8 - Master

- Messaggi: 569
- Iscritto il: 28 mar 2009, 20:15
- Località: Bologna
0
voti
Il dissipatore con Igbt è localizzato nella zona posteriore dove sono sistemati inverter trazione, inverter servizi 250-> 13.8V e carica batteria principale .
La resistenza invece è collocata nel circuito di ventilazione al posto del classico radiatore del riscaldamento.
Per quanto funzionante da qualche anno non potendo aumentare il dissipatore vorrei abbassare la potenza dissipata.
Tramite sw il massimo duty cicle è limitato al 50% per prevenire problematiche di surriscaldamento.
Mi sono decisamente convinto che il doppio mosfet sia una scelta pessima.
Mi servirebbe un mosfet con bassa RdsOn e almeno 400V di Vds ma non vorrei spendere troppo.
Siccome sarei propenso al riutilizzo di componenti usati proverò a cercare in qualche alimentatore di potenza o inverter trifase destinati al macero.
Grazie a tutti per i consigli.
Appena trovo qualcosa di interessante vi aggiorno.
Ciao
La resistenza invece è collocata nel circuito di ventilazione al posto del classico radiatore del riscaldamento.
Per quanto funzionante da qualche anno non potendo aumentare il dissipatore vorrei abbassare la potenza dissipata.
Tramite sw il massimo duty cicle è limitato al 50% per prevenire problematiche di surriscaldamento.
Mi sono decisamente convinto che il doppio mosfet sia una scelta pessima.
Mi servirebbe un mosfet con bassa RdsOn e almeno 400V di Vds ma non vorrei spendere troppo.
Siccome sarei propenso al riutilizzo di componenti usati proverò a cercare in qualche alimentatore di potenza o inverter trifase destinati al macero.
Grazie a tutti per i consigli.
Appena trovo qualcosa di interessante vi aggiorno.
Ciao
600 Elettra
0
voti
Ho scovato dei magnifici 28N60M2 che sembrano abbastanza adatti al mio scopo.
Vgs e Qg non troppo alta con 20A & 650V
A 12 A la RdsOn si dovrebbe aggirare attorno ai 135mOhm e quindi la dissipazione massima potrebbe essere 19.5W.
Potrebbe essere il caso di metterne due in parallelo per dimezzare le perdite e suddividere ulteriormente il calore generato su due transistor invece che su uno solo?
In questa configurazione ogni transistor dissiperebbe meno di 5W nella peggiore delle ipotesi.
Ciao
Vgs e Qg non troppo alta con 20A & 650V
A 12 A la RdsOn si dovrebbe aggirare attorno ai 135mOhm e quindi la dissipazione massima potrebbe essere 19.5W.
Potrebbe essere il caso di metterne due in parallelo per dimezzare le perdite e suddividere ulteriormente il calore generato su due transistor invece che su uno solo?
In questa configurazione ogni transistor dissiperebbe meno di 5W nella peggiore delle ipotesi.
Ciao
600 Elettra
0
voti
650V 22A massimi, a 150milliohm con 12A avresti 1.8Vdi caduta, che farebbero 21.6W, meglio usarne due in parallelo se li hai, in quel modo la potenza dissipata da ognuno diventa 5.4W.
Inoltre se usi due VOM, ti consiglio di non mettere in serie le uscite, ma in parallelo, se li piloti con 25mA sui led, hai circa 40uA all'uscita a 7.5V circa, sufficenti (secondo il datasheet) per portare in piena conduzione quei mosfet, mentre parallelandoli raddoppi la corrente riducendo anche il tempo di turn-on (o nel caso di due in parallelo, compensandolo)
Inoltre se usi due VOM, ti consiglio di non mettere in serie le uscite, ma in parallelo, se li piloti con 25mA sui led, hai circa 40uA all'uscita a 7.5V circa, sufficenti (secondo il datasheet) per portare in piena conduzione quei mosfet, mentre parallelandoli raddoppi la corrente riducendo anche il tempo di turn-on (o nel caso di due in parallelo, compensandolo)
"Sopravvivere" e' attualmente l'unico lusso che la maggior parte dei Cittadini italiani,
sia pure a costo di enormi sacrifici, riesce ancora a permettersi.
sia pure a costo di enormi sacrifici, riesce ancora a permettersi.
-

Etemenanki
9.527 3 6 10 - Master

- Messaggi: 5957
- Iscritto il: 2 apr 2021, 23:42
- Località: Dalle parti di un grande lago ... :)
0
voti
Devi tenere conto che quando il MOS scalda, la sua resistenza Rdson aumenta anche di parecchio. A 75 °C di temperatura di giunzione potresti avere anche 220 mΩ di resistenza.
Si possono mettere MOS in parallelo, anche se non e` sempre indolore. Devi mettere due resistenze di gate distinte, almeno da 100Ω, e tenere corti i collegamenti fra i due MOS.
Si possono mettere MOS in parallelo, anche se non e` sempre indolore. Devi mettere due resistenze di gate distinte, almeno da 100Ω, e tenere corti i collegamenti fra i due MOS.
Per usare proficuamente un simulatore, bisogna sapere molta più elettronica di lui
Plug it in - it works better!
Il 555 sta all'elettronica come Arduino all'informatica! (entrambi loro malgrado)
Se volete risposte rispondete a tutte le mie domande
Plug it in - it works better!
Il 555 sta all'elettronica come Arduino all'informatica! (entrambi loro malgrado)
Se volete risposte rispondete a tutte le mie domande
Chi c’è in linea
Visitano il forum: Nessuno e 56 ospiti

Elettrotecnica e non solo (admin)
Un gatto tra gli elettroni (IsidoroKZ)
Esperienza e simulazioni (g.schgor)
Moleskine di un idraulico (RenzoDF)
Il Blog di ElectroYou (webmaster)
Idee microcontrollate (TardoFreak)
PICcoli grandi PICMicro (Paolino)
Il blog elettrico di carloc (carloc)
DirtEYblooog (dirtydeeds)
Di tutto... un po' (jordan20)
AK47 (lillo)
Esperienze elettroniche (marco438)
Telecomunicazioni musicali (clavicordo)
Automazione ed Elettronica (gustavo)
Direttive per la sicurezza (ErnestoCappelletti)
EYnfo dall'Alaska (mir)
Apriamo il quadro! (attilio)
H7-25 (asdf)
Passione Elettrica (massimob)
Elettroni a spasso (guidob)
Bloguerra (guerra)




