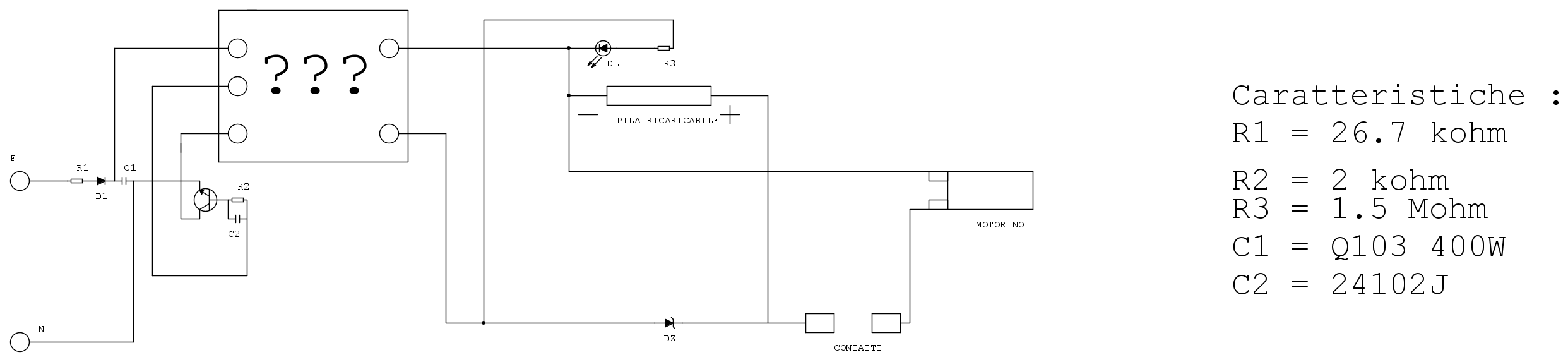
Salve a tutti, ho un rasoio elettrico per peli che non funziona e inoltre se è possibile vorrei capirne lo schema. Ho estrapolato quest'ultimo dal suo circuito originale e l'ho disegnato con fidocadj. Spero che voi maestri possiate aiutarmi!
Allora i contatti striscianti sono quelli nella prima foto. Praticamente si abbassano e si alzano facendo contatto sulle piazzole cerchiate in rosso. C'è un componente quello cerchiato in verde, che non capisco cosa sia, inoltre non so come decifrare i Farad dei condensatori, quindi vi riporto la dicitura sopra essi. Grazie a tutti in anticipo!
Capire schema di un semplice rasoio elettrico?
Moderatori:
carloc,
g.schgor,
BrunoValente,
IsidoroKZ
14 messaggi
• Pagina 1 di 2 • 1, 2
3
voti
Il componente cerchiato in verde è un trasformatore di piccole dimensioni non adatto a lavorare alla frequenza di rete (50Hz)
Il transistor, insieme alla rete RLC (costituita da R2, C2 e l'avvolgimento primario) costituisce un oscillatore che oscilla intorno ai 2kHz e alimenta il trasformatore
la tensione d'uscita del trasformatore, che dovrebbe essere intorno ai 2 volt, alimenta il led, poi viene raddrizzata e carica la pila NiMH. La pila alimenta il motorino.
DZ sei sicuro che sia un diodo zener?
Detto questo, si tratta di un oggetto di qualità veramente infima che spero tu non abbia pagato più di 4~5€,che già sono troppi.
Quei condensatori non mi sembrano del tipo certificato per uso a tensione di rete
La resistenza R1 sembra una resistenza a strato di carbonio da 0,25W,che di solito hanno una tensione massima di 250V,veramente al limite
Il transistor è in contenitore TO92, alimentato a 300V e quando la pila è scarica si trova a dover dissipare 100~150mW che per un to92 sono tanti, probabilmente è il componente che si è guastato
Non c'è nessun fusibile!
Per quanto anche a me dispiaccia buttare via la roba, anche per motivi di smaltimento dei rifiuti inquinanti, ripararlo è pericoloso e economicamente non conveniente
Portalo all'ecocentro
Il transistor, insieme alla rete RLC (costituita da R2, C2 e l'avvolgimento primario) costituisce un oscillatore che oscilla intorno ai 2kHz e alimenta il trasformatore
la tensione d'uscita del trasformatore, che dovrebbe essere intorno ai 2 volt, alimenta il led, poi viene raddrizzata e carica la pila NiMH. La pila alimenta il motorino.
DZ sei sicuro che sia un diodo zener?
Detto questo, si tratta di un oggetto di qualità veramente infima che spero tu non abbia pagato più di 4~5€,che già sono troppi.
Quei condensatori non mi sembrano del tipo certificato per uso a tensione di rete
La resistenza R1 sembra una resistenza a strato di carbonio da 0,25W,che di solito hanno una tensione massima di 250V,veramente al limite
Il transistor è in contenitore TO92, alimentato a 300V e quando la pila è scarica si trova a dover dissipare 100~150mW che per un to92 sono tanti, probabilmente è il componente che si è guastato
Non c'è nessun fusibile!
Per quanto anche a me dispiaccia buttare via la roba, anche per motivi di smaltimento dei rifiuti inquinanti, ripararlo è pericoloso e economicamente non conveniente
Portalo all'ecocentro
-

SediciAmpere
4.187 5 5 8 - Master

- Messaggi: 4849
- Iscritto il: 31 ott 2013, 15:00
0
voti
ok Grazie del consiglio Sedici, farò sicuramente come mi hai detto. Per quanto riguarda lo schema è stato disegnato bene? E quel trasformatore schematicamente come potrei disegnarlo?
In foto quello che secondo me è un diodo zener
In foto quello che secondo me è un diodo zener
0
voti
Omi ha scritto:......Per quanto riguarda lo schema è stato disegnato bene? E quel trasformatore schematicamente come potrei disegnarlo? ....
Un saluto a @SediciAmpere,
non è paragonabile al caricabatterie della Philips Il trasformatore lo disegni semplicemente come tutti i trasformatori, con primario e secondario con piùo meno prese, devi descrivere che tipo di trasformatore è, niente di strano.
Alex
https://www.facebook.com/Elettronicaeelettrotecnica
<< vedi di pigliare arditamente in mano, il dizionario che ti suona in bocca,
se non altro è schietto e paesano.
(Giuseppe Giusti) <<
https://www.facebook.com/Elettronicaeelettrotecnica
<< vedi di pigliare arditamente in mano, il dizionario che ti suona in bocca,
se non altro è schietto e paesano.
(Giuseppe Giusti) <<
0
voti
setteali ha scritto:Omi ha scritto:......Per quanto riguarda lo schema è stato disegnato bene? E quel trasformatore schematicamente come potrei disegnarlo? ....
Un saluto a @SediciAmpere,non è paragonabile al caricabatterie della Philips
![]()
Il trasformatore lo disegni semplicemente come tutti i trasformatori, con primario e secondario con piùo meno prese, devi descrivere che tipo di trasformatore è, niente di strano.
Buonasera maestro sette
Il fatto è che a sinistra ha 3 terminali, un terminale lo faccio al centro del trasformatore?
0
voti
Dovresti misurare la resistenza e vedere se un ramo è più lungo dell'alatro, ma su quel trasformatore credo sia un po' difficile, sono poche le spire.
Lo disegni con due rami uguali.
Facci vedere
disponi i componenti in modo da renderlo più semplice, va bene anche così, ma se guardi lo schema ci sono dei fili che vano avanti e tornano indietro

Lo disegni con due rami uguali.
Facci vedere

Alex
https://www.facebook.com/Elettronicaeelettrotecnica
<< vedi di pigliare arditamente in mano, il dizionario che ti suona in bocca,
se non altro è schietto e paesano.
(Giuseppe Giusti) <<
https://www.facebook.com/Elettronicaeelettrotecnica
<< vedi di pigliare arditamente in mano, il dizionario che ti suona in bocca,
se non altro è schietto e paesano.
(Giuseppe Giusti) <<
0
voti
Ciao Alex !!!!
Omi, se lo schema è disegnato correttamente tornerebbe che quello sia il raddrizzatore dei 2V per caricare la pila
Omi, se lo schema è disegnato correttamente tornerebbe che quello sia il raddrizzatore dei 2V per caricare la pila
-

SediciAmpere
4.187 5 5 8 - Master

- Messaggi: 4849
- Iscritto il: 31 ott 2013, 15:00
1
voti
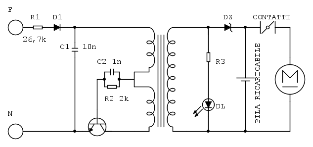
Ho ridisegnato lo schema meno intricato e usando i simboli del trasformatore, del motore e della pila

-

SediciAmpere
4.187 5 5 8 - Master

- Messaggi: 4849
- Iscritto il: 31 ott 2013, 15:00
0
voti
Grazie mille a tutti. Sedici mi sono accorto che la resistenza R1 diventa bollente e dopo qualche secondo inizia a fumare. Però col tester continua ad essere misurabile è normale? Inoltre anche in caso di resistenza guasta mi sconsigli di ripararlo?
14 messaggi
• Pagina 1 di 2 • 1, 2
Chi c’è in linea
Visitano il forum: Nessuno e 49 ospiti

Elettrotecnica e non solo (admin)
Un gatto tra gli elettroni (IsidoroKZ)
Esperienza e simulazioni (g.schgor)
Moleskine di un idraulico (RenzoDF)
Il Blog di ElectroYou (webmaster)
Idee microcontrollate (TardoFreak)
PICcoli grandi PICMicro (Paolino)
Il blog elettrico di carloc (carloc)
DirtEYblooog (dirtydeeds)
Di tutto... un po' (jordan20)
AK47 (lillo)
Esperienze elettroniche (marco438)
Telecomunicazioni musicali (clavicordo)
Automazione ed Elettronica (gustavo)
Direttive per la sicurezza (ErnestoCappelletti)
EYnfo dall'Alaska (mir)
Apriamo il quadro! (attilio)
H7-25 (asdf)
Passione Elettrica (massimob)
Elettroni a spasso (guidob)
Bloguerra (guerra)



