Cos'è ElectroYou | Login Iscriviti

ElectroYou - la comunità dei professionisti del mondo elettrico

schema finale audio

Elettronica lineare e digitale: didattica ed applicazioni

Moderatori: Foto Utentecarloc, Foto Utenteg.schgor, Foto UtenteBrunoValente, Foto UtenteIsidoroKZ

0
voti

[111] Re: schema finale audio

Messaggioda Foto Utentevenexian » 22 lug 2018, 14:27

BrunoValente ha scritto:Sarà come dici ma il mio pensiero va agli oscillatori fatti con un transistor dove spesso, soprattutto in alta frequenza, il transistor lavora addirittura in classe C e si continua a parlare di reazione positiva.

Certo che c'è. Per tutto il periodo nel quale il transistor è in zona attiva, puoi applicare l'analisi classica della retroazione.

Non puoi farlo nella parte di periodo quando il transistor è spento (cosa ovvia), e neppure nella fase di transizione non lineare.
Immagine
Avatar utente
Foto Utentevenexian
6.369 3 4 7
Master
Master
 
Messaggi: 2188
Iscritto il: 13 mag 2017, 10:07
Località: Venezia (ma va?)

0
voti

[112] Re: schema finale audio

Messaggioda Foto Utenteelfo » 22 lug 2018, 14:32

venexian ha scritto:Spiegami un po' elfo, adesso stai cavalcando il fatto che la reazione positiva c'è soltanto con Q3 spento?

E tutta la menata del pompaggio dovuto alla reazione positiva quando i finali chiedono di più dov'è andata? Non c'è più, adesso che è stato dimostrato essere solo fuffa?

1) Vorrei cominciare la partita di golf (e non stare a fare magie)

2)
venexian ha scritto:Chi segue questo thread non ha bisogno di dettagli

Appunto!

La descrizione del "pompaggio" e' corretta fino a dimostrazione contraria (che Q3 dovesse essere spento rientra nella 2)
Avatar utente
Foto Utenteelfo
6.819 4 5 7
G.Master EY
G.Master EY
 
Messaggi: 2828
Iscritto il: 15 lug 2016, 13:27

0
voti

[113] Re: schema finale audio

Messaggioda Foto Utentevenexian » 22 lug 2018, 14:36

Ecco che, come previsto, adesso che ci sono i risultati numerici, finisce tutto in vacca.
Immagine
Avatar utente
Foto Utentevenexian
6.369 3 4 7
Master
Master
 
Messaggi: 2188
Iscritto il: 13 mag 2017, 10:07
Località: Venezia (ma va?)

5
voti

[114] Re: schema finale audio

Messaggioda Foto UtenteBrunoValente » 22 lug 2018, 17:28

Proviamo ad affrontare la cosa diversamente.

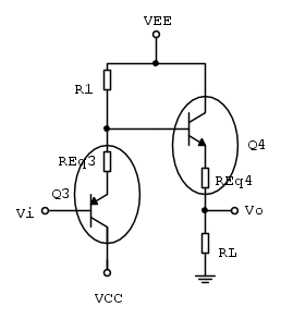
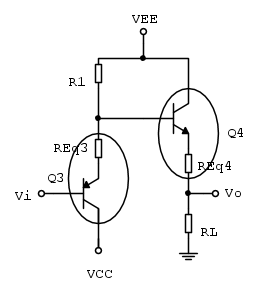
Quello che segue è lo schema classico, cioè privato dello specchio, dove però ho messo in evidenza la resistenza che si vede guardando dentro all'emettitore di Q3 e Q4.



REq4 rende conto della variazione che subirebbe la tensione di uscita a fronte di una variazione della corrente richiesta dal carico.

In realtà anche REq3 contribuirebbe a quella variazione ma in misura molto minore perché la corrente in REq3 è piccola rispetto a quella nel carico e perciò per i nostri scopi possiamo non tenerne conto.

Possiamo quindi dire che l'impedenza di uscita del circuito corrisponde a circa REq4.

Significa che un aumento della corrente del carico, provocherebbe un aumento della tensione ai capi di REq4 e quindi un abbassamento della tensione di uscita della stessa entità (il potenziale dell'emettitore di Q4 resterebbe fisso)

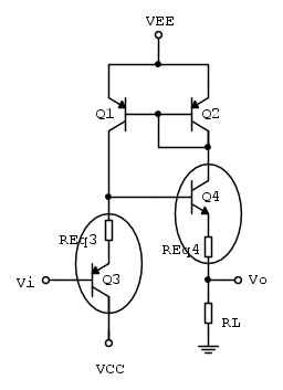
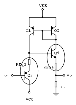
Aggiungiamo ora lo specchio e osserviamo di nuovo cosa succede se la corrente del carico varia.



Ora, a causa dello specchio, REq3 e REq4 sono percorse da correnti di uguale valore, quindi un incremento della corrente del carico provocherebbe su REq4 lo stesso incremento di tensione osservato nel caso precedente ma ora un incremento di uguale valore si avrebbe anche su REq3.

L'incremento di tensione su REq3, se il potenziale dell'emettitore di Q3 non varia, lo si ritrova tutto nel potenziale della base di Q4 e di conseguenza anche in quello dell'emettitore di Q4 che quindi ora, a differenza di prima, non resta invariato ma si sposta della stessa entità e in direzione opposta rispetto a quello di uscita del caso precedente.

Il risultato ora è che un incremento della corrente del carico non provoca più un abbassamento della tensione di uscita, di conseguenza l'impedenza di uscita del circuito si è ridotta/annullata rispetto a prima.

Questa riduzione/annullamento dell'impedenza di uscita, nonostante la presenza di REq4 in serie, non può che essere giustificata dalla presenza di una reazione positiva o sbaglio?
Avatar utente
Foto UtenteBrunoValente
39,6k 7 11 13
G.Master EY
G.Master EY
 
Messaggi: 7796
Iscritto il: 8 mag 2007, 14:48

0
voti

[115] Re: schema finale audio

Messaggioda Foto Utentevenexian » 22 lug 2018, 17:49

Sbagli. E' la reazione negativa che abbassa l'impedenza di uscita, non quella positiva.

Bella analisi.

Mi viene però agli occhi una cosa: se Q3 e Q4 sono percorsi dalla stessa corrente, in base a Q3 serve la stessa corrente che serve in base a Q4 e questo ammazza l'amplificazione di corrente del circuito, rendendola pari a quella di Q4.

Bella inutile ciofeca.
Immagine
Avatar utente
Foto Utentevenexian
6.369 3 4 7
Master
Master
 
Messaggi: 2188
Iscritto il: 13 mag 2017, 10:07
Località: Venezia (ma va?)

2
voti

[116] Re: schema finale audio

Messaggioda Foto UtenteBrunoValente » 22 lug 2018, 18:15

venexian ha scritto:Sbagli. E' la reazione negativa che abbassa l'impedenza di uscita, non quella positiva.

Non sempre, la resistenza di uscita si può anche ridurre aggiungendone una negativa in serie e quella negativa si fa con una reazione positiva come in questo caso.
Avatar utente
Foto UtenteBrunoValente
39,6k 7 11 13
G.Master EY
G.Master EY
 
Messaggi: 7796
Iscritto il: 8 mag 2007, 14:48

4
voti

[117] Re: schema finale audio

Messaggioda Foto UtenteIsidoroKZ » 22 lug 2018, 18:36

venexian ha scritto:Caspita, adesso mi hai proprio convinto!


Non era mia intenzione convincerti. Non hai ben chiaro che cosa sia la retroazione, ne conosci dei pezzi e ritieni che questi siano tutta la retroazione. Per questa ragione, aggiunta alla tua propensione polemica, non sei disposto ad ammettere che potresti imparare cose nuove. Vedi ad esempio l'uso del condizionale qui:

venexian ha scritto:quale sarebbe la funzione di una reazione che non modifica la funzione di trasferimento?


La mia risposta era solo per segnalare agli altri utenti di non darti troppo retta, non hai le conoscenze sufficienti sulla retroazione per addentrarti in questi circuiti che hanno subito tante evoluzioni verso la sofisticazione (non sempre utile).
Per usare proficuamente un simulatore, bisogna sapere molta più elettronica di lui
Plug it in - it works better!
Il 555 sta all'elettronica come Arduino all'informatica! (entrambi loro malgrado)
Se volete risposte rispondete a tutte le mie domande
Avatar utente
Foto UtenteIsidoroKZ
121,2k 1 3 8
G.Master EY
G.Master EY
 
Messaggi: 21059
Iscritto il: 17 ott 2009, 0:00

0
voti

[118] Re: schema finale audio

Messaggioda Foto Utentevenexian » 22 lug 2018, 18:42

Ti ringrazio del giudizio.

Perché allora tu, che invece conosci tutto e bene, non spieghi a me e agli altri dov'è questa reazione positiva? Così questi poveri traviati, invece di dar malamente retta a me, potrebbero dare giustamente retta a te.
Immagine
Avatar utente
Foto Utentevenexian
6.369 3 4 7
Master
Master
 
Messaggi: 2188
Iscritto il: 13 mag 2017, 10:07
Località: Venezia (ma va?)

1
voti

[119] Re: schema finale audio

Messaggioda Foto UtenteIsidoroKZ » 22 lug 2018, 18:44

Ora proprio non ho tempo. Dalla settimana prossima forse avro` piu` tempo. In ogni caso parlare di elettronica con gli audiofili e` sempre da complicato a impossibile :)
Per usare proficuamente un simulatore, bisogna sapere molta più elettronica di lui
Plug it in - it works better!
Il 555 sta all'elettronica come Arduino all'informatica! (entrambi loro malgrado)
Se volete risposte rispondete a tutte le mie domande
Avatar utente
Foto UtenteIsidoroKZ
121,2k 1 3 8
G.Master EY
G.Master EY
 
Messaggi: 21059
Iscritto il: 17 ott 2009, 0:00

0
voti

[120] Re: schema finale audio

Messaggioda Foto Utentevenexian » 22 lug 2018, 18:48

Tempo mannaro...

Bene, smetto di traviare chi mi ha letto su queste pagine e aspetto che tu possa trovare il tempo per illustrarci la verità.
Immagine
Avatar utente
Foto Utentevenexian
6.369 3 4 7
Master
Master
 
Messaggi: 2188
Iscritto il: 13 mag 2017, 10:07
Località: Venezia (ma va?)

Precedente

Torna a Elettronica generale

Chi c’è in linea

Visitano il forum: Nessuno e 203 ospiti