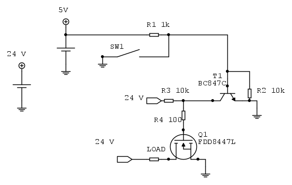
Salve ragazzi, agganciandomi ad un altro mio topic dove mi avete aiutato alla grande, volevo chiedere se nello schema di cui sotto vi sono delle accortezza da tenere in considerazione.
Nel circuito ho realizzato (o penso di aver realizzato) un NOT GATE per mandare (pienamente) in conduzione Q1 alla pressione di SW1.
Questo circuito l'ho simulato in LTspice e funziona esattamente come mi aspetto, ma volendo raggiungere un grado di conoscenza accettabile per il DiY volevo interpellare chi queste cose le mastica tutti i giorni.
Ad esempio, nel caso specifico, è necessaria la pulldown tra G e S di Q1? Se si, perché? Non basta che T1 tenga a GND il G di Q1 quando SW1 è aperto?
2) sul C di T1 potrebbe essere utile un condensatore ceramico (100nf) per ridurre eventuali fluttuazioni/disturbi della 24 V (proveniente da un Meanwell di tipo switching)?
Per quanto riguarda la prima domanda in fase simulazione non ho notato differenze significative sul risultato.
Per quanto riguarda la seconda domanda non sono capace di simulare rumore ad alta frequenza su LTspice sulla 24 V, quindi non ne posso nemmeno immaginare gli effetti che ha su tutto il circuito.
Chiedo di rispondere con occhio critico allo schematico postato, anche perché in confronto a molti di voi mi sento come una formica rispetto ad Alpha Centauri. Sono del parere che l'obbiettivo si raggiunge solo se si ha voglia di capire le cose, e a volte le cose si espongono nude e crude per come sono (ad es.: questo schema fa cxxgxxre...) Grazie.
Pilotaggio transistor e mosfet
Moderatori:
carloc,
g.schgor,
BrunoValente,
IsidoroKZ
16 messaggi
• Pagina 1 di 2 • 1, 2
1
voti
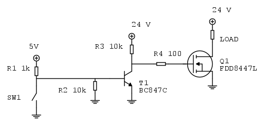
Fai attenzione che il mosfet che usi ha una tensione Vgs massima di +/-20 V, quando T1 è interdetto tra gate e source ci sono 24 V.
Anche il resistore R3 potrebbe essere troppo alto come valore, tutto dipende dai tempi di commutazione che vuoi avere.
Anche il resistore R3 potrebbe essere troppo alto come valore, tutto dipende dai tempi di commutazione che vuoi avere.
-

stefanodelfiore
1.673 3 8 - Master

- Messaggi: 569
- Iscritto il: 28 mar 2009, 20:15
- Località: Bologna
0
voti
stefanodelfiore ha scritto:Fai attenzione che il mosfet che usi ha una tensione Vgs massima di +/-20 V, quando T1 è interdetto tra gate e source ci sono 24 V.
Più che un errore è un ORRORE
Grazie, come correggo il problema? Io ho in mente 2 soluzioni (da neofita).
1 - Partitore di tensione su C di T1 in modo da avere 10v (mi sembra che già con 10v ho conduzione piena di Q1)
2 - zener da 10v, ma ho un dubbio se va su C di T1 o su G di Q1 .
stefanodelfiore ha scritto:Anche il resistore R3 potrebbe essere troppo alto come valore, tutto dipende dai tempi di commutazione che vuoi avere.
Non mi sono posto questo problema perché SW1 è realmente un momentary switch da azionare manualmente ed i tempi di risposta non sono importanti, poi magari discutiamo di quest'altro aspetto in un altro momento.
Quindi il ragionamento di base non è errato a quanto pare..
6
voti
Ci sono regole non scritte per disegnare schemi che siano leggibili da una persona.
LTSpice capisce tutto, ma se una persona che non conosce il tuo schema deve cercare di capirlo, si aspetta delle convenzioni che, se non rispettate, rendono il tutto nebuloso.
Per esempio:
- sorgente del segnale a sinistra, si procede poi verso destra
- alimentazione in alto, riferimento in basso
- per alimentazione e riferimento, si mette un simbolo dove serve, non si "tirano fili"
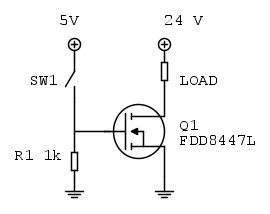
Mi sono permesso di ridisegnare il tuo schema. Il contenuto non l'ho cambiato, solo la grafica:
Ora trovo piú facile consigliarti
Come ti è stato detto, stai eccedendo la massima tensione di gate per quel mosfet.
La buona notizia è che già a 5 V quel mosfet è completamente in conduzione (guarda nel datasheet il grafico denominato "Transfer characteristics").
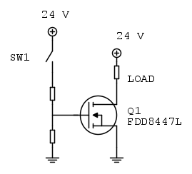
E visto che a quanto pare hai 5 V a disposizione nel tuo circuito, il tutto si riduce a quanto segue:
Si potrebbe mettere un condensatorino in parallelo a R1 per ovviare al rumore di commutazione del pulsante, se necessario.
Boiler
LTSpice capisce tutto, ma se una persona che non conosce il tuo schema deve cercare di capirlo, si aspetta delle convenzioni che, se non rispettate, rendono il tutto nebuloso.
Per esempio:
- sorgente del segnale a sinistra, si procede poi verso destra
- alimentazione in alto, riferimento in basso
- per alimentazione e riferimento, si mette un simbolo dove serve, non si "tirano fili"
Mi sono permesso di ridisegnare il tuo schema. Il contenuto non l'ho cambiato, solo la grafica:
Ora trovo piú facile consigliarti
Come ti è stato detto, stai eccedendo la massima tensione di gate per quel mosfet.
La buona notizia è che già a 5 V quel mosfet è completamente in conduzione (guarda nel datasheet il grafico denominato "Transfer characteristics").
E visto che a quanto pare hai 5 V a disposizione nel tuo circuito, il tutto si riduce a quanto segue:
Si potrebbe mettere un condensatorino in parallelo a R1 per ovviare al rumore di commutazione del pulsante, se necessario.
Boiler
1
voti
boiler ha scritto:- sorgente del segnale a sinistra, si procede poi verso destra
- alimentazione in alto, riferimento in basso
- per alimentazione e riferimento, si mette un simbolo dove serve, non si "tirano fili"
Annotato nella sezione "DOGMI". Grazie, ho sempre disegnato schematici come mi veniva più comodo, senza mai leggere da nessuna parte COME andrebbe disegnato uno schematico pulito.
boiler ha scritto:Mi sono permesso di ridisegnare il tuo schema. Il contenuto non l'ho cambiato, solo la grafica:
Ci mancherebbe altro...
boiler ha scritto:La buona notizia è che già a 5 V quel mosfet è completamente in conduzione (guarda nel datasheet il grafico denominato "Transfer characteristics").
Si, lo avevo notato che a 4.5v è già completamente in conduzione, al massimo ci perdo qualcosa in Rdson.
boiler ha scritto:E visto che a quanto pare hai 5 V a disposizione nel tuo circuito, il tutto si riduce a quanto segue:
Bene, questo mi è chiaro, a questo punto ho 2 domande.
1) è necessaria la resistenza di pulldown su g di Q1? Sui transistor la si vede praticamente sempre (sarebbe curioso capire come dimensionare adeguatamente la R di pulldown matematicamente, anche se poi, spesso, come accade anche nei calcoli della Rb, si accettano valori empirici. Ad esempio calcoli una resistenza di base da 75k e alla fine si ripiega su una 10k "per star sicuri" facendo andare nel gabinetto hfe, Vbe, ecc... ed io mi chiedo a cosa serve averla calcolata a quel punto...) Sui mosfet non vedo spesso resistenze di pulldown... perché?
2) Se avessi avuto un NMOSFET con una Vgs da minimo 7v come lo mando in conduzione avendo a disposizione solo al 5v e 24 V? (dove 24 V non può essere accettato poiché fuori da A.M.R. del datasheet) - mi scuso per la tipica domanda che avrebbe posto il professore ai suoi alunni che stanno iniziando ad apprendere la materia, per voi la risposta elementare e scontata, ma a me serve per capire le dinamiche che entrano in gioco e quindi iniziare ad illuminare le ombre che ho nei concetti di base...
Di qui mi riaggancio allo schema rivisitato da Boiler per essere letto in modo immediato.
Vado di zener su c di T1? vado di zener su g di Q1? vado di partitore su c di T1?
Nel frattempo sto tirando giù delle simulazioni su LTspice per vedere le differenze.
Grazie intanto!!!
2
voti
mPol ha scritto:1) è necessaria la resistenza di pulldown su g di Q1?
Sì, altrimenti quando il pulsante è aperto hai un nodo flottante, che per leakage tenderà a caricarsi e ad accendere il mosfet.
Sui mosfet non vedo spesso resistenze di pulldown... perché?
Dipende da come sono pilotati. Se il segnale di controllo arriva da un microcontroller, l'uscita è push-pull ed è in grado sia di erogare corrente che di assorbirla, operazione la seconda necessaria a spegnere il mosfet.
Se avessi avuto un NMOSFET con una Vgs da minimo 7v come lo mando in conduzione avendo a disposizione solo al 5v e 24 V?
La risposta teorica è questa:
Se il pulsante è davvero un pulsante azionato manualmente, allora ve bene così.
Se ci sono invece specifiche su quanto velocemente il transistor deve accendersi e/o spegnersi, allora forse serve un'altra soluzione.
Boiler
0
voti
boiler ha scritto:Se il pulsante è davvero un pulsante azionato manualmente, allora ve bene così.
Quindi con un partitore di tensione alimentato dallo SW1 il cui nodo R1-R2 diano almeno la Vgs richiesta dal mosfet.
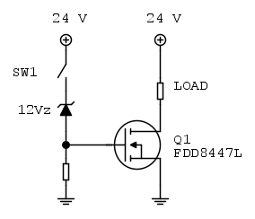
Perché non una soluzione resistenza -> zener su gate del mosfet (nel caso specifico)? Per praticità, per efficienza, perché non è adatto a svolgere tale funzione?
Scusate le domande, sembrano da curiosone e potrebbe essere frustrante da parte vostra rispondere alle mie banalità, ma per me sono informazioni importanti, per quanto elementari possano sembrare.
Alle mie banali domande ho già le MIE risposte, ma succede che le MIE risposte potrebbero essere totalmente errate.... Io li chiamo i danni da articoli mediocri, dove è tutto facile e tutto scontato..
Fare circuiti è un discorso, fare dei circuiti ben progettati è un'altra cosa, per quanto basilari possano sembrare. Non spero di arrivare da nessuna parte, mi mancano gli studi... Ma un circuito per le mie piccole esigenze devo essere in grado di pensarlo e realizzarlo senza cadere in errori banali come quello della tensione Vgs da voi evidenziata (giuro che è stata una distrazione
Se le domande che vi pongo sono troppo "terra terra" non c'è problema, non rispondete, non me la prendo, ci mancherebbe.
GRAZIE!!
1
voti
mPol ha scritto:Perché non una soluzione resistenza -> zener su gate del mosfet (nel caso specifico)? Per praticità, per efficienza, perché non è adatto a svolgere tale funzione?
Per due motivi:
1) non è necessaria la precisione dello zener, se i tuoi 24 V sono stabili entro diciamo +/- 10%, è sufficiente.
2) lo zener, al di sotto della tensione di breakdown è un diodo e come tale impedisce lo scaricamento della capacità di gate quando apri il pulsante. Per far spegnere il mosfet dovresti aggiungere un resistore in parallelo allo zener.
Boiler
1
voti
Se parliamo dello schema del post [1]/[4], sia uno zener tra C E di T1, che una resistenza adeguata (sempre tra C E) a fare da partitore vanno bene. Per me sono indifferenti, attendiamo repliche. (Edit: preceduto
)
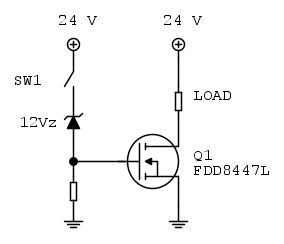
Se parliamo dello schema del post [6] invece lo zener potrebbe andare sul ramo verso l'interruttore, perché a interruttore aperto il gate deve comunque essere tenuto a GND.
Se parliamo dello schema del post [6] invece lo zener potrebbe andare sul ramo verso l'interruttore, perché a interruttore aperto il gate deve comunque essere tenuto a GND.
Una domanda ben posta è già mezza risposta.
0
voti
boiler ha scritto:1) non è necessaria la precisione dello zener, se i tuoi 24 V sono stabili entro diciamo +/- 10%, è sufficiente.
no, nel mio caso specifico a cui sto lavorando è un meanwell 24 V di tipo switching, ho voluto prenderlo appositamente di nota marca per via della sua affidabilità e longevità. A parte il normale ripple (che sempre se non dico castronate sia il "rumore" su Vout dovuta alla commutazione di tipo switching dell'alimentatore per stabilizzare alla tensione di targa) non ha fluttuazioni di quella portata.
boiler ha scritto:lo zener, al di sotto della tensione di breakdown è un diodo e come tale impedisce lo scaricamento della capacità di gate quando apri il pulsante. Per far spegnere il mosfet dovresti aggiungere un resistore in parallelo allo zener.
la seconda rimarca la prima a quanto pare. GRAZIE, chiarissimo...
djnz ha scritto:Se parliamo dello schema del post [6] invece lo zener potrebbe andare sul ramo verso l'interruttore, perché a interruttore aperto il gate deve comunque essere tenuto a GND.
questo schematico che hai postato già ha del nuovo per me... e comunque intravedendo una logica non lo userei per un semplice motivo. La corrente iniziale per caricare il gate del mosfet potrebbe essere eccessiva per lo zener e alla lunga lo ditruggerebbe. Penso, forse sbagliando, che il gate appena chiuso il contatto cercherebbe di tirare quanta più corrente possibile per caricare Qg e solo dopo la corrente verrebbe limitata dalla resistenza tra gate e source. Sbaglio?
Ho letto questo articolo dove viene spiegata bene come dimensionare la Rg sui mosfet e come si calcola la corrente di picco iniziale richiesta dal mosfet.
16 messaggi
• Pagina 1 di 2 • 1, 2
Chi c’è in linea
Visitano il forum: Nessuno e 75 ospiti

Elettrotecnica e non solo (admin)
Un gatto tra gli elettroni (IsidoroKZ)
Esperienza e simulazioni (g.schgor)
Moleskine di un idraulico (RenzoDF)
Il Blog di ElectroYou (webmaster)
Idee microcontrollate (TardoFreak)
PICcoli grandi PICMicro (Paolino)
Il blog elettrico di carloc (carloc)
DirtEYblooog (dirtydeeds)
Di tutto... un po' (jordan20)
AK47 (lillo)
Esperienze elettroniche (marco438)
Telecomunicazioni musicali (clavicordo)
Automazione ed Elettronica (gustavo)
Direttive per la sicurezza (ErnestoCappelletti)
EYnfo dall'Alaska (mir)
Apriamo il quadro! (attilio)
H7-25 (asdf)
Passione Elettrica (massimob)
Elettroni a spasso (guidob)
Bloguerra (guerra)







