Reostato di potenza elettronico
Moderatori:
carloc,
g.schgor,
BrunoValente,
IsidoroKZ
1
voti
Ciao Alex, ma se lineare credo che scalderebbe parecchio ugualmente. Poi non avremmo più una tensione stabile...
-

gianniniivo
9.070 7 11 13 - No Rank
- Messaggi: 2875
- Iscritto il: 5 feb 2019, 23:50
1
voti
Non so risponderti con precisione.
Alex
https://www.facebook.com/Elettronicaeelettrotecnica
<< vedi di pigliare arditamente in mano, il dizionario che ti suona in bocca,
se non altro è schietto e paesano.
(Giuseppe Giusti) <<
https://www.facebook.com/Elettronicaeelettrotecnica
<< vedi di pigliare arditamente in mano, il dizionario che ti suona in bocca,
se non altro è schietto e paesano.
(Giuseppe Giusti) <<
0
voti
@
Elidur, ho realizzato il tuo circuito per le ventole; in effetti funziona come gli altri due ma penso sia più razionale utilizzare a pieno il 358. In ogni caso è un bene sapere che il tuo schemino funziona.
Quanto all’alimentatorino switching che hai segnalato, l’ho acquistato. Adesso attendiamo che arrivi poi proseguirò con le prove…
Quanto all’alimentatorino switching che hai segnalato, l’ho acquistato. Adesso attendiamo che arrivi poi proseguirò con le prove…
-

gianniniivo
9.070 7 11 13 - No Rank
- Messaggi: 2875
- Iscritto il: 5 feb 2019, 23:50
1
voti
Elidur ha scritto:Ciao Ivo, per raffreddare un UPS che SCALDA, ho voluto aggiungere un piccolo sistema di raffreddamento supplementare che fosse direttamente controllabile dalla temperatura dei componenti più critici. Cercando tra gli schemi di Enrico ho trovato quello che mi serviva; un circuito con solo un normalissimo transistor NPN (meglio di tipo Darlington) e pochi componenti passivi e la ventola. Enrico, così come fu capace di progettare circuiti invidiabili è stato anche molto sbrigativo con altri e questo è uno di quelli semplici.
I valori resistivi varieranno in funzione del consumo delle ventole ma il circuito è talmente semplice che lo adatterai con minimi interventi.
Te lo giro. Se vorrai provarlo non avrai problemi.
Chi è così gentile da spiegarmi a cosa serve R 4 ?
Sinceramente mi sembra un controsenso quella resistenza.
2
voti
@
TITAN
Il circuito non è mio ma fa parte di uno schemario di un amico che non c’è più. Non posso chiedere spiegazioni ma provo a darle io, descrivendo meglio il funzionamento di un circuito che evidentemente è stato pensato per un uso semplice e veloce e senza pretese.
Con la resistenza R4 inserita nel circuito, fino a circa 40-45° la ventola gira sempre al minimo, in base al valore di R4. Se viene raggiunta la temperatura prestabilita, il transistor inizia a condurre e quindi la ventola viene alimentata anche dal Darlington e non solo attraverso R4, quindi la velocità di rotazione inizia ad aumentare fino al raggiungimento del valore massimo. Al contrario, raffreddandosi la NTC, la ventola gira sempre meno velocemente fino a stabilizzarsi tornando alla sua rotazione al minimo.
Il secondo modo di utilizzare il circuito è quello di tipo esclusivamente "ON-OFF". Basta eliminare la resistenza R4. In questo caso fino (e al di sotto) ai 40-45°C la ventola rimarrà FERMA, mentre al superamento della temperatura critica si metterà in movimento fino al raggiungimento della massima velocità, se necessario. Se la temperatura scenderà sotto il valore di intervento la ventola si fermerà.
@
gianniniivo
Hai ragione, con una sezione libera del 358 e ti conviene utilizzare quella. Per il mio UPS invece ho voluto proprio utilizzare qualcosa di minimale per gestire un raffreddamento supplementare.
Il circuito non è mio ma fa parte di uno schemario di un amico che non c’è più. Non posso chiedere spiegazioni ma provo a darle io, descrivendo meglio il funzionamento di un circuito che evidentemente è stato pensato per un uso semplice e veloce e senza pretese.
Con la resistenza R4 inserita nel circuito, fino a circa 40-45° la ventola gira sempre al minimo, in base al valore di R4. Se viene raggiunta la temperatura prestabilita, il transistor inizia a condurre e quindi la ventola viene alimentata anche dal Darlington e non solo attraverso R4, quindi la velocità di rotazione inizia ad aumentare fino al raggiungimento del valore massimo. Al contrario, raffreddandosi la NTC, la ventola gira sempre meno velocemente fino a stabilizzarsi tornando alla sua rotazione al minimo.
Il secondo modo di utilizzare il circuito è quello di tipo esclusivamente "ON-OFF". Basta eliminare la resistenza R4. In questo caso fino (e al di sotto) ai 40-45°C la ventola rimarrà FERMA, mentre al superamento della temperatura critica si metterà in movimento fino al raggiungimento della massima velocità, se necessario. Se la temperatura scenderà sotto il valore di intervento la ventola si fermerà.
@
Hai ragione, con una sezione libera del 358 e ti conviene utilizzare quella. Per il mio UPS invece ho voluto proprio utilizzare qualcosa di minimale per gestire un raffreddamento supplementare.
1
voti
Ciao
TITAN.
Non c’è problema, hai fatto bene a chiedere. Spero di avere interpretato bene le intenzioni dell’autore del circuito. Ho realizzato un esemplare di quel circuito e ha funzionato come descritto.
Non c’è problema, hai fatto bene a chiedere. Spero di avere interpretato bene le intenzioni dell’autore del circuito. Ho realizzato un esemplare di quel circuito e ha funzionato come descritto.
4
voti
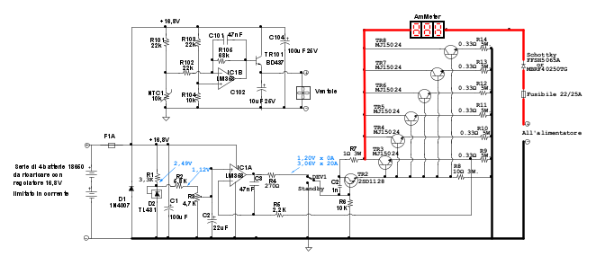
Rientro in argomento per concludere il thread e pubblicare lo schema definitivo.
Come si può rilevare ho utilizzato lo schema con l'integrato LM358.
Ho dovuto tener conto del monito di BrunoValente dapprima alimentando il circuito con il convertitore DC-DC di cui al punto [66] poi rivelatosi anch'esso inadatto per i carichi in bassa tensione. Ho risolto l'alimentazione con l'aggiunta di 4 batterie in serie al litio 18650 (ne ho una quindicina che non utilizzo) che all'occorrenza vengono ricaricate con un piccolo regolatore tarato sui 16,8V DC. esterno. La scelta è ricaduta sull'alimentatore/caricabatterie esterno per non essere vincolato alla rete e al cavo di alimentazione. La batterie sono inserite in un holder x 4 elementi e vengono caricate brutalmente in serie senza un controllore che non possiedo, almeno per ora, poi si vedrà. Ovviamente ho limitato moltissimo la corrente di carica e la tensione è calcolata in modo da fornire ai capi di ogni batteria a piena carica un valore di 4,2V. DC. Infatti quando ai capi della serie di batterie la tensione raggiunge i 16,8V, le batterie non assorbono più corrente.
Per le ventole ho utilizzato la modifica di stefanopc con l'uscita di emettitore. All'atto pratico non ho apprezzato differenze di funzionamento tra l'uscita di emettitore rispetto all'uscita di collettore ma Stefano mi ha convinto e ho adottato la sua soluzione.
Grazie per l'attenzione.
Ecco lo schema:
Come si può rilevare ho utilizzato lo schema con l'integrato LM358.
Ho dovuto tener conto del monito di BrunoValente dapprima alimentando il circuito con il convertitore DC-DC di cui al punto [66] poi rivelatosi anch'esso inadatto per i carichi in bassa tensione. Ho risolto l'alimentazione con l'aggiunta di 4 batterie in serie al litio 18650 (ne ho una quindicina che non utilizzo) che all'occorrenza vengono ricaricate con un piccolo regolatore tarato sui 16,8V DC. esterno. La scelta è ricaduta sull'alimentatore/caricabatterie esterno per non essere vincolato alla rete e al cavo di alimentazione. La batterie sono inserite in un holder x 4 elementi e vengono caricate brutalmente in serie senza un controllore che non possiedo, almeno per ora, poi si vedrà. Ovviamente ho limitato moltissimo la corrente di carica e la tensione è calcolata in modo da fornire ai capi di ogni batteria a piena carica un valore di 4,2V. DC. Infatti quando ai capi della serie di batterie la tensione raggiunge i 16,8V, le batterie non assorbono più corrente.
Per le ventole ho utilizzato la modifica di stefanopc con l'uscita di emettitore. All'atto pratico non ho apprezzato differenze di funzionamento tra l'uscita di emettitore rispetto all'uscita di collettore ma Stefano mi ha convinto e ho adottato la sua soluzione.
Grazie per l'attenzione.
Ecco lo schema:
-

gianniniivo
9.070 7 11 13 - No Rank
- Messaggi: 2875
- Iscritto il: 5 feb 2019, 23:50
Chi c’è in linea
Visitano il forum: Nessuno e 57 ospiti

Elettrotecnica e non solo (admin)
Un gatto tra gli elettroni (IsidoroKZ)
Esperienza e simulazioni (g.schgor)
Moleskine di un idraulico (RenzoDF)
Il Blog di ElectroYou (webmaster)
Idee microcontrollate (TardoFreak)
PICcoli grandi PICMicro (Paolino)
Il blog elettrico di carloc (carloc)
DirtEYblooog (dirtydeeds)
Di tutto... un po' (jordan20)
AK47 (lillo)
Esperienze elettroniche (marco438)
Telecomunicazioni musicali (clavicordo)
Automazione ed Elettronica (gustavo)
Direttive per la sicurezza (ErnestoCappelletti)
EYnfo dall'Alaska (mir)
Apriamo il quadro! (attilio)
H7-25 (asdf)
Passione Elettrica (massimob)
Elettroni a spasso (guidob)
Bloguerra (guerra)







