lm317
Moderatori:
carloc,
g.schgor,
BrunoValente,
IsidoroKZ
35 messaggi
• Pagina 1 di 4 • 1, 2, 3, 4
0
voti
[1] lm317
Sono nuovo (e non molto pratico). Da un'alimentazione continua stabilizzata di 24volt vorrei ottenere un'uscita (per poter pilotare delle valvole proporzionali) variabile da 0 a 24volt con una rampa di accelerazione e con la stessa rampa poter tornare da 24 a 0 Con rampa di decelerazione. In pratica il circuito classico dell' LM 317 andrebbe bene se al posto del potenziometro ci fosse un trimmer. Riassumendo vorrei andare da 0 a 24Volt e da 24 a 0volt in 3 secondi con almeno 1A. Ringrazio chi mi può aiutare. Giuliano
0
voti
[2] Re: lm317
Con il 317 al minimo arrivi a 1.3V circa, non a zero. Inoltre se hai 24 V di alimentazione, all'uscita del 317 al massimo puoi avere 21V-22V ti va bene lo stesso?
Al sistema vuoi solo dare un comando "apri" e uno "chiudi", ad esempio con un microcontrollore o un deviatore meccanico, e le rampe sono sempre le stesse, oppure vuoi poter cambiare al volo la durata della rampa, aprire solo a meta`?
Puoi lavorare su entrambi i fili di alimentazione delle elettrovalvole, oppure solo sul positivo?
Al sistema vuoi solo dare un comando "apri" e uno "chiudi", ad esempio con un microcontrollore o un deviatore meccanico, e le rampe sono sempre le stesse, oppure vuoi poter cambiare al volo la durata della rampa, aprire solo a meta`?
Puoi lavorare su entrambi i fili di alimentazione delle elettrovalvole, oppure solo sul positivo?
Per usare proficuamente un simulatore, bisogna sapere molta più elettronica di lui
Plug it in - it works better!
Il 555 sta all'elettronica come Arduino all'informatica! (entrambi loro malgrado)
Se volete risposte rispondete a tutte le mie domande
Plug it in - it works better!
Il 555 sta all'elettronica come Arduino all'informatica! (entrambi loro malgrado)
Se volete risposte rispondete a tutte le mie domande
0
voti
[3] Re: lm317
Intanto ti ringrazio per il solerte interessamento. Va benissimo le due tensioni che hai riferito tu. In effetti le mie valvole lavorano benissimo dai 7 volt ai 18volt. (attualmente le sto facendo lavorare con un 7810 attaccandogli al bisogno 3 diodi arrivando al massimo a 12volt). Per quanto riguarda il contatto per l'apri chiudi mi va bene entrambe le soluzioni al limite anche un contatto solo con lo stesso tempo per le rampe di salita o discesa (ma posso anche usare due contatti la gestione è affidata ad un plc e per quello non ho problemi). Anche con un filo solo di riferimento riesco a fare lo stesso farei lo scambio con due rele. Grazie mille. Giuliano
0
voti
[4] Re: lm317
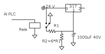
Se ti basta una salita e una discesa lente, ma non a velocita` costante, questo circuito ti puo` andare bene.
La resistenza R1 e` da 1.5kohm, e R2 da 7.5kohm a 10 kohm. Se la rampa e` troppo veloce puoi alzare R1 fino a 3.3kohm e di conseguenza R2 a 18kohm-22 kohm (sempre da cinque a sette volte tanto). Se e` troppo lenta scendi ad esempio a 1kohm e 5.6kohm-6.8kohm.
Il PLC aziona il rele`, quando lo attiva la tensione sale da circa 1.2V fin verso i 21V, e quando il rele` e` rilasciato, la tensione torna a 1.2V
Se invece vuoi una rampa lineare, il circuito si complica, si deve usare un operazionale. Fammi sapere se ti va bene questo o se vuoi il circuito piu` complicato.
La resistenza R1 e` da 1.5kohm, e R2 da 7.5kohm a 10 kohm. Se la rampa e` troppo veloce puoi alzare R1 fino a 3.3kohm e di conseguenza R2 a 18kohm-22 kohm (sempre da cinque a sette volte tanto). Se e` troppo lenta scendi ad esempio a 1kohm e 5.6kohm-6.8kohm.
Il PLC aziona il rele`, quando lo attiva la tensione sale da circa 1.2V fin verso i 21V, e quando il rele` e` rilasciato, la tensione torna a 1.2V
Se invece vuoi una rampa lineare, il circuito si complica, si deve usare un operazionale. Fammi sapere se ti va bene questo o se vuoi il circuito piu` complicato.
Per usare proficuamente un simulatore, bisogna sapere molta più elettronica di lui
Plug it in - it works better!
Il 555 sta all'elettronica come Arduino all'informatica! (entrambi loro malgrado)
Se volete risposte rispondete a tutte le mie domande
Plug it in - it works better!
Il 555 sta all'elettronica come Arduino all'informatica! (entrambi loro malgrado)
Se volete risposte rispondete a tutte le mie domande
0
voti
[5] Re: lm317
Per curiosità, la chiusura lenta ti serve epr evitare eventuali colpi d'ariete? solo per info personale, su che tubature e che fluido? grazie ciao
Ci sono 10 tipi di persone: chi conosce il codice binario e chi NO! 
0
voti
[6] Re: lm317
Ti ringrazio ora lo provo poi ti dico il risultato. L'applicazione è eseguita su una gru che sale fino a 60 metri. Serve per il livellamento del cesto, per la rotazione del cesto, e apertura del cesto stesso quindi tre applicazioni. La più importante delle tre è il livellamento cesto che entra in funzione durante la salita o discesa della gru e un'apertura o chiusura troppo repentina fornisce bruschi strappi. Per tutte le altre manovre quelle più importanti ho usato uscite analogiche del plc e li non ho avuto problemi anche perche le valvole proporzionali erano predisposte. Intanto ti ringrazio. Ciao Giuliano
0
voti
[7] Re: lm317
Un dubbio: da 1.2v a 21 volt salgo con un tempo quindi con una rampa di accelerazione ma aprendo il contatto R1 la discesa da 21v a 1.2v ho sempre lo stesso tempo di prima per la rampa di decelerazione? Se la risposta è positiva allora tutto Grazie
0
voti
[10] Re: lm317
Le due "rampe" sono uguali, se ti serve che una sia piu` veloce dell'altra basta aggiungere una resistenza e un diodo.
Per usare proficuamente un simulatore, bisogna sapere molta più elettronica di lui
Plug it in - it works better!
Il 555 sta all'elettronica come Arduino all'informatica! (entrambi loro malgrado)
Se volete risposte rispondete a tutte le mie domande
Plug it in - it works better!
Il 555 sta all'elettronica come Arduino all'informatica! (entrambi loro malgrado)
Se volete risposte rispondete a tutte le mie domande
35 messaggi
• Pagina 1 di 4 • 1, 2, 3, 4
Chi c’è in linea
Visitano il forum: Majestic-12 [Bot] e 78 ospiti

Elettrotecnica e non solo (admin)
Un gatto tra gli elettroni (IsidoroKZ)
Esperienza e simulazioni (g.schgor)
Moleskine di un idraulico (RenzoDF)
Il Blog di ElectroYou (webmaster)
Idee microcontrollate (TardoFreak)
PICcoli grandi PICMicro (Paolino)
Il blog elettrico di carloc (carloc)
DirtEYblooog (dirtydeeds)
Di tutto... un po' (jordan20)
AK47 (lillo)
Esperienze elettroniche (marco438)
Telecomunicazioni musicali (clavicordo)
Automazione ed Elettronica (gustavo)
Direttive per la sicurezza (ErnestoCappelletti)
EYnfo dall'Alaska (mir)
Apriamo il quadro! (attilio)
H7-25 (asdf)
Passione Elettrica (massimob)
Elettroni a spasso (guidob)
Bloguerra (guerra)




