Salve a tutti,
mi sono incagliato in un problema talmente banale che mi vergogno un po' a proporlo ma purtoppo non riesco a venirne a capo.
Sul circuito c'è poco da dire se non che è un ampli invertente con guadagno 1 o 2 ma in uscita il segnale si comporta in modo anomalo e i gradini hanno step di
tensione differenti da quelli in ingresso.
Il segnale è prodotto da un contatore CMOS CD4029 alimentato a +12V con una alimentatore separato.
Premetto che il circuito al simulatore funziona perfettamente.
Sarà l'alimentazione duale +-12V (a schema è segnato 15V)?
ciao
Antonio
Strano comportamento operazionale
Moderatori:
carloc,
g.schgor,
BrunoValente,
IsidoroKZ
20 messaggi
• Pagina 1 di 2 • 1, 2
0
voti
Forse qualche dettaglio in più aiuterebbe a capire la situazione:
1) Il circuito completo, comprensivo di contatore e rete di resistori per produrre gli steps
2) la frequenza di lavoro del tutto.
Ciao
Piercarlo
1) Il circuito completo, comprensivo di contatore e rete di resistori per produrre gli steps
2) la frequenza di lavoro del tutto.
Ciao
Piercarlo
0
voti
aduri ha scritto:Il segnale è prodotto da un contatore CMOS CD4029 alimentato a +12V con una alimentatore separato.
Concordo con Piercarlo, dovresti fornire maggiori informazioni.
Da quello che dici, la mia sfera di cristallo mi suggerisce di fare attenzione al fenomeno di inversione di polarità delle uscite in saturazione. Avviene in molti operazionali quando il segnale applicato agli ingressi non rispetta l'intervallo di modo comune tollerato per gli ingressi. Non se ne parla molto spesso e pochi modelli di simulazione ne tengono conto. Ecco una lettura interessante:
http://www.analog.com/static/imported-f ... MT-036.pdf
Follow me on Mastodon: @davbucci@mastodon.sdf.org
-

DarwinNE
31,0k 7 11 13 - G.Master EY

- Messaggi: 4420
- Iscritto il: 18 apr 2010, 9:32
- Località: Grenoble - France
0
voti
Forse l'hanno già fatto (devo controllare) ma nel caso mancasse sarebbe bello che qualcuno scrivesse un bel testo da usare come riferimento su come vanno trattati gli operazionali reali. Gli errori derivanti dal loro considerarli "quasi ideali" sono veramente frequentissimi, forse un po' troppo!
Tra gli altri un errore molto comune è quello di utilizzarli come comparatori di tensione quando per questi casi esistono invece degli integrati appositi.
Ciao
Piercarlo
Ciao
Piercarlo
0
voti
Scusate per la fretta sono stato troppo sintetico.
Io devo usare l'operazionale solo come amplificatore e invertitore con guadagno 1 e 2 volte.
Quello che succedeva è che quando variavo R2 da 100Kohm (resa variabile per fare dei test) con R1 da 47K andando su con l'amplificazione 2-3 volte gli ultimi gradini si riducevano ad una riga solo sovrapponendosi, diminuendo il guadagno a 1 o 1,5 max l'amplificazione tornava lineare e mi riproduceva perfettamente i gradini in uscita.
Ho provato a semplificare il circuito all'osso lasciando solo la R1 da 47K e variabile da 100K e togliendo la resistenza tra pin non invertente e massa e quella in uscita verso massa sostituendo anche l'op con un LF347 ma sortiva lo stesso effetto.
Grazie dell'aiuto
Antonio
Io devo usare l'operazionale solo come amplificatore e invertitore con guadagno 1 e 2 volte.
Quello che succedeva è che quando variavo R2 da 100Kohm (resa variabile per fare dei test) con R1 da 47K andando su con l'amplificazione 2-3 volte gli ultimi gradini si riducevano ad una riga solo sovrapponendosi, diminuendo il guadagno a 1 o 1,5 max l'amplificazione tornava lineare e mi riproduceva perfettamente i gradini in uscita.
Ho provato a semplificare il circuito all'osso lasciando solo la R1 da 47K e variabile da 100K e togliendo la resistenza tra pin non invertente e massa e quella in uscita verso massa sostituendo anche l'op con un LF347 ma sortiva lo stesso effetto.
Grazie dell'aiuto
Antonio
0
voti
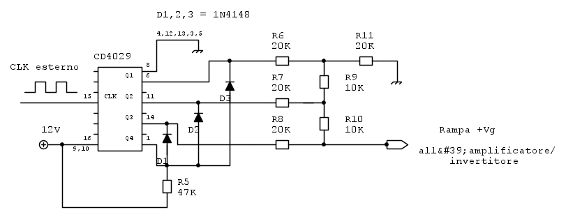
Dimenticavo di inviare lo schema di generazione del gradino con la relativa rete di resistenze.
Grazie
Antonio
Grazie
Antonio
0
voti
Se alimenti l'operazionale a +/-12V, non puoi avere in uscita -12V, ci sono le limitazioni di dinamica dell'operazionale.
Per usare proficuamente un simulatore, bisogna sapere molta più elettronica di lui
Plug it in - it works better!
Il 555 sta all'elettronica come Arduino all'informatica! (entrambi loro malgrado)
Se volete risposte rispondete a tutte le mie domande
Plug it in - it works better!
Il 555 sta all'elettronica come Arduino all'informatica! (entrambi loro malgrado)
Se volete risposte rispondete a tutte le mie domande
0
voti
Grazie IsidoroKZ,
immaginavo
infatti volevo sostituire i 78/7912 con i 78/7915 e vedere se riuscivo a ottenere Av=2.
Quello che mi meravigliava, didatticamente, era il comportamento della forma d'onda con la perdita d'informazione negli ultimi gradini.
Ciao
Antonio
immaginavo
Quello che mi meravigliava, didatticamente, era il comportamento della forma d'onda con la perdita d'informazione negli ultimi gradini.
Ciao
Antonio
0
voti
aduri ha scritto:Quello che mi meravigliava, didatticamente, era il comportamento della forma d'onda con la perdita d'informazione negli ultimi gradini.
Stai lavorando ad un tracciacurve? Ci mostri un oscillogramma di quello che viene fuori dall'operazionale?
Follow me on Mastodon: @davbucci@mastodon.sdf.org
-

DarwinNE
31,0k 7 11 13 - G.Master EY

- Messaggi: 4420
- Iscritto il: 18 apr 2010, 9:32
- Località: Grenoble - France
20 messaggi
• Pagina 1 di 2 • 1, 2
Chi c’è in linea
Visitano il forum: Majestic-12 [Bot] e 70 ospiti

Elettrotecnica e non solo (admin)
Un gatto tra gli elettroni (IsidoroKZ)
Esperienza e simulazioni (g.schgor)
Moleskine di un idraulico (RenzoDF)
Il Blog di ElectroYou (webmaster)
Idee microcontrollate (TardoFreak)
PICcoli grandi PICMicro (Paolino)
Il blog elettrico di carloc (carloc)
DirtEYblooog (dirtydeeds)
Di tutto... un po' (jordan20)
AK47 (lillo)
Esperienze elettroniche (marco438)
Telecomunicazioni musicali (clavicordo)
Automazione ed Elettronica (gustavo)
Direttive per la sicurezza (ErnestoCappelletti)
EYnfo dall'Alaska (mir)
Apriamo il quadro! (attilio)
H7-25 (asdf)
Passione Elettrica (massimob)
Elettroni a spasso (guidob)
Bloguerra (guerra)




