Salve,
vorrei fare una domanda per quanto riguarda la regolazione di corrente dandovi il punto da quale voglio partire.
Si tratta dell'uscita di un LM7805, l'uscita a 5V che esso mi da all'uscita.
La corrente Imax = 1A.
Devo capire come fare un circuito di controllo o qualcosa simile, il quale mi cambia la soglia di corrente massima.
Esempio:
Se ho bisogno di massimo 100mA voglio regolare la soglia massima di 1A e portarla al massimo 100mA in modo che il circuito che mi assorbirà quella corrente non andrà oltre la mia nuova soglia da me impostata.
Spero di essere stato esauriente nel specificare la richiesta, grazie.
Regolare la corrente su tensione fissa
Moderatori:
carloc,
g.schgor,
BrunoValente,
IsidoroKZ
24 messaggi
• Pagina 1 di 3 • 1, 2, 3
0
voti
Probabilmente e` piu` facile fare la regolazione (approssimata) usando un 317, oppure con un 7805 credo si debba usare un operazionale e un transistore di potenza.
Per usare proficuamente un simulatore, bisogna sapere molta più elettronica di lui
Plug it in - it works better!
Il 555 sta all'elettronica come Arduino all'informatica! (entrambi loro malgrado)
Se volete risposte rispondete a tutte le mie domande
Plug it in - it works better!
Il 555 sta all'elettronica come Arduino all'informatica! (entrambi loro malgrado)
Se volete risposte rispondete a tutte le mie domande
0
voti
purtroppo non mi dice niente l'uso dell'operazionale e quello del transistor, purtroppo non sono mai andato a sbattermi contro una cosa simile, anche se leggendo un post nel forum di tardofreak sulla regolazione di tensione e nello stesso tempo della corrente, ma sinceramente non ci ho capito molto....
per questo ho deciso di aprire questo post, anche perché per una tensione fissa la cosa si dovrebbe semplificare , sapresti darmi qualche informazione in più riguardo al transistor e l'operazionale?
te ne sarei grato :)
per questo ho deciso di aprire questo post, anche perché per una tensione fissa la cosa si dovrebbe semplificare , sapresti darmi qualche informazione in più riguardo al transistor e l'operazionale?
te ne sarei grato :)
0
voti
non sono sicuro di aveer capito la tua domanda!
ma provo a risponderti.
se ho una sorgente di tensione fissa, e collego un carico, avrò una corrente che non dipende dalla mia sorgente, (fino al limite imposto dalla sua uscita massima), ma dipende esclusivamente dal carico stesso.
ora si deve stabilire come posso intervenire per limitare questa corrente?
secono me ci sono due risposte:
-quando supero la soglia interrompo la tensione.
-riduco la tensione fino a quando il mio carico non assorba il valore imposto.
io nel mio alimentatore ho usato la prima soluzione. inserendo a monte del tuo stabilizzatore una resistenza di caduta, andando a leggerne la caduta con un op o comparatore e da qua interrompere alimentazione tramite relè oppure circuitazione stato solido. il ripristino sarà manuale.
la seconda direi che si possa ottenere con la solita resistenza di caduta, e tramite la sua lettura si deve ridurre la tensione in uscita magari pilotando in apertura la resistenza verso massa del tuo stabilizzatore, (il valore minimo di tensione ottenibile non sarà zero).
ma provo a risponderti.
se ho una sorgente di tensione fissa, e collego un carico, avrò una corrente che non dipende dalla mia sorgente, (fino al limite imposto dalla sua uscita massima), ma dipende esclusivamente dal carico stesso.
ora si deve stabilire come posso intervenire per limitare questa corrente?
secono me ci sono due risposte:
-quando supero la soglia interrompo la tensione.
-riduco la tensione fino a quando il mio carico non assorba il valore imposto.
io nel mio alimentatore ho usato la prima soluzione. inserendo a monte del tuo stabilizzatore una resistenza di caduta, andando a leggerne la caduta con un op o comparatore e da qua interrompere alimentazione tramite relè oppure circuitazione stato solido. il ripristino sarà manuale.
la seconda direi che si possa ottenere con la solita resistenza di caduta, e tramite la sua lettura si deve ridurre la tensione in uscita magari pilotando in apertura la resistenza verso massa del tuo stabilizzatore, (il valore minimo di tensione ottenibile non sarà zero).
-

lelerelele
4.899 3 7 9 - Master

- Messaggi: 5505
- Iscritto il: 8 giu 2011, 8:57
- Località: Reggio Emilia
0
voti
Ho guardato la pagina , ma il mio dubbio sorge qui:
Se la mia tensione deve rimanere fissa, la parte che dovrei implementare sarebbe tutto tranne la R7, R6 e la R8 quella per il voltage adjust, giusto?
Se la mia tensione deve rimanere fissa, la parte che dovrei implementare sarebbe tutto tranne la R7, R6 e la R8 quella per il voltage adjust, giusto?
0
voti
Che tensione hai a disposizione per alimentare il regolatore?
Per usare proficuamente un simulatore, bisogna sapere molta più elettronica di lui
Plug it in - it works better!
Il 555 sta all'elettronica come Arduino all'informatica! (entrambi loro malgrado)
Se volete risposte rispondete a tutte le mie domande
Plug it in - it works better!
Il 555 sta all'elettronica come Arduino all'informatica! (entrambi loro malgrado)
Se volete risposte rispondete a tutte le mie domande
0
voti
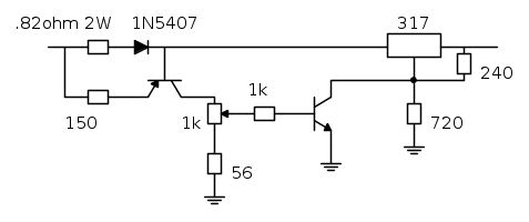
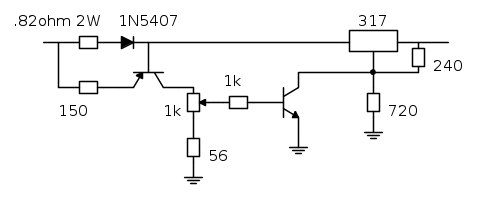
Se hai voglia di provare tante resistenze, di avere un circuito che funziona solo piu` o meno, prova questo
A basse correnti (100mA) la regolazione e` molto precisa, a correnti elevate no! Ma senza guadagno non riesco a fare di meglio
Si potrebbe provare con un pot logaritmico, ma non so che cosa capiti.
A basse correnti (100mA) la regolazione e` molto precisa, a correnti elevate no! Ma senza guadagno non riesco a fare di meglio
Per usare proficuamente un simulatore, bisogna sapere molta più elettronica di lui
Plug it in - it works better!
Il 555 sta all'elettronica come Arduino all'informatica! (entrambi loro malgrado)
Se volete risposte rispondete a tutte le mie domande
Plug it in - it works better!
Il 555 sta all'elettronica come Arduino all'informatica! (entrambi loro malgrado)
Se volete risposte rispondete a tutte le mie domande
24 messaggi
• Pagina 1 di 3 • 1, 2, 3
Chi c’è in linea
Visitano il forum: Nessuno e 98 ospiti

Elettrotecnica e non solo (admin)
Un gatto tra gli elettroni (IsidoroKZ)
Esperienza e simulazioni (g.schgor)
Moleskine di un idraulico (RenzoDF)
Il Blog di ElectroYou (webmaster)
Idee microcontrollate (TardoFreak)
PICcoli grandi PICMicro (Paolino)
Il blog elettrico di carloc (carloc)
DirtEYblooog (dirtydeeds)
Di tutto... un po' (jordan20)
AK47 (lillo)
Esperienze elettroniche (marco438)
Telecomunicazioni musicali (clavicordo)
Automazione ed Elettronica (gustavo)
Direttive per la sicurezza (ErnestoCappelletti)
EYnfo dall'Alaska (mir)
Apriamo il quadro! (attilio)
H7-25 (asdf)
Passione Elettrica (massimob)
Elettroni a spasso (guidob)
Bloguerra (guerra)




