dovrei alimentare 10 led bianchi con queste caratteristiche
drive voltage 3,2 - 3,7 V
350 mA
2700 3300K
flux 120-160 lm
reverse current <50 uA
peak pulsed current <1\10s 1500 mA
che alimentatore a corrente costante usare ? qualcuno ha qualche schema affidabile ?
alimentare un led
Moderatori:
carloc,
g.schgor,
BrunoValente,
IsidoroKZ
12 messaggi
• Pagina 1 di 2 • 1, 2
2
voti
0
voti
Pioz ha scritto:Tu cosa avresti a disposizione per alimentarli?
230vac
cioè avevo pensato a un trasformatore switching per lampade alogene, ci mettevo un rettificatore e ottenevo circa 12v DC e poi un lm317 ma per ottenere 300mA 1,25\300=0,005 ohm però una resistenza così bassa che paralleli devo fare ?
1
voti
LorenzS ha scritto:cioè avevo pensato a un trasformatore switching per lampade alogene, ci mettevo un rettificatore e ottenevo circa 12 V DC e poi un lm317 ma per ottenere 300mA 1,25\300=0,005 ohm però una resistenza così bassa che paralleli devo fare ?
Prima di tutto bisogna chiarire che un trasformatore e'....un trasformatore ed eroga tensione alternata mentre un alimentatore switching e'....un alimentatore ed eroga tensione continua; quindi nel primo caso dovrai rettificare, nel secondo no.
Prima di pensare a come alimentare, mi porrei il problema della configurazione dei led; 10 led in parallelo da 350mA cadauno, fanno la bella cifra di 3.5A e un povero LM317 ne sopporta si e no 1.5(A) se abbondantemente raffreddato.
Per finire; la formula per ricavare il valore della resistenza da impiegare e'
per cui, per ottenere 350mA serve una resistenza da 3.5 ohm che darebbe una corrente di 357mA.Chiarisciti un po' la mente e poi ci risentiamo.
marco
0
voti
marco438 ha scritto:Prima di tutto bisogna chiarire che un trasformatore e'....un trasformatore ed eroga tensione alternata mentre un alimentatore switching e'....un alimentatore ed eroga tensione continua; quindi nel primo caso dovrai rettificare, nel secondo no.
Prima di pensare a come alimentare, mi porrei il problema della configurazione dei led; 10 led in parallelo da 350mA cadauno, fanno la bella cifra di 3.5A e un povero LM317 ne sopporta si e no 1.5(A) se abbondantemente raffreddato.
l'alimentatore è questo, mi " pare " che sia switching ? ed è in alternata
http://www.savemylight.co.uk/media/cata ... c03354.jpg
marco438 ha scritto:Per finire; la formula per ricavare il valore della resistenza da impiegare e'per cui, per ottenere 350mA serve una resistenza da 3.5 ohm che darebbe una corrente di 357mA.
Chiarisciti un po' la mente e poi ci risentiamo.
avevo sbagliato l'unità di misura.... mA al posto di A

0
voti
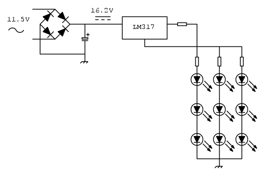
Quello allora deve solo avere un trasformatore all'interno. Da là devi rettificare con un ponte e poi filtrare con un buon condensatore ottenendo circa 16.2V. Con quella tensione avresti la possibilità di alimentare 3 stringhe da 3 led in parallelo.
Questa è solo una proposta, prima del dimensionamento aspetto però conferma dai più saggi di me.
Questa è solo una proposta, prima del dimensionamento aspetto però conferma dai più saggi di me.
1
voti
Questo circuito è ottimo per distruggere i LED se un ramo si distacca.
Infatti l' LM317 è collegato in modo da funzionare come generatore di corrente costante, quindi ci mette tutto l' impegno per far scorrere per forza il valore di corrente calcolato.
Ora, se uno dei tre rami si scollega o un LED s' interrompe l' LM317 farà scorrere sempre e comunque quel valore di corrente che si ripartirebbe fra i due rami superstiti. Uno dei due morirà e quindi tutta la corrente passerà nell' unica ramo rimasto che brucerà fra mille patimenti.
Infatti l' LM317 è collegato in modo da funzionare come generatore di corrente costante, quindi ci mette tutto l' impegno per far scorrere per forza il valore di corrente calcolato.
Ora, se uno dei tre rami si scollega o un LED s' interrompe l' LM317 farà scorrere sempre e comunque quel valore di corrente che si ripartirebbe fra i due rami superstiti. Uno dei due morirà e quindi tutta la corrente passerà nell' unica ramo rimasto che brucerà fra mille patimenti.
"La follia sta nel fare sempre la stessa cosa aspettandosi risultati diversi".
"Parla soltanto quando sei sicuro che quello che dirai è più bello del silenzio".
Rispondere è cortesia, ma lasciare l'ultima parola ai cretini è arte.
"Parla soltanto quando sei sicuro che quello che dirai è più bello del silenzio".
Rispondere è cortesia, ma lasciare l'ultima parola ai cretini è arte.
-

TardoFreak
73,9k 8 12 13 - -EY Legend-

- Messaggi: 15754
- Iscritto il: 16 dic 2009, 11:10
- Località: Torino - 3° pianeta del Sistema Solare
0
voti
Di quel tipo di trasformatore si e' parlato lungamente qui.
Leggi con attenzione per renderti conto di cosa si tratta.
Questa soluzione e' impossibile, non avresti la tensione sufficiente.
Direi che prima di andare avanti, bisognerebbe vedere cosa si riesce a tirare fuori dal quel trasformatore elettronico in termini di tensione.
Leggi con attenzione per renderti conto di cosa si tratta.
LorenzS ha scritto:quindi un lm317 collegato ad una sola serie di led.
Questa soluzione e' impossibile, non avresti la tensione sufficiente.
Direi che prima di andare avanti, bisognerebbe vedere cosa si riesce a tirare fuori dal quel trasformatore elettronico in termini di tensione.
marco
12 messaggi
• Pagina 1 di 2 • 1, 2
Chi c’è in linea
Visitano il forum: Nessuno e 43 ospiti

Elettrotecnica e non solo (admin)
Un gatto tra gli elettroni (IsidoroKZ)
Esperienza e simulazioni (g.schgor)
Moleskine di un idraulico (RenzoDF)
Il Blog di ElectroYou (webmaster)
Idee microcontrollate (TardoFreak)
PICcoli grandi PICMicro (Paolino)
Il blog elettrico di carloc (carloc)
DirtEYblooog (dirtydeeds)
Di tutto... un po' (jordan20)
AK47 (lillo)
Esperienze elettroniche (marco438)
Telecomunicazioni musicali (clavicordo)
Automazione ed Elettronica (gustavo)
Direttive per la sicurezza (ErnestoCappelletti)
EYnfo dall'Alaska (mir)
Apriamo il quadro! (attilio)
H7-25 (asdf)
Passione Elettrica (massimob)
Elettroni a spasso (guidob)
Bloguerra (guerra)





