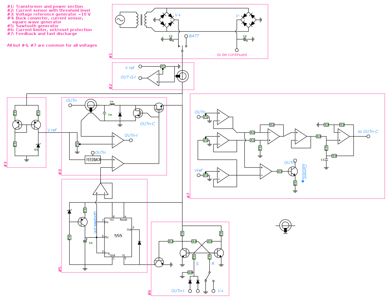
Lo schema è piuttosto grosso e sono sicuro che ci siano un bel po' di errori.
In questo post faccio una descrizione qualitativa del funzionamento previsto,
mentre rimando il dimensionamento dei componenti. Lo scopo sarebbe quello di
potermi confrontare e vedere se effettivamente può funzionare.
Per semplificazione ho diviso lo schema in blocchi che possono essere
descritti singolarmente, così che se ci fossero problemi è possibile
isolarli più facilmente.
### Requisiti completi ###
Tensioni in uscita da 13.4, 12, 5, 3.3 V e corrispondenti negative.
Capacità di erogazione di almeno 1 A per ogni uscita, valori eventualmente
da ritoccare.
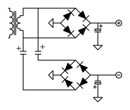
### Sezione 1 ###
E' la parte di potenza costituita da un adeguato trasformatore, due ponti di
diodi e opportuni condensatori di filtro. In questo modo dispongo di una
tensione di alimentazione duale, non solo per gli opamp ma per una necessità
delle specifiche stesse. Uno switch permette di commutare il funzionamento
da rete a batteria ma l'implementazione è ancora da definirsi.
### Sezione 2 ###
Uno dei miei desideri è quello di utilizzare dei sensori di corrente non
basati sulla classica resistenza di shunt, bensì su un sensore ad effetto
Hall. Un comparatore si occupa di verificare il raggiungimento di una soglia
programmabile.
### Sezione 3 ###
Specchio di corrente per la generazione di una tensione di riferimento non
dipendente dagli sbalzi nella tensione di alimentazione. R1 e R2 servono per
rendere stabili i due rami. R3 definisce il riferimento per la corrente.
Il diodo zener grazie alla sua caratteristica, percorso da una corrente
costante mantiene costante il drop di tensione ai suoi capi. Per motivi che
saranno più chiari in seguito vorrei che la tensione di riferimento sia sopra
ai 2/3 della tensione V+.
### Sezione 4 ###
Un normale buck da dimensionare, con un p-mos affiancato al diodo per limitarne
le perdite.
Dispone di un controllo della corrente con soglia e eventualmente un circuito
di feedback per migliorare le caratteristiche dell'alimentatore.
### Sezione 5 ###
Si tratta del generatore dell'onda a dente di sega (0, 2/3 V+) usata per generare l'onda
quadra che pilota i mosfet. L'inseguitore di tensione serve per disaccoppiare
il generatore.
### Sezione 6 ###
Il transistor si occupa di far scaricare velocemente le sovvratensioni e stabilizza
l'uscita dell'alimentatore. Dovendo essere tarato su una soglia leggermente
superiore alla tensione per riferimento dell'uscita si giustifica la cascata
di inseguitori. I 2/3 di Vout e la tensione di referenza sono sottratti e
questa tensione bufferizzata si somma e quella ai capi di un condensatore, che viene
poi "aggiornato" attraverso R4. Non credo sia molto chiaro e non sono sicuro che
funzioni tutto correttamente...
### Sezione 6 ###
E' la funzione di blocco. Impedisce la generazione dell'onda triangolare
tramite un set/reset pilotato direttamente dai comparatori di soglia per le
correnti e resettato da un pulsante.
Questo è quanto. Se sulla carta può funzionare vedo di proseguire con il dimensionamento.

Elettrotecnica e non solo (admin)
Un gatto tra gli elettroni (IsidoroKZ)
Esperienza e simulazioni (g.schgor)
Moleskine di un idraulico (RenzoDF)
Il Blog di ElectroYou (webmaster)
Idee microcontrollate (TardoFreak)
PICcoli grandi PICMicro (Paolino)
Il blog elettrico di carloc (carloc)
DirtEYblooog (dirtydeeds)
Di tutto... un po' (jordan20)
AK47 (lillo)
Esperienze elettroniche (marco438)
Telecomunicazioni musicali (clavicordo)
Automazione ed Elettronica (gustavo)
Direttive per la sicurezza (ErnestoCappelletti)
EYnfo dall'Alaska (mir)
Apriamo il quadro! (attilio)
H7-25 (asdf)
Passione Elettrica (massimob)
Elettroni a spasso (guidob)
Bloguerra (guerra)



instead of
(Anonimo).
ain't
, right?
in lieu of
.
for
arithm.





