Buona sera,
come da titolo, chiedo gentilmente se qualcuno può spiegarmi il funzionamento del circuito Tracking Preregulator presente alla pagina 20 di questo datasheet: http://www.ee.buffalo.edu/courses/elab/LM117.pdf Sto progettando un alimentatore variabile con lm317, regolabile in tensione, e da quello che ho capito il Tracking Preregulator fa in modo che ci sia, sul secondo lm317, una differenza di tensione fra ingresso e uscita costante, per non farlo scaldare troppo a tensioni basse. Il range di tensioni che vorrei ottenere sarebbe da 1.2V a 25V, senza un eccessivo assorbimento di corrente perché non devo alimentare carichi eccessivi, ma mi serve come semplice strumento per i test. Grazie per l'eventuale risposta.
Funzionamento circuito Tracking Preregulator con lm317
Moderatori:
carloc,
g.schgor,
BrunoValente,
IsidoroKZ
34 messaggi
• Pagina 1 di 4 • 1, 2, 3, 4
0
voti
GabrieleBe ha scritto:(..)chiedo gentilmente se qualcuno può spiegarmi il funzionamento del circuito Tracking Preregulator(..)
Bella domanda.
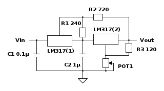
Per capirlo penso conviene prendere lo schema:
E siccome è noto il comportamento del secondo LM317 (il # 2), bisogna cercare di capire come si comporta il primo LM317, provando a ragionare su questo schema, così:
Si vede che lo schema è il classico del regolatore di tensione, e lo stesso regolatore (#1) usa come tensione di riferimento
..Ma ora è tardi per ulteriori ragionamenti.
Ciao.
4
voti
simo85 ha scritto: e lo stesso regolatore (#1) usa come tensione di riferimento..
Giusto, proprio così. Ma l'LM317 non sa a che potenziale è attaccato: il suo scopo nella vita è quello di mantenere tra il terminale di uscita e adj una differenza di potenziale pari a circa 1,25 V, il suo riferimento interno
.Quindi (abbreviando un po' la simbologia

It's a sin to write
instead of
(Anonimo).
...'cos you know that
ain't
, right?
You won't get a sexy tan if you write
in lieu of
.
Take a log for a fireplace, but don't take
for
arithm.
instead of
(Anonimo)....'cos you know that
ain't
, right?You won't get a sexy tan if you write
in lieu of
.Take a log for a fireplace, but don't take
for
arithm.-

DirtyDeeds
55,9k 7 11 13 - G.Master EY

- Messaggi: 7012
- Iscritto il: 13 apr 2010, 16:13
- Località: Somewhere in nowhere
2
voti
Come circuito non mi entusiasma molto, sposta la dissipazione quasi completamente sul primo regolatore, a meno che la tensione di ingresso non sia proprio pari a quella di uscita piu 6V.
Sarebbe interessante fare un circuito per ingresso a tensione elevata che distribuisa piu` o meno ugualmente le cadute di tensione sui due regolatori.
Ma scopo di questo messaggio e` un altro: guardate i valori di R1 e di R3: perche' proprio quelli?
Sarebbe interessante fare un circuito per ingresso a tensione elevata che distribuisa piu` o meno ugualmente le cadute di tensione sui due regolatori.
Ma scopo di questo messaggio e` un altro: guardate i valori di R1 e di R3: perche' proprio quelli?
Per usare proficuamente un simulatore, bisogna sapere molta più elettronica di lui
Plug it in - it works better!
Il 555 sta all'elettronica come Arduino all'informatica! (entrambi loro malgrado)
Se volete risposte rispondete a tutte le mie domande
Plug it in - it works better!
Il 555 sta all'elettronica come Arduino all'informatica! (entrambi loro malgrado)
Se volete risposte rispondete a tutte le mie domande
0
voti

"Non farei mai parte di un club che accettasse la mia iscrizione" (G. Marx)
-

claudiocedrone
21,3k 4 7 9 - Master EY

- Messaggi: 15303
- Iscritto il: 18 gen 2012, 13:36
0
voti
DirtyDeeds ha scritto:
Grazie per la spiegazione, ora mi è chiaro il funzionamento.
Per
Per quanto riguarda le resistenza citate, credo che servano a imporre una corrente che renda trascurabile quella in uscita dal pin adj, dell'ordine dei micro ampere, quindi per semplificare le formule.

-

GabrieleBe
55 1 4 - Messaggi: 37
- Iscritto il: 12 giu 2013, 16:06
- Località: Brescia, Italia
0
voti
GabrieleBe ha scritto:Per quanto riguarda le resistenza citate, credo che servano a imporre una corrente che renda trascurabile quella in uscita dal pin adj, dell'ordine dei micro ampere, quindi per semplificare le formule.
No, non è per quello, è una cosa legata a questo discorso.
It's a sin to write
instead of
(Anonimo).
...'cos you know that
ain't
, right?
You won't get a sexy tan if you write
in lieu of
.
Take a log for a fireplace, but don't take
for
arithm.
instead of
(Anonimo)....'cos you know that
ain't
, right?You won't get a sexy tan if you write
in lieu of
.Take a log for a fireplace, but don't take
for
arithm.-

DirtyDeeds
55,9k 7 11 13 - G.Master EY

- Messaggi: 7012
- Iscritto il: 13 apr 2010, 16:13
- Località: Somewhere in nowhere
1
voti
GabrieleBe ha scritto:Capito, grazie del chiarimento!
Quindi come mai hanno proprio quei valori?
It's a sin to write
instead of
(Anonimo).
...'cos you know that
ain't
, right?
You won't get a sexy tan if you write
in lieu of
.
Take a log for a fireplace, but don't take
for
arithm.
instead of
(Anonimo)....'cos you know that
ain't
, right?You won't get a sexy tan if you write
in lieu of
.Take a log for a fireplace, but don't take
for
arithm.-

DirtyDeeds
55,9k 7 11 13 - G.Master EY

- Messaggi: 7012
- Iscritto il: 13 apr 2010, 16:13
- Località: Somewhere in nowhere
34 messaggi
• Pagina 1 di 4 • 1, 2, 3, 4
Chi c’è in linea
Visitano il forum: Nessuno e 101 ospiti

Elettrotecnica e non solo (admin)
Un gatto tra gli elettroni (IsidoroKZ)
Esperienza e simulazioni (g.schgor)
Moleskine di un idraulico (RenzoDF)
Il Blog di ElectroYou (webmaster)
Idee microcontrollate (TardoFreak)
PICcoli grandi PICMicro (Paolino)
Il blog elettrico di carloc (carloc)
DirtEYblooog (dirtydeeds)
Di tutto... un po' (jordan20)
AK47 (lillo)
Esperienze elettroniche (marco438)
Telecomunicazioni musicali (clavicordo)
Automazione ed Elettronica (gustavo)
Direttive per la sicurezza (ErnestoCappelletti)
EYnfo dall'Alaska (mir)
Apriamo il quadro! (attilio)
H7-25 (asdf)
Passione Elettrica (massimob)
Elettroni a spasso (guidob)
Bloguerra (guerra)


