mi servirebbe un aiuto che per voi sarà sicuramente semplice semplice
Vi spiego in breve il mio quesito.
Volevo riprodurre un illuminatore circolare con led e potenziometro (per regolare il fascio luminoso) che avevo visto sul web ad un prezzo veramente esagerato secondo me:
Immagini cancellate. Le immagini da server esterni non sono ammesse.
Questo online non lo trovo a meno di 80€ con Alimentatore da 12V e Potenziometro.
poiché alla fine si tratta solo di Led ad Alta luminosità con relative resistenze, qualche transistor (forse) un trasformatore ed un potenziometro, non penso che facendomi il tutto "home-made" possa superare i 20€ :)
Il tutto mi servirebbe per metterlo intorno alla lente del microscopio così da fare luce sulla "provetta".
Quindi, vi pongo i miei quesiti (più tardi provo a buttare giù uno schema elettrico):
1. Avevo in mente di utilizzare, anzichè 72 LED ultraluminosi (mi sembrano un po' eccessivi), 10 o al massimo 20 Led Ultraluminosi Bianchi a luce Neutra, Voi cosa ne pensate? Possono bastare?
2. Ero partito con l'idea di acquistare un alimentatore a 12V (AC 220 V -> DC 12V) poi però ho pensato che forse sarebbe molto più "semplice" per iniziare, alimentare il circuito con una batteria a 12V (o anche a 9V). Voi che ne pensate? Quanta durata potrebbe avere? Io ho calcolato un assorbimento di 30mAh per Led, calcolando 20 LED mi esce fuori un assorbimento di circa 600mAh (le Resistenze vanno contate? :S )... Le batterie a 9V se non erro hanno circa 500mA... forse sarebbe meglio averne 2 in serie? O meglio ancora un alimentatore a 12V?
3. Pensate sia necessario un transistor NPN come amplificatore di corrente, oppure, visto la "semplicità" del circuito, potrebbero anche non servire?
Grazie mille ragazzi, spero mi possiate aiutare!
Saluti,
Daniele


Elettrotecnica e non solo (admin)
Un gatto tra gli elettroni (IsidoroKZ)
Esperienza e simulazioni (g.schgor)
Moleskine di un idraulico (RenzoDF)
Il Blog di ElectroYou (webmaster)
Idee microcontrollate (TardoFreak)
PICcoli grandi PICMicro (Paolino)
Il blog elettrico di carloc (carloc)
DirtEYblooog (dirtydeeds)
Di tutto... un po' (jordan20)
AK47 (lillo)
Esperienze elettroniche (marco438)
Telecomunicazioni musicali (clavicordo)
Automazione ed Elettronica (gustavo)
Direttive per la sicurezza (ErnestoCappelletti)
EYnfo dall'Alaska (mir)
Apriamo il quadro! (attilio)
H7-25 (asdf)
Passione Elettrica (massimob)
Elettroni a spasso (guidob)
Bloguerra (guerra)



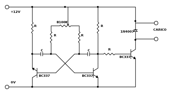
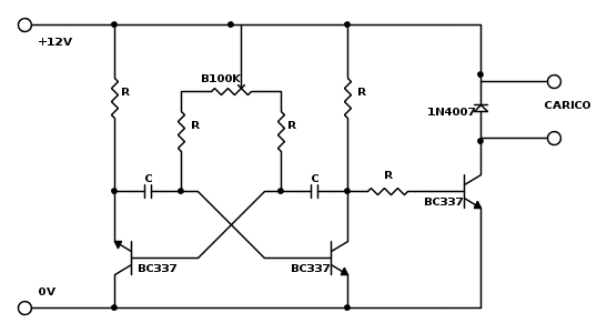
In questo caso però come potrei utilizzarlo? Non potrebbe essere più pratico e semplice usare un comune potenziometro per variare la luminosità? 



