Ciao a tutti,
mi è sorta la necessità di effettuare un bilanciamento del pacco batterie della mia Elettra svincolandomi dal suo CB.
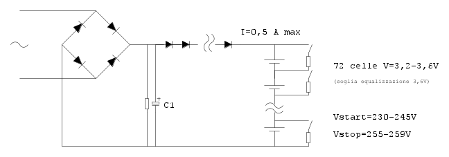
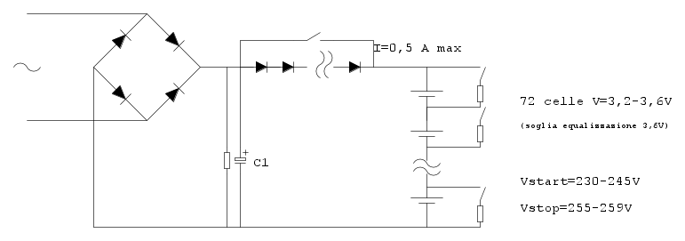
Si tratta di 72 celle LiFeYPO4, la corrente di bilanciamento deve essere di 0,5A max e quindi mi viene subito in mente un circuito semplicissimo:
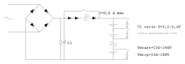
I diodi serie servirebbero semplicemente per limitare la corrente iniziale e potrebbero essere disinseribili a gruppi mediante un interruttore in parallelo a essi:
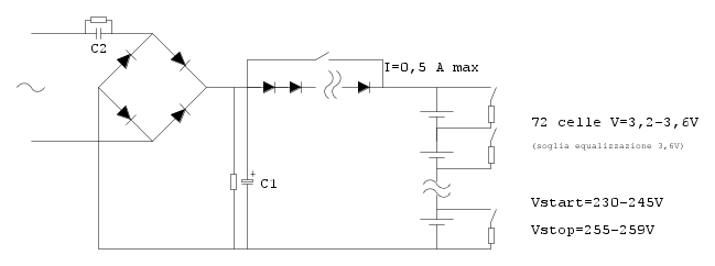
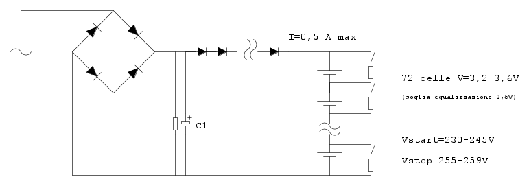
In alternativa o comunque per ridurre il numero di diodi necessari potrei usare uno schema simile a quello presente in alcune lampadine a lunghe serie di LED, con partitore capacitivo C1-C2:
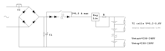
E infine l'ipotesi più completa, con aggiunto un regolatore tipo LM per avere una corrente max precisa senza dover fare troppi tentativi:
diodi e partitore capacitivo li metterei comunque per ottenere in modo semplice una riduzione della I quando la tensione di batteria raggiunge il valore massimo di 260V, per non surriscaldare il circuito di bilanciamento con 130W da disipare.
Che ne dite? E comunque tutta sta premessa per chiedervi: esistono alimentatorini da pochi euro già pronti, tipo i classici driver per LED?
Alimentatore 220 V AC -> 260V DC per bilanciamento batteria
Moderatori:
carloc,
g.schgor,
BrunoValente,
IsidoroKZ
37 messaggi
• Pagina 1 di 4 • 1, 2, 3, 4
0
voti
I diodi in serie al limite abbassano un pochino la tensione, 0.7V, 0.6V, dipende dal diodo..
In base a quale motivo dovrebbero limitare la corrente? Tant'è che se ne passa troppa diventano roventi e si bruciano... Forse intendevi dire una resistenza di potenza, ma in ogni caso è un pionierismo assurdo dato che si possono usare integrati progettati appositamente.
Io ho costruito tempo fa un carica batterie LiPo bilanciato con un MCP73831/2 per ogni cella ottenendo l'ottimo risultato di ricarica contemporanea di tutte le celle senza Round-Robin e roba varia. Questo è stato possibile alimentando singolarmente ogni MCP73831/2 con un proprio mini alimentatore da PCB, si comprano su ebay dalla Cina (con furore) a un paio di euro l'uno.
In base a quale motivo dovrebbero limitare la corrente? Tant'è che se ne passa troppa diventano roventi e si bruciano... Forse intendevi dire una resistenza di potenza, ma in ogni caso è un pionierismo assurdo dato che si possono usare integrati progettati appositamente.
Io ho costruito tempo fa un carica batterie LiPo bilanciato con un MCP73831/2 per ogni cella ottenendo l'ottimo risultato di ricarica contemporanea di tutte le celle senza Round-Robin e roba varia. Questo è stato possibile alimentando singolarmente ogni MCP73831/2 con un proprio mini alimentatore da PCB, si comprano su ebay dalla Cina (con furore) a un paio di euro l'uno.
0
voti
Qui non si parla di un modellino ma di un'auto vera... e il CB originale a bordo va benone, solo non era fatto per bilanciare le litio.
Avevo pensato ai diodi ma in effetti anche resistenze dovrebbero andare bene, devo fare due conti.
Limitano la corrente per il semplice fatto che riducono il deltaV tra uscita del ponte e batterie sotto carica...come qualsiasi R o diodo serie.
Avevo pensato ai diodi ma in effetti anche resistenze dovrebbero andare bene, devo fare due conti.
Limitano la corrente per il semplice fatto che riducono il deltaV tra uscita del ponte e batterie sotto carica...come qualsiasi R o diodo serie.
0
voti
aldo gli integrati li ho già usati, se ti interessa qui riassumo tutto quello che ho fatto a riguardo:
viewtopic.php?f=53&t=52354&start=20#p541694
Gli interruttori + R in parallelo a ogni cella simboleggiano proprio il circuito di equalizzazione già realizzato.
A me serve solo un alimentatore da 0,5A, per ora non ho trovato il tempo di dialogare in maniera affidabile col CB a bordo, fato per batterie Pb e senza equalizzazione...
viewtopic.php?f=53&t=52354&start=20#p541694
Gli interruttori + R in parallelo a ogni cella simboleggiano proprio il circuito di equalizzazione già realizzato.
A me serve solo un alimentatore da 0,5A, per ora non ho trovato il tempo di dialogare in maniera affidabile col CB a bordo, fato per batterie Pb e senza equalizzazione...
0
voti
Va bene, nulla da ridire se hai trovato il modo di farti il corretto algoritmo di carica e poi di mantenimento/top-up.
Strano che ora il problema ora sia solo questo considerato la portata dell'argomento.
Se ti può aiutare io ho acquistato una trentina di questi alimentatori da PCB cinesi
http://www.ebay.it/itm/231457376248?var=530717969933
richiurci ha scritto:A me serve solo un alimentatore da 0,5A
Strano che ora il problema ora sia solo questo considerato la portata dell'argomento.
Se ti può aiutare io ho acquistato una trentina di questi alimentatori da PCB cinesi
http://www.ebay.it/itm/231457376248?var=530717969933
Ultima modifica di
aldofad il 25 gen 2015, 21:57, modificato 1 volta in totale.
2
voti
Il problema che hai e` risolvibile ma non e` immediato, e dalle soluzioni che proponi mi sembra che non abbia le conoscenze necessarie per fare qualcosa di ragionevole.
Una soluzione pulita sarebbe un buck, magari sincrono, fatto con uno half bridge driver, controllato in current mode, con rampa di compensazione per garantire una corrente di uscita controllata. Detto in due parole: un casino
Una soluzione pulita sarebbe un buck, magari sincrono, fatto con uno half bridge driver, controllato in current mode, con rampa di compensazione per garantire una corrente di uscita controllata. Detto in due parole: un casino
Per usare proficuamente un simulatore, bisogna sapere molta più elettronica di lui
Plug it in - it works better!
Il 555 sta all'elettronica come Arduino all'informatica! (entrambi loro malgrado)
Se volete risposte rispondete a tutte le mie domande
Plug it in - it works better!
Il 555 sta all'elettronica come Arduino all'informatica! (entrambi loro malgrado)
Se volete risposte rispondete a tutte le mie domande
0
voti
@aldo: si li conosco ma immagini cosa vorrebbe dire comprarne e usarne 72... perché ho già qualche alimentatore per equalizzarle singolarmente...
Non so magari ne esistono con uscita intorno ai 250V ma non credo...
@isidoro: non è che mi manchino le conoscenze, ma appunto non voglio imbarcarmi in un progetto complesso per qualcosa di uso molto saltuario e probabilmente provvisorio.
Forse non ricordi ma avevi anche commentato i miei circuiti di equalizzazione in questo 3d:
viewtopic.php?f=53&t=44004#p403889
Al momento per motivi di sicurezza e tempo evitano però solo danneggiamenti rallentando e poi stoppando la carica, ma non riescono a equalizzare squilibri notevoli.
Ecco perché l'esigenza di un CB semplice da 0,5 A, da usare ogni qualche mese (infatti in questi giorni ho fatto la prima equalizzazione manuale dopo 2 anni...
Non so magari ne esistono con uscita intorno ai 250V ma non credo...
@isidoro: non è che mi manchino le conoscenze, ma appunto non voglio imbarcarmi in un progetto complesso per qualcosa di uso molto saltuario e probabilmente provvisorio.
Forse non ricordi ma avevi anche commentato i miei circuiti di equalizzazione in questo 3d:
viewtopic.php?f=53&t=44004#p403889
Al momento per motivi di sicurezza e tempo evitano però solo danneggiamenti rallentando e poi stoppando la carica, ma non riescono a equalizzare squilibri notevoli.
Ecco perché l'esigenza di un CB semplice da 0,5 A, da usare ogni qualche mese (infatti in questi giorni ho fatto la prima equalizzazione manuale dopo 2 anni...
37 messaggi
• Pagina 1 di 4 • 1, 2, 3, 4
Chi c’è in linea
Visitano il forum: Nessuno e 121 ospiti

Elettrotecnica e non solo (admin)
Un gatto tra gli elettroni (IsidoroKZ)
Esperienza e simulazioni (g.schgor)
Moleskine di un idraulico (RenzoDF)
Il Blog di ElectroYou (webmaster)
Idee microcontrollate (TardoFreak)
PICcoli grandi PICMicro (Paolino)
Il blog elettrico di carloc (carloc)
DirtEYblooog (dirtydeeds)
Di tutto... un po' (jordan20)
AK47 (lillo)
Esperienze elettroniche (marco438)
Telecomunicazioni musicali (clavicordo)
Automazione ed Elettronica (gustavo)
Direttive per la sicurezza (ErnestoCappelletti)
EYnfo dall'Alaska (mir)
Apriamo il quadro! (attilio)
H7-25 (asdf)
Passione Elettrica (massimob)
Elettroni a spasso (guidob)
Bloguerra (guerra)







