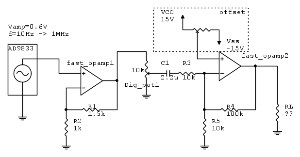
Avevo in mente di progettare un semplice generatore di funzioni...
Ho trovato in rete l'integrato AD9833 (datasheet); questo integrato genera onde sinusoidali, quadre e trangolari.
Il "problema" è che l'ampiezza del segnale e sempre fissa a
e ha quindi un offset fisso di
, quello che vorrei ottenere è un sistema in grado di generarmi segnali con e senza offset con un ampiezza massima di ca.
e che una banda di 1Mhz circa; ho quindi pensato ad un schema del genere:Gli OPAMP devono essere con una banda larga e con uno slew rate poco marcato(come questi).
Il filtro dovrebbe tagliare intorno ai 10Hz... giusto per togliere la componente in DC.
Secondo voi cosa non va in questa soluzione? Ad esempio... i potenziometri sono dei potenziometri digitali e hanno una banda ristretta, cosa si può fare per migliorarla o ci sono altre soluzioni?
Grazie

Elettrotecnica e non solo (admin)
Un gatto tra gli elettroni (IsidoroKZ)
Esperienza e simulazioni (g.schgor)
Moleskine di un idraulico (RenzoDF)
Il Blog di ElectroYou (webmaster)
Idee microcontrollate (TardoFreak)
PICcoli grandi PICMicro (Paolino)
Il blog elettrico di carloc (carloc)
DirtEYblooog (dirtydeeds)
Di tutto... un po' (jordan20)
AK47 (lillo)
Esperienze elettroniche (marco438)
Telecomunicazioni musicali (clavicordo)
Automazione ed Elettronica (gustavo)
Direttive per la sicurezza (ErnestoCappelletti)
EYnfo dall'Alaska (mir)
Apriamo il quadro! (attilio)
H7-25 (asdf)
Passione Elettrica (massimob)
Elettroni a spasso (guidob)
Bloguerra (guerra)




e una banda di guadagno unitario 


