Il video del circuito è questo:
https://www.youtube.com/watch?v=gOLCdNUwTCs
Qui c'è una guida illustrata con la lista componenti:
https://nbg-web01.opitec.com/img/110/110/110110bi.pdf
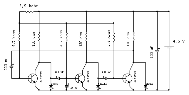
E qui riporto il circuito il fidocadJ
Ho tentato per ben 4 volte ma ottengo sempre lo stesso risultato, quindi sono arrivato alla conclusione che probabilmente ho sbagliato qualcosa nell'acquisto dei componenti.
Ecco la lista dei componenti che ho acquistato:
Condensatore elettrolitico 100uF 16V - 105 °:
http://www.ebay.it/itm/381425378673?_trksid=p2057872.m2749.l2649&ssPageName=STRK%3AMEBIDX%3AIT
Condensatore elettrolitico 10uF 25V - 105 °:
http://www.ebay.it/itm/151836523524?_tr ... EBIDX%3AIT
Condensatore elettrolitico 220uF 16V - 105 °:
http://www.ebay.it/itm/151836463967?_tr ... EBIDX%3AIT
TRANSISTOR BC547C NPN 50V 0,1A TO92:
http://www.ebay.it/itm/151836528031?_tr ... EBIDX%3AIT
RESISTENZE 1/4W 150 OHM 5%:
http://www.ebay.it/itm/151836415196?_tr ... EBIDX%3AIT
RESISTENZE 1/4W 3,9 kohm 5%:
http://www.ebay.it/itm/151836415981?_tr ... EBIDX%3AIT
RESISTENZE 1/4W 4,7 kohm 5%:
http://www.ebay.it/itm/151836416014?_tr ... EBIDX%3AIT
RESISTENZE 1/4W 130 OHM 5%:
http://www.ebay.it/itm/151836424917?_tr ... EBIDX%3AIT
RESISTENZE 1/4W 5,6 kohm 5%:
http://www.ebay.it/itm/381425326304?_tr ... EBIDX%3AIT
Ho comperato il transistor BC547C invece del BC547B perché sapevo che l'ultima lettera è solo la configurazione di vendita per il negoziante e non influisce sul componente, e poi ho notato che il condensatore da 100uF che ho io è più grande di dimensioni non so se tutto questo può influire....spero che qualcuno con occhio esperto possa aiutarmi...grazie mille


Elettrotecnica e non solo (admin)
Un gatto tra gli elettroni (IsidoroKZ)
Esperienza e simulazioni (g.schgor)
Moleskine di un idraulico (RenzoDF)
Il Blog di ElectroYou (webmaster)
Idee microcontrollate (TardoFreak)
PICcoli grandi PICMicro (Paolino)
Il blog elettrico di carloc (carloc)
DirtEYblooog (dirtydeeds)
Di tutto... un po' (jordan20)
AK47 (lillo)
Esperienze elettroniche (marco438)
Telecomunicazioni musicali (clavicordo)
Automazione ed Elettronica (gustavo)
Direttive per la sicurezza (ErnestoCappelletti)
EYnfo dall'Alaska (mir)
Apriamo il quadro! (attilio)
H7-25 (asdf)
Passione Elettrica (massimob)
Elettroni a spasso (guidob)
Bloguerra (guerra)









