Cos'è ElectroYou | Login Iscriviti

ElectroYou - la comunità dei professionisti del mondo elettrico

Dimmer TRIAC o SCR?

Elettronica lineare e digitale: didattica ed applicazioni

Moderatori: Foto Utentecarloc, Foto Utenteg.schgor, Foto UtenteBrunoValente, Foto UtenteIsidoroKZ

0
voti

[1] Dimmer TRIAC o SCR?

Messaggioda Foto Utentelucaking » 17 nov 2015, 8:45

E cosi ho dovuto crearmi un' altro project, questa volta la sceta è caduta sul classico dimmer per regolare la velocita di un trapano 220 V ac da circa 650 W.
Premetto che non ho bisogno di un dimmer gia fatto, se cosi fosse ne avrei gia acquistato uno. :-)
Ho solo la dannata necessita di costruire qualcosa per mettere in pratica almeno parte di cio che leggo e studio, e soprattutto capire come funziona.
Di schemi ne ho trovati mille, e la domanda del neofita è sorta spontanea, ma navigando non ho trovato risposta:
Che differenza c' è tra gli schemi a triac e quelli a scr?
Quali sono piu adatti ad un carico induttivo?
Avatar utente
Foto Utentelucaking
1.651 4 5 8
Expert
Expert
 
Messaggi: 1445
Iscritto il: 29 mag 2015, 14:28

6
voti

[2] Re: Dimmer TRIAC o SCR?

Messaggioda Foto UtenteIsidoroKZ » 17 nov 2015, 8:57

SCR per i motori, Triac per i carichi resistivi.
Per usare proficuamente un simulatore, bisogna sapere molta più elettronica di lui
Plug it in - it works better!
Il 555 sta all'elettronica come Arduino all'informatica! (entrambi loro malgrado)
Se volete risposte rispondete a tutte le mie domande
Avatar utente
Foto UtenteIsidoroKZ
121,2k 1 3 8
G.Master EY
G.Master EY
 
Messaggi: 21059
Iscritto il: 17 ott 2009, 0:00

3
voti

[3] Re: Dimmer TRIAC o SCR?

Messaggioda Foto UtenteCandy » 17 nov 2015, 9:04

Quando il carico è induttivo e soprattutto con le componeti resistiva ed induttiva variabili tra loro, si preferisce usare dei regolatori semplici con solo SCR. Si ha lo svantaggio che si perde parte della tensione massima a disposizione e quindi si ha una regolazione incompleta, ma di contro il regolatore funziona sempre bene.

Questi regolatori che usano i tiristori hanno il brutto vizio di spegnersi al cessare della corrente circolante. Se si usasse un TRIAC, il rischio che si inneschi automaticamente è molto forte, vanificando l'effetto regolante. Questo perché il regolatore in se è molto semplice.

Se si avesse la possibilità di renderlo più intelligente, o cambiando tecnica di lavoro, magari con un transistor PWM, il discorso sarebbe parecchio diverso.
Avatar utente
Foto UtenteCandy
32,5k 7 10 13
CRU - Account cancellato su Richiesta utente
 
Messaggi: 10123
Iscritto il: 14 giu 2010, 22:54

0
voti

[4] Re: Dimmer TRIAC o SCR?

Messaggioda Foto Utentelucaking » 17 nov 2015, 10:57

Intanto grazie per le risposte, e soprattutto per la spiegazione che è quella che cercavo e che sul web non sono stato capace di trovare. :ok:

Candy ha scritto:Se si avesse la possibilità di renderlo più intelligente, o cambiando tecnica di lavoro, magari con un transistor PWM, il discorso sarebbe parecchio diverso.


Per le mie conoscenze questo mi risulta un po difficile, (anche perche non voglio soltanto costruirne uno, ma capirne il funzionamento) per questo volevo cominciare da questi piu semplici.

Gli altri spero in futuro... :-)

Candy ha scritto:Questi regolatori che usano i tiristori hanno il brutto vizio di spegnersi al cessare della corrente circolante. Se si usasse un TRIAC, il rischio che si inneschi automaticamente è molto forte, vanificando l'effetto regolante.


Vi ripeto, scusate l' ignoranza ma:
"al cessare della corrente circolante" significa quando la sinusoide passa per lo zero?
E questo il motivo per cui si usa il DIAC in serie al gate del TRIAC?
Avatar utente
Foto Utentelucaking
1.651 4 5 8
Expert
Expert
 
Messaggi: 1445
Iscritto il: 29 mag 2015, 14:28

0
voti

[5] Re: Dimmer TRIAC o SCR?

Messaggioda Foto UtenteEcoTan » 17 nov 2015, 13:38

lucaking ha scritto:"al cessare della corrente circolante" significa quando la sinusoide passa per lo zero?
E questo il motivo per cui si usa il DIAC in serie al gate del TRIAC?

No, significa proprio alla lettera: il dispositivo viene innescato cioè messo in conduzione da un impulso sul gate e rimane in conduzione finché va a zero la corrente sul dispositivo stesso, non la sinusoide di rete.
Il diac serve per rendere più definita la soglia di innesco.
Avatar utente
Foto UtenteEcoTan
7.720 4 12 13
Expert EY
Expert EY
 
Messaggi: 5427
Iscritto il: 29 gen 2014, 8:54

0
voti

[6] Re: Dimmer TRIAC o SCR?

Messaggioda Foto Utentelucaking » 18 nov 2015, 15:18

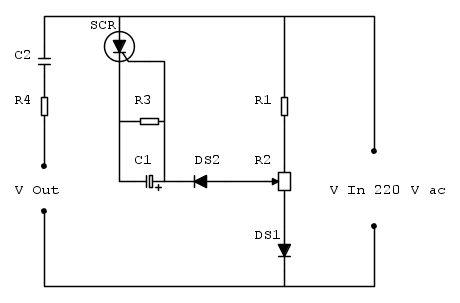
Ok, c' ho messo un poco perche ho dovuto approfondire l' argomento ma credo di aver capito, quindi qo cercato un po di schemi e questo mi pare il piu semplice e classico:



Non ho trovato spegazioni esaurienti sul funzionamento e quindi chiedo a voi:

Con questo sistema dimezzo la tensione massima ottenibile? (l' SCR lascia passare solo le semionde positive giusto?)

Il gruppo R4 C2 serve da filtro antidisturbo?
Avatar utente
Foto Utentelucaking
1.651 4 5 8
Expert
Expert
 
Messaggi: 1445
Iscritto il: 29 mag 2015, 14:28

0
voti

[7] Re: Dimmer TRIAC o SCR?

Messaggioda Foto UtenteIsidoroKZ » 18 nov 2015, 15:20

Dove hai trovato quello schema? Ha alcune cose che non vanno.
Per usare proficuamente un simulatore, bisogna sapere molta più elettronica di lui
Plug it in - it works better!
Il 555 sta all'elettronica come Arduino all'informatica! (entrambi loro malgrado)
Se volete risposte rispondete a tutte le mie domande
Avatar utente
Foto UtenteIsidoroKZ
121,2k 1 3 8
G.Master EY
G.Master EY
 
Messaggi: 21059
Iscritto il: 17 ott 2009, 0:00

0
voti

[8] Re: Dimmer TRIAC o SCR?

Messaggioda Foto UtenteEcoTan » 18 nov 2015, 16:10

Quel condensatore in serie al carico è proprio un errore. Uno schema simile è abbastanza diffuso ed è ottimo per regolare i trapani a mano perché tiene costante la velocità al variare della coppia resistente, però presenta due inconvenienti: non consente la piena velocità e richiede uno SCR ad alta sensibilità.
Avatar utente
Foto UtenteEcoTan
7.720 4 12 13
Expert EY
Expert EY
 
Messaggi: 5427
Iscritto il: 29 gen 2014, 8:54

0
voti

[9] Re: Dimmer TRIAC o SCR?

Messaggioda Foto Utentelucaking » 18 nov 2015, 18:00

Dovrebbe essere lo schema di un kit di NE, ma ripeto, non era molto ben spiegato.
Avatar utente
Foto Utentelucaking
1.651 4 5 8
Expert
Expert
 
Messaggi: 1445
Iscritto il: 29 mag 2015, 14:28

0
voti

[10] Re: Dimmer TRIAC o SCR?

Messaggioda Foto UtenteCandy » 18 nov 2015, 18:22

No, no, è proprio mal copiato...
Avatar utente
Foto UtenteCandy
32,5k 7 10 13
CRU - Account cancellato su Richiesta utente
 
Messaggi: 10123
Iscritto il: 14 giu 2010, 22:54

Prossimo

Torna a Elettronica generale

Chi c’è in linea

Visitano il forum: Nessuno e 75 ospiti