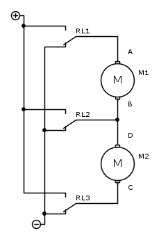
- Codice: Seleziona tutto
A B C D
RIPOSO - - - -
p1 + - - -
p2 - - + -
p3 - + + +
p4 + + - +
- Codice: Seleziona tutto
P1 + - - - + R1
P2 - - + - +R2
P3 - + + + +R2 +R3
P4 + + - + +R1 +R3
Moderatori:
carloc,
g.schgor,
BrunoValente,
IsidoroKZ
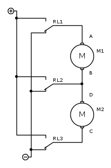
A B C D
RIPOSO - - - -
p1 + - - -
p2 - - + -
p3 - + + +
p4 + + - +
P1 + - - - + R1
P2 - - + - +R2
P3 - + + + +R2 +R3
P4 + + - + +R1 +R3












Visitano il forum: Nessuno e 236 ospiti