come amplificare un segnale negativo?
Moderatori:
carloc,
g.schgor,
BrunoValente,
IsidoroKZ
24 messaggi
• Pagina 1 di 3 • 1, 2, 3
0
voti
Salve a tutti. Ho bisogno di capire come poter amplificare il segnale negativo generato da un sensore d'urto per poter pilotare un relè! Il sensore è alimentato con una tensione di 12v e ho provato a collegare il catodo di un led al cavo che trasmette il segnale dal sensore ed ho notato che il led si accende emettendo una luce debole. Volendo pilotare un relè da 12v e 50mA circa,come posso utilizzar o amplificare questo segnale?grazie per l'attenzione!
-

heliodromos
45 2 - Messaggi: 31
- Iscritto il: 7 ott 2015, 14:36
1
voti
Se oil sensore è alimentato a +12V (rispetto al GND),
come fa a dare in uscita un segnale "negativo" (sempre
rispetto al GND)?
Hai un teste per misurarne il valore?
come fa a dare in uscita un segnale "negativo" (sempre
rispetto al GND)?
Hai un teste per misurarne il valore?
0
voti
supponendo che tu abbia collegato il led con L'anodo al +12V, si potrebbe pensare che sia un sensore open-collector che porta a massa l'uscita.
per leggere questo segnale potresti usare un transistor, PNP, però capisci che così come vedi accendersi la luce per brevissimi istanti farebbe così anche il relè, non riuscendo a chiudersi e non riuscendo neanche a pilotare qualche altra cosa, ti serve un circuito un po più complesso, che trasformi l'impulso di qualche millesimo di secondo in impulso di qualche secondo-minuti-od altro.
ti pare?
se non dai altre specifiche sarà difficile capire cosa ti serve.
saluti.
per leggere questo segnale potresti usare un transistor, PNP, però capisci che così come vedi accendersi la luce per brevissimi istanti farebbe così anche il relè, non riuscendo a chiudersi e non riuscendo neanche a pilotare qualche altra cosa, ti serve un circuito un po più complesso, che trasformi l'impulso di qualche millesimo di secondo in impulso di qualche secondo-minuti-od altro.
ti pare?
se non dai altre specifiche sarà difficile capire cosa ti serve.
saluti.
-

lelerelele
4.899 3 7 9 - Master

- Messaggi: 5505
- Iscritto il: 8 giu 2011, 8:57
- Località: Reggio Emilia
0
voti
Purtroppo non posso dare altre specifiche, poiché si tratta di un sensore facente parte di un antifurto moto madre in china. Ha una vite di regolazione della sensibilita ed ha tre cavi: +, -, Segnale. Non ho fatto misurazioni. Mi sono limitato a collegare un led senza resistenza con l'anodo ai 12 v ed il catodo al segnale. Muovendo il sensore si accende il led, ma emettendo una una luce non troppo intensa, rispetto alla luminosità che lo stesso può offrire. Come dici tu, immagino sia open collettore.. Mi piacerebbe poterlo riutilizzare collegato ad un relè, tutto qui. Se non si può fare, pazienza!
-

heliodromos
45 2 - Messaggi: 31
- Iscritto il: 7 ott 2015, 14:36
2
voti
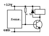
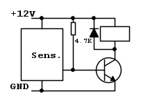
Puoi provare con questo circuito:
1
voti
heliodromos ha scritto:Non ho fatto misurazioni.mi sono limitato a collegare un led senza resistenza con l'anodo ai 12 V ed il catodo al segnale. Muovendo il sensore si accende il led, ma emettendo una una luce non troppo intensa, rispetto alla luminosità che lo stesso può offrire.
Se a seguito di un movimento il LED si "accende", mentre sta spento quando movimento non c'è, è sicuramente un uscita attiva bassa, non è detto che sia anche open collector ma è molto probabile. Purtroppo, collegando il LED senza resistenza potresti averla danneggiata, da qui la luce fioca...non è detto, forse ha semplicemente un pulldown con resistenza alta (o bassissima, e si è danneggiato il LED). In ogni caso, se vuoi che il relay rilasci in caso di movimento e stia sempre chiuso altrimenti, allora va bene il circuito di g.schor, altrimenti devi invertire la polarità del transistor...in caso, sai come fare?
_______________________________________________________
Gli oscillatori non oscillano mai, gli amplificatori invece sempre
Io HO i poteri della supermucca, e ne vado fiero!
Gli oscillatori non oscillano mai, gli amplificatori invece sempre
Io HO i poteri della supermucca, e ne vado fiero!
1
voti
lelerelele ha scritto:per leggere questo segnale potresti usare un transistor, PNP, però capisci che così come vedi accendersi la luce per brevissimi istanti farebbe così anche il relè, non riuscendo a chiudersi e non riuscendo neanche a pilotare qualche altra cosa, ti serve un circuito un po più complesso, che trasformi l'impulso di qualche millesimo di secondo in impulso di qualche secondo-minuti-od altro.
_______________________________________________________
Gli oscillatori non oscillano mai, gli amplificatori invece sempre
Io HO i poteri della supermucca, e ne vado fiero!
Gli oscillatori non oscillano mai, gli amplificatori invece sempre
Io HO i poteri della supermucca, e ne vado fiero!
0
voti
Per invertire la polarità intendi collegare l'emettitore al negativo ? come npn va bene un bc547 o un darlinghton bdx53?scusatemi ma ne so poco o niente di elettronica.
-

heliodromos
45 2 - Messaggi: 31
- Iscritto il: 7 ott 2015, 14:36
1
voti
obiuan ha scritto:lelerelele...sarò cecato io (cosa quasi certa in effetti), ma non trovo proprio scritto che il LED si accende per brevissimi istanti, ma solo che si accende poco.
Si, può anche benissimo essere che sia fuori di testa.....l'ho preso come certo che il segnale sia impulsivo considerato che la grandezza che va a misurare è una semplice forza applicata (inerzia), quindi difficilmente è costante (sarebbe data da una accelerazione costante), nello specifico misurando una vibrazione la forza sarà ondulatoria, quindi impulsiva.
L'effetto visivo del led sarebbe probabilmente lo stesso, anche nel caso che invece si tratti di un gradino sul sensore che non saturi l'uscita.
Ma posso anche sbagliarmi di grosso, non conosco il sensore.
saluti.
-

lelerelele
4.899 3 7 9 - Master

- Messaggi: 5505
- Iscritto il: 8 giu 2011, 8:57
- Località: Reggio Emilia
0
voti
Vorrei tanto avere le vostre stesse conoscenze, vi invidio! E vi ringrazio per il tempo che mi state dedicando!
-

heliodromos
45 2 - Messaggi: 31
- Iscritto il: 7 ott 2015, 14:36
24 messaggi
• Pagina 1 di 3 • 1, 2, 3
Chi c’è in linea
Visitano il forum: Nessuno e 267 ospiti

Elettrotecnica e non solo (admin)
Un gatto tra gli elettroni (IsidoroKZ)
Esperienza e simulazioni (g.schgor)
Moleskine di un idraulico (RenzoDF)
Il Blog di ElectroYou (webmaster)
Idee microcontrollate (TardoFreak)
PICcoli grandi PICMicro (Paolino)
Il blog elettrico di carloc (carloc)
DirtEYblooog (dirtydeeds)
Di tutto... un po' (jordan20)
AK47 (lillo)
Esperienze elettroniche (marco438)
Telecomunicazioni musicali (clavicordo)
Automazione ed Elettronica (gustavo)
Direttive per la sicurezza (ErnestoCappelletti)
EYnfo dall'Alaska (mir)
Apriamo il quadro! (attilio)
H7-25 (asdf)
Passione Elettrica (massimob)
Elettroni a spasso (guidob)
Bloguerra (guerra)


