Tester lampade ccfl per monitor e tv
Moderatori:
carloc,
g.schgor,
BrunoValente,
IsidoroKZ
23 messaggi
• Pagina 1 di 3 • 1, 2, 3
0
voti
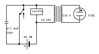
Questo tester l'ho studiato dopo che ho notato che molti hanno avuto il problema di testare le lampade ccfl dei monitor o dei televisori. E un circuito semplicissimo ed è costruibile con pochi componenti, Premetto che il relè potra variare tra 7 e 9V mentre il trasformatore tra 12 e 18v mentre la tensione di alimentazione varia a secondo del relè utilizzato. Il mio prototipo funziona a 9 volt egregemente.
-

elektronik
7.800 4 6 7 - Master

- Messaggi: 3836
- Iscritto il: 12 mag 2015, 22:26
0
voti
Io prima di pubblicarlo l'ho testato, credo che qui la frequenza giochi un ruolo importande e credo porti a dei picchi alti. Non essendo un tecnico non saprei darti una spiegazione scientifica, so solo che funziona. Se vuoi domani faccio una foto della lampada accesa e la posto. Ho fatto molti test non ha funzionato con relè a 12v e con trasformatori 6-9v ma con relè a 7 v con trasformatore 15v a me va che è una bellezza, da un po' fastidio la vibrazione del relè ma per quello che serve va benissimo. L'idea mi è venuta guardando circuiti per pesca elettica e in asia innalzano la tensione adoperando la bobina per puntine delle macchine e un trasformatore 12 - 220 V.


-

elektronik
7.800 4 6 7 - Master

- Messaggi: 3836
- Iscritto il: 12 mag 2015, 22:26
0
voti
elektronik ha scritto:da un po' fastidio la vibrazione del relè ma per quello che serve va benissimo
Non ho idea della frequenza di vibrazione del relè (che credo dipendente dalle impedenze del trafo e della bobina del relè) ma presumo sia abbastanza elevata; ebbene, non c'è il rischio che la durata del relè ne sia compromessa
0
voti
alev ha scritto: Non ho idea della frequenza di vibrazione del relè (che credo dipendente dalle impedenze del trafo e della bobina del relè) ma presumo sia abbastanza elevata; ebbene, non c'è il rischio che la durata del relè ne sia compromessaanche perché la corrente sul primario (e sul contatto mobile del relè) non credo sia bassa
E vero, ma se pensi che il test si fa con un pulsante e il neon si accende in una manciata di secondi che bastano per constatare la bontà della lampada cfl non credo che al relè succeda nulla anche se resta accesa per alcuni minuti. Ricordo che non l'ho costruita per illuminarci la casa!!!.
-

elektronik
7.800 4 6 7 - Master

- Messaggi: 3836
- Iscritto il: 12 mag 2015, 22:26
0
voti
Scusate ma mi ero sbagliato, per quando riguarda il trasformatore il mio e si 15V ma con presa centrale quindi io ho adoperato 7.5V e il relè da 7V condensatore 1uF mentre la tensione di lavoro tra 9 e 12v. Con alimentazione a 9v il tester mi legge 260v alternati. a 12v mi legge circa 360v. La sinusoide e per modo di dire una sinusoide, con l'oscilloscopio esce qualcosa di incomprensibile. l'aggeggio funziona e accende anche i comuni neon. credo che uno si può sbizzarrire adattandolo come vuole. Con 5 minuti di lavoro uno si costruisce un tester semplice e comodo.
-

elektronik
7.800 4 6 7 - Master

- Messaggi: 3836
- Iscritto il: 12 mag 2015, 22:26
1
voti
alev ha scritto:elektronik ha scritto:Sono curioso, puoi mettere una foto![]()
Per adesso pubblico le foto che indicano che il circuito funziona veramente.
-

elektronik
7.800 4 6 7 - Master

- Messaggi: 3836
- Iscritto il: 12 mag 2015, 22:26
23 messaggi
• Pagina 1 di 3 • 1, 2, 3
Chi c’è in linea
Visitano il forum: Nessuno e 88 ospiti

Elettrotecnica e non solo (admin)
Un gatto tra gli elettroni (IsidoroKZ)
Esperienza e simulazioni (g.schgor)
Moleskine di un idraulico (RenzoDF)
Il Blog di ElectroYou (webmaster)
Idee microcontrollate (TardoFreak)
PICcoli grandi PICMicro (Paolino)
Il blog elettrico di carloc (carloc)
DirtEYblooog (dirtydeeds)
Di tutto... un po' (jordan20)
AK47 (lillo)
Esperienze elettroniche (marco438)
Telecomunicazioni musicali (clavicordo)
Automazione ed Elettronica (gustavo)
Direttive per la sicurezza (ErnestoCappelletti)
EYnfo dall'Alaska (mir)
Apriamo il quadro! (attilio)
H7-25 (asdf)
Passione Elettrica (massimob)
Elettroni a spasso (guidob)
Bloguerra (guerra)


