Risolvere problema mediante alimentatore switching
Moderatori:
carloc,
g.schgor,
BrunoValente,
IsidoroKZ
23 messaggi
• Pagina 1 di 3 • 1, 2, 3
0
voti
Salve a tutti, ho comprato dalla cina un led da 100w ma viste le tensioni non indifferenti (36v) e anche la corrente (poco meno di 5A) ho la necessitá di alimentarlo evitando i sistemi tradizionali giá esistenti. Premetto che non ho molte conoscenze in campo, ma mentre ci sono vorrei ampliare le mie conoscenze. Ho pensato di utilizzare il sistema dei convertitori DC/DC step-down per portare la tensione continua (230v) raddrizzata da un ponte diodi a 36V. Ho pensato di adottare questo sistema in quanto (penso) mi possa permettere di abbassare la tensione evitando di avere consumi "extra" elevati da parte del circuito. Cosa ne pensate? Alcuni componenti li ho (tipo il transistor che vorrei usare di cui non ricordo la sigla, ma so per certo che riesce a lavorare a tensioni superiori a 400V e riesce a supportare oltre i 6A di carico). Cosa ne pensate?
-

daniele1996
610 3 8 11 - Sostenitore

- Messaggi: 1554
- Iscritto il: 29 ago 2011, 11:29
0
voti
De gustibus...
Comunque:
1.- Premetto che non ho molte conoscenze in campo
Come pensi di poter realizzare, allora, un AC/DC smps da quasi 200W?
2.- ma mentre ci sono vorrei ampliare le mie conoscenze.
Questa è cosa buona e giusta, ma nel frattempo l'smps da 200W resta utopistico.
Anche perché:
3. -Ho pensato di utilizzare il sistema dei convertitori DC/DC step-down per portare la tensione continua (230v)
E questa come la ottieni?
4. - raddrizzata da un ponte diodi a 36V.
Ohibo!. Come passi da 230Vca della rete a 36V? Ci devi mettere un trasformatore.
Oppure realizzi l'smps AC/DC di cui ai punti precedenti, che sarà probabilmente un flyback. E come pensi di risolvere anche solo il problema del trasformatore dello switch che in commercio non c'è?
5. -Ho pensato ... Cosa ne pensate?
Il mio pensiero dovrebbe essere chiaro...
6. - Alcuni componenti li ho ... Cosa ne pensate?
Personalmente penso che è come dire che hai scarse conoscenze di meccanica, ma , avendo a disposizione un pistone e qualche bullone, vorresti costruire un motore fuoribordo da 200CV.
Però, se ritieni di poter realizzare cose del genere:
http://www.richtek.com/selection-guide/ ... yback.html
https://www.digikey.com/reference-desig ... output/401
http://www.linear.com/solutions/5071
sopratutto spendendo meno di un prodotto commerciale, non tenere conto di quanto ho detto.
Comunque:
1.- Premetto che non ho molte conoscenze in campo
Come pensi di poter realizzare, allora, un AC/DC smps da quasi 200W?
2.- ma mentre ci sono vorrei ampliare le mie conoscenze.
Questa è cosa buona e giusta, ma nel frattempo l'smps da 200W resta utopistico.
Anche perché:
3. -Ho pensato di utilizzare il sistema dei convertitori DC/DC step-down per portare la tensione continua (230v)
E questa come la ottieni?
4. - raddrizzata da un ponte diodi a 36V.
Ohibo!. Come passi da 230Vca della rete a 36V? Ci devi mettere un trasformatore.
Oppure realizzi l'smps AC/DC di cui ai punti precedenti, che sarà probabilmente un flyback. E come pensi di risolvere anche solo il problema del trasformatore dello switch che in commercio non c'è?
5. -Ho pensato ... Cosa ne pensate?
Il mio pensiero dovrebbe essere chiaro...
6. - Alcuni componenti li ho ... Cosa ne pensate?
Personalmente penso che è come dire che hai scarse conoscenze di meccanica, ma , avendo a disposizione un pistone e qualche bullone, vorresti costruire un motore fuoribordo da 200CV.
Però, se ritieni di poter realizzare cose del genere:
http://www.richtek.com/selection-guide/ ... yback.html
https://www.digikey.com/reference-desig ... output/401
http://www.linear.com/solutions/5071
sopratutto spendendo meno di un prodotto commerciale, non tenere conto di quanto ho detto.
-

Brianz
5.828 5 10 - CRU - Account cancellato su Richiesta utente
- Messaggi: 858
- Iscritto il: 24 mar 2016, 11:27
0
voti
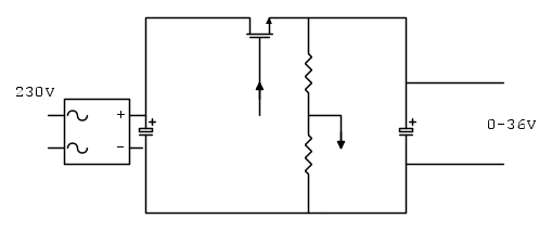
Non ho fatto uno schema, ma rileggendo quello che ho scritto penso che si capisca che il ponte diodi va sulla 220, il transistor dopo il ponte e dopo il transistor si puo prelevare la 36V...
Il led mi arriverá tra un mese quindi ho tutto il tempo per farlo... mo faccio una bozza dello schema cosí vi mostro la mia idea. Nel sistema vorrei implementare uno di quei attiny dip8 che mi permette di avere un'uscita PWM (che va al transistor) ed anche un ingresso analogico, che mi permetterebbe grazie ad un partitorr di tensione, di regolare il duty cycle che va al transistor, e quindi di accendere gradualmente il led e di poterlo dimmerare in modo piú semplice
Il led mi arriverá tra un mese quindi ho tutto il tempo per farlo... mo faccio una bozza dello schema cosí vi mostro la mia idea. Nel sistema vorrei implementare uno di quei attiny dip8 che mi permette di avere un'uscita PWM (che va al transistor) ed anche un ingresso analogico, che mi permetterebbe grazie ad un partitorr di tensione, di regolare il duty cycle che va al transistor, e quindi di accendere gradualmente il led e di poterlo dimmerare in modo piú semplice
-

daniele1996
610 3 8 11 - Sostenitore

- Messaggi: 1554
- Iscritto il: 29 ago 2011, 11:29
0
voti
A prima vista mi verrebbe da dire che:
- se metti un grosso elettrolitico di livellamento in uscita, devi monitorare anche la corrente perché il sistema parte in corto circuito
- altrimenti avrai grosse fluttuazioni della tensione in uscita, sia a frequenza di rete che alla frequenza del PWM, buon divertimento col software. Sto facendo anch'io qualcosa di peggio ma isolato in uscita. Occhio alle scosse.
- se metti un grosso elettrolitico di livellamento in uscita, devi monitorare anche la corrente perché il sistema parte in corto circuito
- altrimenti avrai grosse fluttuazioni della tensione in uscita, sia a frequenza di rete che alla frequenza del PWM, buon divertimento col software. Sto facendo anch'io qualcosa di peggio ma isolato in uscita. Occhio alle scosse.
0
voti
Mi sbagliavo, non è un transistor ma unmosfet N-Channel
questo è quello che ho pensato io, che ne pensi? i valori delle due resistenze vanno dimensionate, ma comunque saranno dell'ordine dei kohm, in quanto la corrente che deve transitare deve essere minima anche perché il micro deve solo leggere la tensione nel nodo tra le due resistenze. Non capisco cosa intendi dicendo che parte in corto circuito, se il MOS non ha un valore in ingresso, non fa transitare la corrente, ed il condensatore non si carica, successivamente per caricare il condensatore, (a mio parere) basta partire da un duty cycle basso ed aumentarlo gradualmente fino a quando nell'ingresso non legge il valore corrispondente alla tensione desiderata... Ho fatto queste "presupposizioni" non conoscendo bene il settore degli alimentatori. Grazie di tutto :)
questo è quello che ho pensato io, che ne pensi? i valori delle due resistenze vanno dimensionate, ma comunque saranno dell'ordine dei kohm, in quanto la corrente che deve transitare deve essere minima anche perché il micro deve solo leggere la tensione nel nodo tra le due resistenze. Non capisco cosa intendi dicendo che parte in corto circuito, se il MOS non ha un valore in ingresso, non fa transitare la corrente, ed il condensatore non si carica, successivamente per caricare il condensatore, (a mio parere) basta partire da un duty cycle basso ed aumentarlo gradualmente fino a quando nell'ingresso non legge il valore corrispondente alla tensione desiderata... Ho fatto queste "presupposizioni" non conoscendo bene il settore degli alimentatori. Grazie di tutto :)
-

daniele1996
610 3 8 11 - Sostenitore

- Messaggi: 1554
- Iscritto il: 29 ago 2011, 11:29
0
voti
daniele1996 ha scritto:che ne pensi?
Nel tuo schema mancano l'induttanza e il diodo di recupero. Il MosFet di solito si rappresenta in un altro modo, quello sembra un j-fet.
Il soft start può essere un'idea ma è da sperimentare nelle diverse condizioni.
Io mi fermo qui, secondo me siamo lontani dall'obiettivo.
0
voti
Si, il simbolo é sbagliato perché non c'é su fidocad, a cosa serve il diodo di recupero? Lo schema l ho disegnato secondo le mie conoscenze nel campo degli alimentatori, potresti spiegarmi a cosa servono quei componenti in questo caso?
-

daniele1996
610 3 8 11 - Sostenitore

- Messaggi: 1554
- Iscritto il: 29 ago 2011, 11:29
23 messaggi
• Pagina 1 di 3 • 1, 2, 3
Chi c’è in linea
Visitano il forum: Nessuno e 121 ospiti

Elettrotecnica e non solo (admin)
Un gatto tra gli elettroni (IsidoroKZ)
Esperienza e simulazioni (g.schgor)
Moleskine di un idraulico (RenzoDF)
Il Blog di ElectroYou (webmaster)
Idee microcontrollate (TardoFreak)
PICcoli grandi PICMicro (Paolino)
Il blog elettrico di carloc (carloc)
DirtEYblooog (dirtydeeds)
Di tutto... un po' (jordan20)
AK47 (lillo)
Esperienze elettroniche (marco438)
Telecomunicazioni musicali (clavicordo)
Automazione ed Elettronica (gustavo)
Direttive per la sicurezza (ErnestoCappelletti)
EYnfo dall'Alaska (mir)
Apriamo il quadro! (attilio)
H7-25 (asdf)
Passione Elettrica (massimob)
Elettroni a spasso (guidob)
Bloguerra (guerra)


