con l' idea di giocare con la porta parallela di un vecchio PC ho cercato di studiare e fare un po di pratica con i fototransistor ed i ponti ad H.
Ho fatto qualche prova con quello che avevo in casa, e affrontati singolarmente gli argomenti credevo di aver capito quanto bastava per comandare di un piccolo motore DC tramite la parallella del PC.
Infatti, alimentando ponte ad H e motore con una pila a 9V (8.1V sotto carico) sul motore giungevano circa 7,3V in entrambi i sensi di rotazione, (credo sia all' incirca cio che si puo ottenere con un ponte a BJT), e pilotando il fototransistor con un segnale da 3,5V (circa quello che erogano i pin data della mia parallela) riuscivo ad accendere il mio bel led.
I problemi sono sorti quando ho voluto aggiungere gli optoisolatori (PC357N)
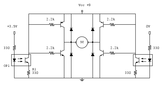
Il circuito che ho partorito dopo lungo peregrinare, e del quale non sono totalmente convinto è il seguente:
Con questo circuito al motore giungono solo 6,2V, ovviamente il motore gira piano e i transistor scaldano.
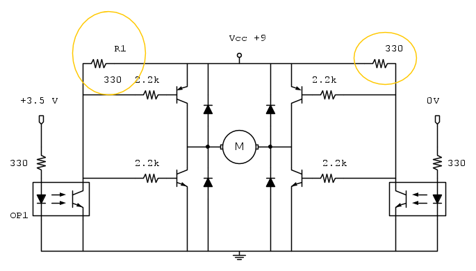
Credo che il problema derivi dal fatto che, quando OP1 è in conduzione, le basi dei due transistor di sinistra non vanno mai a 0V perche su R1 cadono circa 1,3V.
Ha senso il ragionamento?
C'è un modo corretto per fare quello che sto cercando di fare con i componenti che sto usando?
Il motore che uso assorbe 40 mA a 9V, e i BJT sono dei BC547c e BC557c, forse sono un po "giusti" ma come ripeto vuole essere piu un esperienza didattica che un progetto finito.
Mi piacerebbe piu che altro imparare il modo corretto per progettare e dimensionare un sistema del genere.
Grazie per l' attenzione.

Elettrotecnica e non solo (admin)
Un gatto tra gli elettroni (IsidoroKZ)
Esperienza e simulazioni (g.schgor)
Moleskine di un idraulico (RenzoDF)
Il Blog di ElectroYou (webmaster)
Idee microcontrollate (TardoFreak)
PICcoli grandi PICMicro (Paolino)
Il blog elettrico di carloc (carloc)
DirtEYblooog (dirtydeeds)
Di tutto... un po' (jordan20)
AK47 (lillo)
Esperienze elettroniche (marco438)
Telecomunicazioni musicali (clavicordo)
Automazione ed Elettronica (gustavo)
Direttive per la sicurezza (ErnestoCappelletti)
EYnfo dall'Alaska (mir)
Apriamo il quadro! (attilio)
H7-25 (asdf)
Passione Elettrica (massimob)
Elettroni a spasso (guidob)
Bloguerra (guerra)











