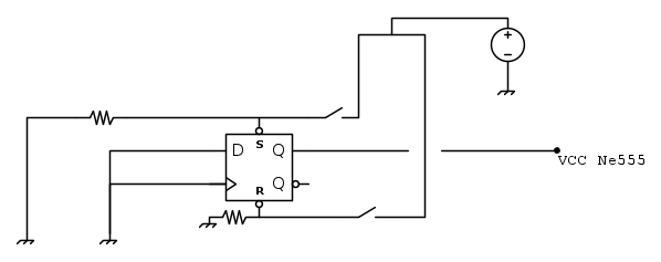
vorrei costruire un circuito a 12 volt che:
- premendo un pulsante A, l' uscita del circuito dia un' onda quadra di Periodo T=2 secondi, dutycycle 50%, treno di impulsi di durata infinita
- soltanto alla pressione di un secondo pulsante B, il treno di impulsi si interrompe e il sistema rimane in attesa di una nuova, eventuale, pressione sul pulsante A per ricominciare il treno di impulsi.
Domanda: mi conviene in termini di circuiteria lavorare con un Arduino (la programmazione in questo caso sarebbe semplicissima) oppure posso usare un qualcosa di analogico, tipo un NE555 ? stavo pensando alla Configurazione Astabile, ma non saprei come "far partire" il treno di impulsi e poi come "interromperlo".
Any idea?
Grazie mille


Elettrotecnica e non solo (admin)
Un gatto tra gli elettroni (IsidoroKZ)
Esperienza e simulazioni (g.schgor)
Moleskine di un idraulico (RenzoDF)
Il Blog di ElectroYou (webmaster)
Idee microcontrollate (TardoFreak)
PICcoli grandi PICMicro (Paolino)
Il blog elettrico di carloc (carloc)
DirtEYblooog (dirtydeeds)
Di tutto... un po' (jordan20)
AK47 (lillo)
Esperienze elettroniche (marco438)
Telecomunicazioni musicali (clavicordo)
Automazione ed Elettronica (gustavo)
Direttive per la sicurezza (ErnestoCappelletti)
EYnfo dall'Alaska (mir)
Apriamo il quadro! (attilio)
H7-25 (asdf)
Passione Elettrica (massimob)
Elettroni a spasso (guidob)
Bloguerra (guerra)





