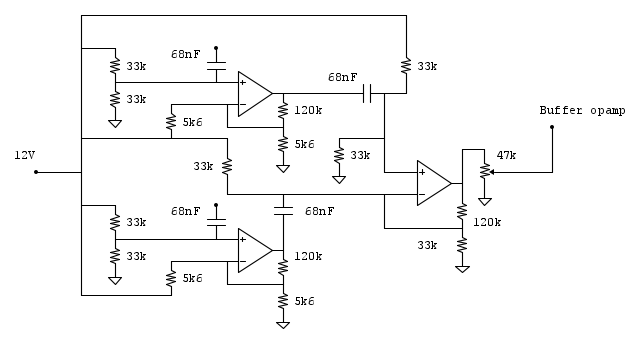
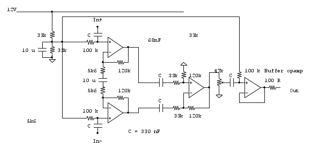
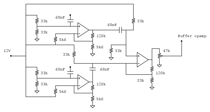
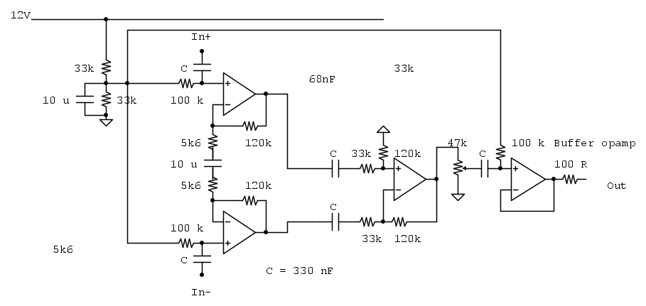
Per ragioni hobbistiche sto progettando un preamplificatore che dovrà essere in grado di accettare una linea in ingresso bilanciata proveniente da un microfono (quindi pochi mV di segnale pp) e restituire un segnale nell'ordine di grandezza dei 5V su un cavo coassiale sbilanciato (dovrà quindi comportarsi come un balun). Per lo scopo ho pensato di usare un quad opamp (RC4136N) di cui i primi due operazionali verranno impiegati per fornire una prima (forte) preamplificazione delle due semionde, il terzo funzionerà come amplificatore differenziale per ricomporre il segnale di uscita e il quarto come buffer/adattatore di impedenza per l'uscita. Grazie all'aiuto di
Che ne pensate? Può funzionare? Vorrei anche chiedervi se, secondo voi, i condensatori di accoppiamento sono necessari (visto che terminali di ingresso e uscita sono formalmente alla stessa tensione).

Elettrotecnica e non solo (admin)
Un gatto tra gli elettroni (IsidoroKZ)
Esperienza e simulazioni (g.schgor)
Moleskine di un idraulico (RenzoDF)
Il Blog di ElectroYou (webmaster)
Idee microcontrollate (TardoFreak)
PICcoli grandi PICMicro (Paolino)
Il blog elettrico di carloc (carloc)
DirtEYblooog (dirtydeeds)
Di tutto... un po' (jordan20)
AK47 (lillo)
Esperienze elettroniche (marco438)
Telecomunicazioni musicali (clavicordo)
Automazione ed Elettronica (gustavo)
Direttive per la sicurezza (ErnestoCappelletti)
EYnfo dall'Alaska (mir)
Apriamo il quadro! (attilio)
H7-25 (asdf)
Passione Elettrica (massimob)
Elettroni a spasso (guidob)
Bloguerra (guerra)









