Salve,
ho un mini motore DC 3v. Come faccio a ridurre il numero di giri? Grazie mille.
P. S. Allego la foto del motorino
Riduzione giri motore
Moderatori:
carloc,
g.schgor,
BrunoValente,
IsidoroKZ
49 messaggi
• Pagina 1 di 5 • 1, 2, 3, 4, 5
1
voti
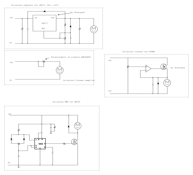
Se non hai un alimentatore regolabile ma una tensione fissa (batteria) va costruito un circuitino che regoli la tensione
Con perdita di coppia basta ridurre la tensione applicata (Resistenza, BJT/mosfet, Opamp)
Senza perdita di coppia bisogna inserire un circuito di retroazione che leggendo la velocità va a regolare la tensione
Un LM317 potrebbe essere una partenza

Con perdita di coppia basta ridurre la tensione applicata (Resistenza, BJT/mosfet, Opamp)
Senza perdita di coppia bisogna inserire un circuito di retroazione che leggendo la velocità va a regolare la tensione
Un LM317 potrebbe essere una partenza

0
voti
e facendo seguito a ThEnGi, se hai bisogno della regolazione continua o per un solo caso, ed il numero di giri.
Alex
https://www.facebook.com/Elettronicaeelettrotecnica
<< vedi di pigliare arditamente in mano, il dizionario che ti suona in bocca,
se non altro è schietto e paesano.
(Giuseppe Giusti) <<
https://www.facebook.com/Elettronicaeelettrotecnica
<< vedi di pigliare arditamente in mano, il dizionario che ti suona in bocca,
se non altro è schietto e paesano.
(Giuseppe Giusti) <<
0
voti
Ti ho buttato giù qualche schema, sono indicazioni di massima a circuito aperto (senza controllo del numero di giri e probabilmente anche errate
). Scelta la soluzione che più ti aggrada andiamo a popolarla.
Aggiungo alle domande di
setteali: da che tensione di alimentazione parti ?

Aggiungo alle domande di

0
voti
A naso, il motore dell'apertura 3D sembra un brushless
Se fosse tale, da mie memorie in campo modellismo, non si dovrebbe usare un circuto PWM?
Da cui, la soluzione con LM317 non sarebbe valida?
Se fosse tale, da mie memorie in campo modellismo, non si dovrebbe usare un circuto PWM?
Da cui, la soluzione con LM317 non sarebbe valida?
0
voti
No, e' un banale motorino in DC, tipo quelli che si trovano comunemente nei lettori di CD e DVD ed aprono e chiudono il cassetto.
Come ti hanno gia detto, se riduci la tensione riduci anche la velocita', perdendo coppia.
Se vuoi mantenere un po di coppia in piu, usa un regolatore PWM, lo si puo fare anche con un 555 ed un po di componenti, oppure acquistare gia fatto a poco prezzo, esempio .
Se invece serve coppia, meglio ripiegare sui motoriduttori, ci sono di molti tipi e con molte opzioni di velocita' sull'albero di uscita, come ad esempio questi , o questi , o questi , o questi , o questi , o questi , o uno dei tantissimi altri modelli disponibili.
Come ti hanno gia detto, se riduci la tensione riduci anche la velocita', perdendo coppia.
Se vuoi mantenere un po di coppia in piu, usa un regolatore PWM, lo si puo fare anche con un 555 ed un po di componenti, oppure acquistare gia fatto a poco prezzo, esempio .
Se invece serve coppia, meglio ripiegare sui motoriduttori, ci sono di molti tipi e con molte opzioni di velocita' sull'albero di uscita, come ad esempio questi , o questi , o questi , o questi , o questi , o questi , o uno dei tantissimi altri modelli disponibili.
"Sopravvivere" e' attualmente l'unico lusso che la maggior parte dei Cittadini italiani,
sia pure a costo di enormi sacrifici, riesce ancora a permettersi.
sia pure a costo di enormi sacrifici, riesce ancora a permettersi.
-

Etemenanki
9.527 3 6 10 - Master

- Messaggi: 5950
- Iscritto il: 2 apr 2021, 23:42
- Località: Dalle parti di un grande lago ... :)
0
voti
Intendevo un comune motore a spazzole in DC ... pignolo
E poi i brushless richiedono almeno 3 sinusoidi sfasate di 120 gradi, possiamo ancora definirli DC ?
"Sopravvivere" e' attualmente l'unico lusso che la maggior parte dei Cittadini italiani,
sia pure a costo di enormi sacrifici, riesce ancora a permettersi.
sia pure a costo di enormi sacrifici, riesce ancora a permettersi.
-

Etemenanki
9.527 3 6 10 - Master

- Messaggi: 5950
- Iscritto il: 2 apr 2021, 23:42
- Località: Dalle parti di un grande lago ... :)
0
voti
Etemenanki ha scritto:E poi i brushless richiedono almeno 3 sinusoidi sfasate di 120 gradi, possiamo ancora definirli DC ?
Cavolo, direi proprio di si
I computer, che funzionano tutti in DC/PWM, sono pieni di motori brushless...ti basta come dimostrazione?
Comunque, io ho un paio di motorini come quello in foto....sono brushless
0
voti
alev ha scritto:Comunque, io ho un paio di motorini come quello in foto....sono brushless
Quindi, o hanno 3 fili, o hanno l'elettronica che genera le sinusoidi all'interno, giusto ?
"Sopravvivere" e' attualmente l'unico lusso che la maggior parte dei Cittadini italiani,
sia pure a costo di enormi sacrifici, riesce ancora a permettersi.
sia pure a costo di enormi sacrifici, riesce ancora a permettersi.
-

Etemenanki
9.527 3 6 10 - Master

- Messaggi: 5950
- Iscritto il: 2 apr 2021, 23:42
- Località: Dalle parti di un grande lago ... :)
49 messaggi
• Pagina 1 di 5 • 1, 2, 3, 4, 5
Chi c’è in linea
Visitano il forum: Nessuno e 41 ospiti

Elettrotecnica e non solo (admin)
Un gatto tra gli elettroni (IsidoroKZ)
Esperienza e simulazioni (g.schgor)
Moleskine di un idraulico (RenzoDF)
Il Blog di ElectroYou (webmaster)
Idee microcontrollate (TardoFreak)
PICcoli grandi PICMicro (Paolino)
Il blog elettrico di carloc (carloc)
DirtEYblooog (dirtydeeds)
Di tutto... un po' (jordan20)
AK47 (lillo)
Esperienze elettroniche (marco438)
Telecomunicazioni musicali (clavicordo)
Automazione ed Elettronica (gustavo)
Direttive per la sicurezza (ErnestoCappelletti)
EYnfo dall'Alaska (mir)
Apriamo il quadro! (attilio)
H7-25 (asdf)
Passione Elettrica (massimob)
Elettroni a spasso (guidob)
Bloguerra (guerra)




