Scusa Analogik!
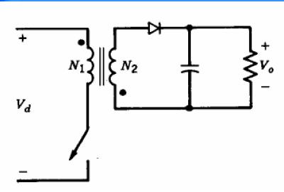
L' alimentatore è tipo questo:
Grazie.
Duty cycle e traferro.
Moderatori:
carloc,
g.schgor,
BrunoValente,
IsidoroKZ
41 messaggi
• Pagina 2 di 5 • 1, 2, 3, 4, 5
0
voti
a ri dajeeeeeeeee
quello allora non è retroazionato, così com'è è 1 "anello aperto" (almeno io non vedo la retroazione o da chi o da dove arriva) anche cercando di immaginare 1 bellissimo transisitor che chiude quel bellissimo interruttore aperto, mi spieghi chi comanda la base di questo transisitor?
come vedi non sei costretto a mettere 1 schema per interloquire si può continuare a parlare e a parlare del nulla, sempre che ci sia qualcuno sul forum disposto a farlo
quello allora non è retroazionato, così com'è è 1 "anello aperto" (almeno io non vedo la retroazione o da chi o da dove arriva) anche cercando di immaginare 1 bellissimo transisitor che chiude quel bellissimo interruttore aperto, mi spieghi chi comanda la base di questo transisitor?
come vedi non sei costretto a mettere 1 schema per interloquire si può continuare a parlare e a parlare del nulla, sempre che ci sia qualcuno sul forum disposto a farlo
0
voti
Analogik dai stai tranquillo!
mrc stava parlando in generale, ma spero che abbia capito che il legame fra duty cycle e "spessore del traferro" può esistere solo nell'immaginazione
Sbaglio?
Per qualsiasi ulteriore delucidazione, sine qua non, siamo qui noi
Piuttosto, vorrei capire come si è entrati in argomento. mrc, puoi spiegarci in quale discussione è venuto fuori questo fantasioso legame fra delta e il traferro? Chi si è inventato un discorso simile?
mrc stava parlando in generale, ma spero che abbia capito che il legame fra duty cycle e "spessore del traferro" può esistere solo nell'immaginazione
Sbaglio?
Per qualsiasi ulteriore delucidazione, sine qua non, siamo qui noi
Piuttosto, vorrei capire come si è entrati in argomento. mrc, puoi spiegarci in quale discussione è venuto fuori questo fantasioso legame fra delta e il traferro? Chi si è inventato un discorso simile?
Alberto.
0
voti
Buon giorno.
Prima di rispondere a brabus, voglio chiarire alcuni aspetti della mia partecipazione a questo forum.
Mi sono iscritto con le migliori intenzioni. Cercando di dare il mio contributo e di cercare a mia volta aiuto nel modo più educato possibile. A differenza di molti altri che non sanno nemmeno cosa sia l' educazione.
Questo lo si può vedere in tutti i miei post precedenti partendo dal primo.
Però ho la netta sensazione, quando posto un qualche mio dubbio, di essere messo per così dire in croce.
Qualche volta ammetto che possa essere colpa mia ma non credo sia sempre così!
Vedi, come scrivo sopra, tutti i miei post precedenti.
Fatto sta che devo tutte le volte giustificare ( o scusare) il motivo delle mie richieste o il modo di come le propongo.
Ripropongo per l' ennesima volta i motivi delle mie eventuali mancanze.
Non sono un ingegnere, un professionista, un hobbista né tanto meno un inventore.
Sono semplicemente un diplomato da vecchia data ( qualche decina di anni fa ) e un dipendente che lavora nel campo elettronico.
E ho l' intenzione di colmare le mie lacune, che si sono formate negli anni perché non utilizzando certi argomenti poi passano di mente e perché nel tempo vengono fuori argomenti nuovi. Utilizzando nel poco tempo libero che ho libri riviste internet.
Anche usando il vostro forum.
Non ho molta dimestichezza nell' uso del forum, perché non ho la fortuna di avere sempre sotto il naso la tastiera del PC come invece molti hanno ( per molte ore al giorno ) ed inoltre questo è l’ unico forum a cui partecipo.
Semplicemente questo dubbio mi è nato ascoltando una "discussione" nell' ambiente lavorativo che aveva come argomento il di cui sopra.
Quindi mi sono permesso di chiedere un vostro chiarimento per fare ordine nelle mie conoscenze.
Lo schema non lo posso postare perché non è di mia proprietà!
Non è sempre possibile avere sottomano uno schema disponibile per essere messo su un forum!
Specie se lo schema non ti appartiene e non è messo a disposizione del pubblico come può essere per quelli che si trovano in internet. Non credo che occorra essere un plurilaureato per capire questa cosa!
Non riesco ad inventarli.
Nei miei interventi, dove possibile, ho sempre cercato di inserire dei disegni e grafici.
Comunque mi ripeto, si può parlare di un argomento di carattere generale anche senza avere uno schema sotto al naso.
Vedi quello che ha fatto brabus.
Avrei altre cose da chiedere ma non so se continuare ad usare questo forum visto gli antefatti.
Comunque ogni consiglio che mi volete dare è bene accetto anche eventualmente quello di abbandonare questo forum.
Grazie.
Prima di rispondere a brabus, voglio chiarire alcuni aspetti della mia partecipazione a questo forum.
Mi sono iscritto con le migliori intenzioni. Cercando di dare il mio contributo e di cercare a mia volta aiuto nel modo più educato possibile. A differenza di molti altri che non sanno nemmeno cosa sia l' educazione.
Questo lo si può vedere in tutti i miei post precedenti partendo dal primo.
Però ho la netta sensazione, quando posto un qualche mio dubbio, di essere messo per così dire in croce.
Qualche volta ammetto che possa essere colpa mia ma non credo sia sempre così!
Vedi, come scrivo sopra, tutti i miei post precedenti.
Fatto sta che devo tutte le volte giustificare ( o scusare) il motivo delle mie richieste o il modo di come le propongo.
Ripropongo per l' ennesima volta i motivi delle mie eventuali mancanze.
Non sono un ingegnere, un professionista, un hobbista né tanto meno un inventore.
Sono semplicemente un diplomato da vecchia data ( qualche decina di anni fa ) e un dipendente che lavora nel campo elettronico.
E ho l' intenzione di colmare le mie lacune, che si sono formate negli anni perché non utilizzando certi argomenti poi passano di mente e perché nel tempo vengono fuori argomenti nuovi. Utilizzando nel poco tempo libero che ho libri riviste internet.
Anche usando il vostro forum.
Non ho molta dimestichezza nell' uso del forum, perché non ho la fortuna di avere sempre sotto il naso la tastiera del PC come invece molti hanno ( per molte ore al giorno ) ed inoltre questo è l’ unico forum a cui partecipo.
brabus ha scritto:Piuttosto, vorrei capire come si è entrati in argomento. mrc, puoi spiegarci in quale discussione è venuto fuori questo fantasioso legame fra delta e il traferro? Chi si è inventato un discorso simile?
Semplicemente questo dubbio mi è nato ascoltando una "discussione" nell' ambiente lavorativo che aveva come argomento il di cui sopra.
Quindi mi sono permesso di chiedere un vostro chiarimento per fare ordine nelle mie conoscenze.
Analogik ha scritto:come vedi non sei costretto a mettere 1 schema per interloquire si può continuare a parlare e a parlare del nulla, sempre che ci sia qualcuno sul forum disposto a farlo
Lo schema non lo posso postare perché non è di mia proprietà!
Non è sempre possibile avere sottomano uno schema disponibile per essere messo su un forum!
Specie se lo schema non ti appartiene e non è messo a disposizione del pubblico come può essere per quelli che si trovano in internet. Non credo che occorra essere un plurilaureato per capire questa cosa!
Non riesco ad inventarli.
Nei miei interventi, dove possibile, ho sempre cercato di inserire dei disegni e grafici.
Comunque mi ripeto, si può parlare di un argomento di carattere generale anche senza avere uno schema sotto al naso.
Vedi quello che ha fatto brabus.
Avrei altre cose da chiedere ma non so se continuare ad usare questo forum visto gli antefatti.
Comunque ogni consiglio che mi volete dare è bene accetto anche eventualmente quello di abbandonare questo forum.
Grazie.
Ultima modifica di
mrc il 10 ott 2009, 10:36, modificato 2 volte in totale.
0
voti
Se non sbaglio, non è la prima volta che manifesti questa incomprensione da parte dei partecipanti al forum nei tuoi confronti, se non trovi aiuto nelle risposte che ti vengono date, la decisione di abbandonare il forum deve essere tua.
Senza dubbio di risposte confuse, fuorvianti o addirittura prive di senso ne vedo ogni giorno ma in un forum ognuno deve avere la possibilità di dire la sua; qui come ripeto da tempo non siamo alla CEPU e le risposte le ricevi gratuitamente
BTW Non serve poi fare richiesta di cancellazione dell'account ... come qualcuno a volte fa
... per lasciare il forum basta non aprire la pagina di Electroportal 
Qui, se c'è qualcuno che dovrebbe abbandonare il forum, quello sono io; non credo di essermi mai preso tanti insulti nella mia carriera quanti ne ho ricevuti da quando mi sono iscritto a Electroportal, e comunque sono ancora qui a risponderti
Senza dubbio di risposte confuse, fuorvianti o addirittura prive di senso ne vedo ogni giorno ma in un forum ognuno deve avere la possibilità di dire la sua; qui come ripeto da tempo non siamo alla CEPU e le risposte le ricevi gratuitamente
BTW Non serve poi fare richiesta di cancellazione dell'account ... come qualcuno a volte fa
Qui, se c'è qualcuno che dovrebbe abbandonare il forum, quello sono io; non credo di essermi mai preso tanti insulti nella mia carriera quanti ne ho ricevuti da quando mi sono iscritto a Electroportal, e comunque sono ancora qui a risponderti
"Il circuito ha sempre ragione" (Luigi Malesani)
0
voti
Buon giorno.
Sono riuscito a compiere alcune prove su un paio di alimentatori flyback switching di cui propongo uno schema a blocchi di principio.
Visto che gli schemi completi non sono di mia proprietà quindi penso di non poterli postare come già spiegato in precedenza.
Dalle prove eseguite è risultato che il duty cycle varia al variare del traferro nel mutuo induttore.
I risultati delle prove sono i seguenti:
Entrabi hanno il mutuo induttore formato da un nucleo ad "E" tipo ETD 39.
Mantenendo la corrente in out costante.
n°1 alimentatore Frequenza di funzionamento circa 60kHz.
Con traferro di 0.17mm DC= 41%
Con traferro di 0.24mm DC=41%
Con traferro di 0.7mm DC=25%
Con traferro di 1.4mm DC=16%
n° 2°alimentatore Frequenza circa 40KHz
Con traferro di 0.24mm DC=49%
Con traferro di 0.74mm DC=28%
Con traferro di 1.44mm DC=23%
Per favore vorrei una spiegazione del motivo che lega la variazione del duty cycle al variare del traferro.
Grazie.
brabus ha scritto:mrc stava parlando in generale, ma spero che abbia capito che il legame fra duty cycle e "spessore del traferro" può esistere solo nell'immaginazione![]()
Sbaglio?
Per qualsiasi ulteriore delucidazione, sine qua non, siamo qui noi![]()
Sono riuscito a compiere alcune prove su un paio di alimentatori flyback switching di cui propongo uno schema a blocchi di principio.
Visto che gli schemi completi non sono di mia proprietà quindi penso di non poterli postare come già spiegato in precedenza.
Dalle prove eseguite è risultato che il duty cycle varia al variare del traferro nel mutuo induttore.
I risultati delle prove sono i seguenti:
Entrabi hanno il mutuo induttore formato da un nucleo ad "E" tipo ETD 39.
Mantenendo la corrente in out costante.
n°1 alimentatore Frequenza di funzionamento circa 60kHz.
Con traferro di 0.17mm DC= 41%
Con traferro di 0.24mm DC=41%
Con traferro di 0.7mm DC=25%
Con traferro di 1.4mm DC=16%
n° 2°alimentatore Frequenza circa 40KHz
Con traferro di 0.24mm DC=49%
Con traferro di 0.74mm DC=28%
Con traferro di 1.44mm DC=23%
Per favore vorrei una spiegazione del motivo che lega la variazione del duty cycle al variare del traferro.
Grazie.
0
voti
Ciao mrc
Perfetto! Questo è il modo di realizzare delle misure e di discuterne!
Allora, permettimi di spiegarti qualche dettaglio che spero troverai interessante.
Lo schema che hai postato è una via di mezzo fra uno schema a blocchi ed uno schema elettrico. Lo schema a blocchi presenta sempre e solo delle "scatole" identificate da simboli e caratterizzate da "funzioni di trasferimento", mentre uno schema elettrico "puro" contiene unicamente simboli identificativi di componenti elettronici.
Io direi che il tuo schema si può dire "di principio"
Passiamo alle misurazioni.
Prendiamo in esame dapprima questa serie di misure:
All'aumentare della larghezza del traferro si nota una riduzione del duty cycle, a parità di corrente assorbita dal carico. La regolazione del duty cycle avviene chiaramente ad opera della rete di retroazione.
A differenza di quanto ho scritto nei post precedenti, il comportamento che riscontri sembra, apparentemente, addirittura opposto.
Credo che il "problema" stia proprio nel criterio con il quale hai effettuato la misura, e dalla natura del controllo del tuo flyback. Lo schema che hai riportato presenta una retroazione che preleva la tensione da uno degli avvolgimenti secondari (manca peraltro un collegamento di massa fra il secondario "di sensing" e la massa del circuito di controllo), e sostanzialmente realizza un controllo di tensione.
Per mantenere costante invece la corrente assorbita dal carico, dovresti realizzare una catena di controllo che misuri la corrente assorbita dal carico, e che quindi regoli il duty cycle di conseguenza
Peraltro non hai specificato la natura del carico: è un carico resistivo o un carico attivo (magari regolato in modalità "corrente costante"):?:
La natura del carico e della rete di retroazione potrebbero svelare definitivamente l'arcano!
Perfetto! Questo è il modo di realizzare delle misure e di discuterne!
Allora, permettimi di spiegarti qualche dettaglio che spero troverai interessante.
Lo schema che hai postato è una via di mezzo fra uno schema a blocchi ed uno schema elettrico. Lo schema a blocchi presenta sempre e solo delle "scatole" identificate da simboli e caratterizzate da "funzioni di trasferimento", mentre uno schema elettrico "puro" contiene unicamente simboli identificativi di componenti elettronici.
Io direi che il tuo schema si può dire "di principio"
Passiamo alle misurazioni.
Prendiamo in esame dapprima questa serie di misure:
n°1 alimentatore Frequenza di funzionamento circa 60kHz.
Con traferro di 0.17mm DC= 41%
Con traferro di 0.24mm DC=41%
Con traferro di 0.7mm DC=25%
Con traferro di 1.4mm DC=16%
All'aumentare della larghezza del traferro si nota una riduzione del duty cycle, a parità di corrente assorbita dal carico. La regolazione del duty cycle avviene chiaramente ad opera della rete di retroazione.
A differenza di quanto ho scritto nei post precedenti, il comportamento che riscontri sembra, apparentemente, addirittura opposto.
Credo che il "problema" stia proprio nel criterio con il quale hai effettuato la misura, e dalla natura del controllo del tuo flyback. Lo schema che hai riportato presenta una retroazione che preleva la tensione da uno degli avvolgimenti secondari (manca peraltro un collegamento di massa fra il secondario "di sensing" e la massa del circuito di controllo), e sostanzialmente realizza un controllo di tensione.
Per mantenere costante invece la corrente assorbita dal carico, dovresti realizzare una catena di controllo che misuri la corrente assorbita dal carico, e che quindi regoli il duty cycle di conseguenza
Peraltro non hai specificato la natura del carico: è un carico resistivo o un carico attivo (magari regolato in modalità "corrente costante"):?:
La natura del carico e della rete di retroazione potrebbero svelare definitivamente l'arcano!
Alberto.
3
voti
Salve a tutti, sono un nuovo utente del forum. Sono appassionato di elettronica e ho visto che in questo forum bazzica gente veramente interessante e dalla quale si puo' imparare veramente molto. Complimenti!
Tornando alla discussione in esame, mi permetto di dare una mia interpretazione alle misure di questo flyback. Per ragionare, possiamo riportare tutto al secondario e, a meno di un rapporto spire, troviamo una formulazione matematica simile a quella del buck-boost.
L'aumento del traferro comporta un aumento della riluttanza del nucleo magnetico con una conseguente diminuzione dell'induttanza di magnetizzazione offerta dal nucleo. Una diminuzione di tale induttanza (che svolge la funzione di elemento induttivo nel flyback) porta ad una aumento del ripple di corrente: in particolare, puo' accadere che il convertitore passi in funzionamento discontinuo (DCM). In tale caso la relazione (per il back-boost) diventa

Osserviamo che al diminuire dell'induttanza (aumento del traferro) per mantenere la stessa tensione di uscita il controllo di tensione deve diminuire il DC proprio come rilevato nelle misure.
Interessante, per verificare la mia ipotesi, sarebbe aumentare la corrente di carico. In questo modo si riporta il flyback verso il CCM e quindi il DC dovrebbe salire.
Che ne dite? Attendo lumi.
Tornando alla discussione in esame, mi permetto di dare una mia interpretazione alle misure di questo flyback. Per ragionare, possiamo riportare tutto al secondario e, a meno di un rapporto spire, troviamo una formulazione matematica simile a quella del buck-boost.
L'aumento del traferro comporta un aumento della riluttanza del nucleo magnetico con una conseguente diminuzione dell'induttanza di magnetizzazione offerta dal nucleo. Una diminuzione di tale induttanza (che svolge la funzione di elemento induttivo nel flyback) porta ad una aumento del ripple di corrente: in particolare, puo' accadere che il convertitore passi in funzionamento discontinuo (DCM). In tale caso la relazione (per il back-boost) diventa

Osserviamo che al diminuire dell'induttanza (aumento del traferro) per mantenere la stessa tensione di uscita il controllo di tensione deve diminuire il DC proprio come rilevato nelle misure.
Interessante, per verificare la mia ipotesi, sarebbe aumentare la corrente di carico. In questo modo si riporta il flyback verso il CCM e quindi il DC dovrebbe salire.
Che ne dite? Attendo lumi.
-

EnChamade
6.498 2 8 12 - G.Master EY

- Messaggi: 588
- Iscritto il: 18 giu 2009, 12:00
- Località: Padova - Feltre
0
voti
Grazie brabus per la precisazione relativa allo schema a blocchi e per la tua disponibilità.
Hai ragione non ho specificato alcune cose.
Il carico usato per la prova è di tipo resistivo per entrambi gli alimentatori.
In effetti nel mio schema di principio ho omesso alcune cose spero di riuscire a spiegarle a parole. Scusandomi.
In entrambi gli alimentatori oltre ad un controllo sulla tensione è presente anche un controllo sulla corrente.
Il quale è realizzato leggendo la tensione sulla resistenza presente sul source del mosfet e quindi elaborata dal circuito integrato preposto per il controllo. In uno dei due alimentatori l' integrato è l' UC3844.
Quindi entrambi gli alimentatori sono stabilizzati sia in tensione che in corrente.
Ciao e grazie EnChamade per aver aggiunto la tua opinione.
Non ho avuto modo di effettuare molte prove però ho visto che da funzionamento a vuoto a funzionamento a carico nominale la percentuale del DC diminuiva.
Grazie.
brabus ha scritto:Peraltro non hai specificato la natura del carico: è un carico resistivo o un carico attivo (magari regolato in modalità "corrente costante"):?:
La natura del carico e della rete di retroazione potrebbero svelare definitivamente l'arcano!
Hai ragione non ho specificato alcune cose.
Il carico usato per la prova è di tipo resistivo per entrambi gli alimentatori.
In effetti nel mio schema di principio ho omesso alcune cose spero di riuscire a spiegarle a parole. Scusandomi.
In entrambi gli alimentatori oltre ad un controllo sulla tensione è presente anche un controllo sulla corrente.
Il quale è realizzato leggendo la tensione sulla resistenza presente sul source del mosfet e quindi elaborata dal circuito integrato preposto per il controllo. In uno dei due alimentatori l' integrato è l' UC3844.
Quindi entrambi gli alimentatori sono stabilizzati sia in tensione che in corrente.
Ciao e grazie EnChamade per aver aggiunto la tua opinione.
EnChamade ha scritto:Interessante, per verificare la mia ipotesi, sarebbe aumentare la corrente di carico. In questo modo si riporta il flyback verso il CCM e quindi il DC dovrebbe salire.
Che ne dite? Attendo lumi.
Non ho avuto modo di effettuare molte prove però ho visto che da funzionamento a vuoto a funzionamento a carico nominale la percentuale del DC diminuiva.
Grazie.
0
voti
EnChamade!!! Eccoti qui finalmente!
Hai ragione, non avevo nemmeno pensato al funzionamento DCM
.
per mrc: il funzionamento DCM, Discontinuous Conduction Mode, si ha quando la corrente nell'induttanza di magnetizzazione del flyback si annulla prima del termine del ciclo di clock. In questa situazione lo spegnimento dei diodi è più naturale, a vantaggio delle emissioni EMI, ma si ottiene un ripple di corrente maggiore, come evidenziato giustamente da EnChamade.
OK perfetto. Questo significa che la catena di retroazione sta tenendo costante la tensione all'uscita (ce la fa? Possiamo verificarlo?).
Il motivo per cui c'è un "sensing" sulla corrente, prelevata al source del MOSFET, è la creazione di un "anello di controllo di corrente". In poche parole, il riferimento di tensione viene dato in pasto ad un anello più interno, che regola la corrente erogata dal MOSFET, al fine di migliorare la risposta dinamica del sistema.
Tutto qui, non c'è un vero e proprio controllo di corrente all'uscita, è un anello interno che non influenza la nostra analisi.
Per ulteriori considerazioni, passo la palla a Enchamade

EnChamade ha scritto:(...) Che ne dite? Attendo lumi.
Hai ragione, non avevo nemmeno pensato al funzionamento DCM
.per mrc: il funzionamento DCM, Discontinuous Conduction Mode, si ha quando la corrente nell'induttanza di magnetizzazione del flyback si annulla prima del termine del ciclo di clock. In questa situazione lo spegnimento dei diodi è più naturale, a vantaggio delle emissioni EMI, ma si ottiene un ripple di corrente maggiore, come evidenziato giustamente da EnChamade.
mrc ha scritto:Il carico usato per la prova è di tipo resistivo per entrambi gli alimentatori.
OK perfetto. Questo significa che la catena di retroazione sta tenendo costante la tensione all'uscita (ce la fa? Possiamo verificarlo?).
Il motivo per cui c'è un "sensing" sulla corrente, prelevata al source del MOSFET, è la creazione di un "anello di controllo di corrente". In poche parole, il riferimento di tensione viene dato in pasto ad un anello più interno, che regola la corrente erogata dal MOSFET, al fine di migliorare la risposta dinamica del sistema.
Tutto qui, non c'è un vero e proprio controllo di corrente all'uscita, è un anello interno che non influenza la nostra analisi.
Per ulteriori considerazioni, passo la palla a Enchamade
Alberto.
41 messaggi
• Pagina 2 di 5 • 1, 2, 3, 4, 5
Chi c’è in linea
Visitano il forum: Google Adsense [Bot] e 51 ospiti

Elettrotecnica e non solo (admin)
Un gatto tra gli elettroni (IsidoroKZ)
Esperienza e simulazioni (g.schgor)
Moleskine di un idraulico (RenzoDF)
Il Blog di ElectroYou (webmaster)
Idee microcontrollate (TardoFreak)
PICcoli grandi PICMicro (Paolino)
Il blog elettrico di carloc (carloc)
DirtEYblooog (dirtydeeds)
Di tutto... un po' (jordan20)
AK47 (lillo)
Esperienze elettroniche (marco438)
Telecomunicazioni musicali (clavicordo)
Automazione ed Elettronica (gustavo)
Direttive per la sicurezza (ErnestoCappelletti)
EYnfo dall'Alaska (mir)
Apriamo il quadro! (attilio)
H7-25 (asdf)
Passione Elettrica (massimob)
Elettroni a spasso (guidob)
Bloguerra (guerra)




