Chiarimenti sui motorini elettrici
Moderatori:
carloc,
g.schgor,
BrunoValente,
IsidoroKZ
37 messaggi
• Pagina 2 di 4 • 1, 2, 3, 4
0
voti
Allora
Dopo essermi consumato il dito a furia di far ruotare il motorino (ahia!
) sono riuscito a far accendere 2 LED verdi e 3 gialli in serie per un tempo brevissimo (un lampo). La luminosità sembra comunque viva, non è debole.
2 LED verdi + 2 LED gialli, invece, hanno una luminosità maggiore (sempre consumando le dita!:P)
I verdi penso siano i classici da 2V...inoltre il negoziante mi disse che i gialli hanno lo stesso tensione dei verdi e dei rossi...quindi secondo ciò dovrebbe erogare quasi a stento (sempre consumando le dita!) tra gli 8 e i 10 V...
Cosa se ne può dedurre?
Giulio
Dopo essermi consumato il dito a furia di far ruotare il motorino (ahia!
2 LED verdi + 2 LED gialli, invece, hanno una luminosità maggiore (sempre consumando le dita!:P)
I verdi penso siano i classici da 2V...inoltre il negoziante mi disse che i gialli hanno lo stesso tensione dei verdi e dei rossi...quindi secondo ciò dovrebbe erogare quasi a stento (sempre consumando le dita!) tra gli 8 e i 10 V...
Cosa se ne può dedurre?
Giulio
0
voti
se ne può dedurre intanto che se ci tieni alle dita studiati 1 manovella o un sisitema alternativo
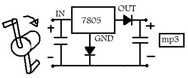
poi per il circuito credo possa funzionare se mi assicuri quelle tensioni, puoi fare 1 semplice cosetta del genere, puoi tirare fuori fino a 1A, ma a te credo che 400mA bastino e avanzino, ovviamente non ti nascondo che con 400mA a 7V circa farai 1 bella fatica, non so quanto riuscirai a resisitere...
+ tosto se ti trovi dalle parti di 1 fontana, smonti la manovella e ci metti delle pale tipo mulino e poi fai finta di bere per mezz'ora sempre se nessuno ti rompe
i diodi 1N4007 o simili li puoi comprare o recuperare da roba che non serve + tipo piccoli trasformatori caricabatteria e simili
i condensatori sono da 100uF elettrolitici, il secondo anche da 6V o 10V mentre il primo mettilo magari anche da 16V non si sa mai
Il7805 è uno stabilizzatore famosissimo, se vuoi c'è la versione solo fino a 100mA che si chiama 78L05, ha la forma di 1 piccolo transisitor, la tensione in ingresso dovrebbe essere almeno di 7 o 8V circa per funzionare correttamente, in bocca al lupo allora
poi per il circuito credo possa funzionare se mi assicuri quelle tensioni, puoi fare 1 semplice cosetta del genere, puoi tirare fuori fino a 1A, ma a te credo che 400mA bastino e avanzino, ovviamente non ti nascondo che con 400mA a 7V circa farai 1 bella fatica, non so quanto riuscirai a resisitere...
+ tosto se ti trovi dalle parti di 1 fontana, smonti la manovella e ci metti delle pale tipo mulino e poi fai finta di bere per mezz'ora sempre se nessuno ti rompe
i diodi 1N4007 o simili li puoi comprare o recuperare da roba che non serve + tipo piccoli trasformatori caricabatteria e simili
i condensatori sono da 100uF elettrolitici, il secondo anche da 6V o 10V mentre il primo mettilo magari anche da 16V non si sa mai
Il7805 è uno stabilizzatore famosissimo, se vuoi c'è la versione solo fino a 100mA che si chiama 78L05, ha la forma di 1 piccolo transisitor, la tensione in ingresso dovrebbe essere almeno di 7 o 8V circa per funzionare correttamente, in bocca al lupo allora
3
voti
diodi in serie all'uscita e sul riferimento sono sempre una brutta cosa (stabilita` e impedenze). Meglio un diodo sull'ingresso per prevenire danni quando si smette di azionare il motorino e uno fra uscita e ingresso, della serie "porta bene"!
Per usare proficuamente un simulatore, bisogna sapere molta più elettronica di lui
Plug it in - it works better!
Il 555 sta all'elettronica come Arduino all'informatica! (entrambi loro malgrado)
Se volete risposte rispondete a tutte le mie domande
Plug it in - it works better!
Il 555 sta all'elettronica come Arduino all'informatica! (entrambi loro malgrado)
Se volete risposte rispondete a tutte le mie domande
0
voti
Sentiamo 1 po quali "danni" dovrebbero esserci? Non sono molto superstizioso...
Ti ricordo che 1 diodo non permette il passaggio di corrente in senso opposto, inoltre è compensato in temperatura avendo 1 solo diodo sia sul riferimento che sull'uscita, siccome i collegamenti non superano il centimetro, quali impedenze?
Il condensatore da 5V non potrà mai scaricarsi sull'integrato per via del diodo, il condensatore in ingresso è anche in parallelo al motore, livellandone la forma d'onda e assorbendo eventuali sovratensioni, sinceramente non capisco cosa vuoi dire...
Ti ricordo che 1 diodo non permette il passaggio di corrente in senso opposto, inoltre è compensato in temperatura avendo 1 solo diodo sia sul riferimento che sull'uscita, siccome i collegamenti non superano il centimetro, quali impedenze?
Il condensatore da 5V non potrà mai scaricarsi sull'integrato per via del diodo, il condensatore in ingresso è anche in parallelo al motore, livellandone la forma d'onda e assorbendo eventuali sovratensioni, sinceramente non capisco cosa vuoi dire...
0
voti
tornando seri, i componenti da te illustrati dovrei già averli qui...
non esiste un modo per compensare le differenze di velocità della manovella, qualora calasse la velocità? tipo un condensatore di backup (e se si, dove va posto?)...
Giulio
0
voti
beh la fontana se nessuno ci beve è + uno spreco maggiore che usarla "male"
Diciamo che se volessi aggiungere 1 specie "di accumulo " potresti mettere 1 diodo appena uscito dal motore, poi ingrandire quel condensatore da 100uF 16V in uno da 1F o comunque + grosso possibile
Dubito che riuscirai a procurarti 1 F anche solo a 10V, costa + dell'intero circuito
Per quello che ti dicevo che dovrai applicare 1 bel po di Watt meccanici e la cosa + triste è che dovrai applicarli per parecchio tempo, se vuoi caricare decentemente un cellulare o mp3
Diciamo che se volessi aggiungere 1 specie "di accumulo " potresti mettere 1 diodo appena uscito dal motore, poi ingrandire quel condensatore da 100uF 16V in uno da 1F o comunque + grosso possibile
Dubito che riuscirai a procurarti 1 F anche solo a 10V, costa + dell'intero circuito
Per quello che ti dicevo che dovrai applicare 1 bel po di Watt meccanici e la cosa + triste è che dovrai applicarli per parecchio tempo, se vuoi caricare decentemente un cellulare o mp3
0
voti
si, infatti...per esempio ora ho finito di caricare il lettore mp3 usando l'adattatore per rete elettrica...1 ora di carica! 
questo caricatore mi serve solo per le emergenze audiofile!
Comunque, ricapitolando, il diodo va messo anche in serie all'ingresso del motorino, oltre al resto del circuito?
Giulio
questo caricatore mi serve solo per le emergenze audiofile!
Comunque, ricapitolando, il diodo va messo anche in serie all'ingresso del motorino, oltre al resto del circuito?
Giulio
0
voti
esatto, tra ingresso integrato e motore
Ovviamente come succede dopo il 5V c'è di nuovo 1 diodo e 1 condensatore, tu devi fare la stessa cosa prima dell'integrato tutto li, in modo che se generi parecchio accumuli sul condensatore ma l'energia non può tornare indietro al motore (se no si mette a girare), quindi col diodo impedisci questo, in + se potenzi questo condensatore da 100uF fai proprio 1 accumulo
Poi sarà il carico a richiedere + o - corrente e quindi a scaricarti + o - velocemente il tuo accumulo, ti ripeto che con qualche migliaio di uF non concludi nulla, ti servono robe molto alte dal farad in su e costano parecchio e sono molto ingombranti
Ovviamente come succede dopo il 5V c'è di nuovo 1 diodo e 1 condensatore, tu devi fare la stessa cosa prima dell'integrato tutto li, in modo che se generi parecchio accumuli sul condensatore ma l'energia non può tornare indietro al motore (se no si mette a girare), quindi col diodo impedisci questo, in + se potenzi questo condensatore da 100uF fai proprio 1 accumulo
Poi sarà il carico a richiedere + o - corrente e quindi a scaricarti + o - velocemente il tuo accumulo, ti ripeto che con qualche migliaio di uF non concludi nulla, ti servono robe molto alte dal farad in su e costano parecchio e sono molto ingombranti
0
voti
OK, domani lo provo e ti faccio sapere! 
Penso di avere un condensatore bello grosso (dissaldato da qualche parte)...vedrò!
ah, hai idea di come posso fare o da dove recuperare una manovella utile al mio scopo?
Grazie
Giulio
Penso di avere un condensatore bello grosso (dissaldato da qualche parte)...vedrò!
ah, hai idea di come posso fare o da dove recuperare una manovella utile al mio scopo?
Grazie
Giulio
37 messaggi
• Pagina 2 di 4 • 1, 2, 3, 4
Chi c’è in linea
Visitano il forum: Majestic-12 [Bot] e 50 ospiti

Elettrotecnica e non solo (admin)
Un gatto tra gli elettroni (IsidoroKZ)
Esperienza e simulazioni (g.schgor)
Moleskine di un idraulico (RenzoDF)
Il Blog di ElectroYou (webmaster)
Idee microcontrollate (TardoFreak)
PICcoli grandi PICMicro (Paolino)
Il blog elettrico di carloc (carloc)
DirtEYblooog (dirtydeeds)
Di tutto... un po' (jordan20)
AK47 (lillo)
Esperienze elettroniche (marco438)
Telecomunicazioni musicali (clavicordo)
Automazione ed Elettronica (gustavo)
Direttive per la sicurezza (ErnestoCappelletti)
EYnfo dall'Alaska (mir)
Apriamo il quadro! (attilio)
H7-25 (asdf)
Passione Elettrica (massimob)
Elettroni a spasso (guidob)
Bloguerra (guerra)




