Cos'è ElectroYou | Login Iscriviti

ElectroYou - la comunità dei professionisti del mondo elettrico

Dimensionare BJT e resistenze

Elettronica lineare e digitale: didattica ed applicazioni

Moderatori: Foto Utentecarloc, Foto Utenteg.schgor, Foto UtenteBrunoValente, Foto UtenteIsidoroKZ

0
voti

[11] Re: Dimensionare BJT e resistenze

Messaggioda Foto Utentedavidde » 5 dic 2009, 16:26

brendolaccia ha scritto:.... il problema però è che se guardi in quei datasheet ce una prima voce....


A quale datasheet stai facendo riferimento, a quello del transistor o a quello del CD4511 ?

brendolaccia ha scritto:se alimento l'integrato ad una tensione x, la tensione in uscita sarà x - 0,9 volt.


Il CD4511 ?
Avatar utente
Foto Utentedavidde
13,3k 4 9 12
G.Master EY
G.Master EY
 
Messaggi: 4026
Iscritto il: 2 ago 2007, 11:40
Località: Bologna

0
voti

[12] Re: Dimensionare BJT e resistenze

Messaggioda Foto Utentebrendolaccia » 5 dic 2009, 16:41

Scusami nella fretta ho fatto molta confusione! Se alimento il 4511 a 5volt l'uscita per il display sarà 4,1. Riguardo alle 2 diverse voci parlavo della corrente sulla base del transistor...
Avatar utente
Foto Utentebrendolaccia
189 1 3 8
Sostenitore
Sostenitore
 
Messaggi: 592
Iscritto il: 22 feb 2009, 21:06

0
voti

[13] Re: Dimensionare BJT e resistenze

Messaggioda Foto Utentedavidde » 5 dic 2009, 20:34

brendolaccia ha scritto:Se alimento il 4511 a 5volt l'uscita per il display sarà 4,1.


Indicativamente si, ma il valore di tensione in uscita dipende fortemente dalla corrente che assorbi. Se guardi il datasheet si capisce tutto abbastanza chiaramente. Effettivamente con Vdd=5V e una corrente assorbita di 10mA la tensione tipica di uscita è di 4,1V.

Per la corrente sulla base del transistor non ti seguo...
quello che devi considerare è la corrente che scorre nella base non la tensione base emettitore. Quando un transistor è saturo tra base ed emettitore cade una tensione di circa 0,7V (questo valore dipende in realtà da molti fattori ad esempio: tipo di transistor, corrente di collettore, temperatura, etc.)

Per il calcolo della resistenza di base devi quindi sapere:

1- la tensione che hai a disposizione, nello specifico 3,3V
2- la caduta di tensione base-emettitore che all' incirca è di 0,7V
3- la massima corrente di collettore 70mA
4- il guadagno (nelle peggiori condizioni) 100

Nel tuo caso servono 70mA al collettore e dalla porta del microcontrollore non preleviamo più di 2mA. Devi perciò avere un guadagno non inferiore alle 35 volte (cioè 70/2) e tenendo conto di un coefficiente di sicurezza di 2 l' HFE minimo risulta di 70. Se consulti il datasheet e cerchi appunto l' HFE vedrai che anche il modello più "scarso" (il BC337-16) ha un HFE minimo di 100 volte, quindi sei a posto.
Calcoli ora la resistenza di base considerando soltanto i 2mA che servono. Risulta: R=V/I = (3,3-0,7)/0,002 = 1300ohm che puoi approssimare per difetto a 1,2Kohm.

Fammi sapere se hai dei dubbi.
Avatar utente
Foto Utentedavidde
13,3k 4 9 12
G.Master EY
G.Master EY
 
Messaggi: 4026
Iscritto il: 2 ago 2007, 11:40
Località: Bologna

0
voti

[14] Re: Dimensionare BJT e resistenze

Messaggioda Foto Utentebrendolaccia » 6 dic 2009, 11:50

Si sei stato chiarissimo ma non ho ben capito quei 2mA da dove vengono fuori? è una corrente che tu hai deciso per esperienza o guardando i datasheet? perché guardando nei datasheet vedo solo correnti all ordine di microAmpere. Grazie nuovamente
Avatar utente
Foto Utentebrendolaccia
189 1 3 8
Sostenitore
Sostenitore
 
Messaggi: 592
Iscritto il: 22 feb 2009, 21:06

0
voti

[15] Re: Dimensionare BJT e resistenze

Messaggioda Foto Utentedavidde » 7 dic 2009, 12:54

Sì, 2mA li ho scelti io a "naso" sapendo che in generale le porte d' uscita dei microcontrollori possono erogare basse correnti, solitamente al di sotto dei 5mA. Ho scelto quel valore perché in base alle tue necessità mi sembrava adeguato e comportava una soluzione semplice.

Fai una cosa, prendi il datasheet del microcontrollore e controlla quale sia la massima corrente che le porte d' uscita possono erogare. In funzione di quei valori potrai ricalcolarti i valori della resistenza di base.

brendolaccia ha scritto:perché guardando nei datasheet vedo solo correnti all ordine di microAmpere.


Brendolaccia io sinceramente non capisco a quali dati ti stai rifacendo. Metti l' immagine della parte di datasheet interessata che vediamo di chiarire e tieni presente che in questo caso i limiti di corrente non dipendono dal transistor ma da quanta corrente può fornire l' uscita del microcontrollore senza danneggiarsi ....
Avatar utente
Foto Utentedavidde
13,3k 4 9 12
G.Master EY
G.Master EY
 
Messaggi: 4026
Iscritto il: 2 ago 2007, 11:40
Località: Bologna

0
voti

[16] Re: Dimensionare BJT e resistenze

Messaggioda Foto Utentebrendolaccia » 7 dic 2009, 16:39

Allora il micro ha 64 porte e può dare massimo 50mA su una porta! Comunque vorrei rimanere sempre su correnti basse per evitare involontari danneggiamenti.

La mia domanda è: Dobbiamo dimensionare la resistenza di base tenendoi conto della corrente che eroga il micro e della corrente che serve alla base del transistor per farlo funzionare diciamo cone tasto aperto! La prima specifica, cioè la max corrente da micro, l'ho capita ma non ho capito perché non teniamo conto della corrente che serve sulla base del transistor...se facciamo arrivare alla base 1A (per esagerare, solo per capire) o 1nanoA è la stessa cosa?
dove trovo sui datasheet la corrente di base?

Grazie
Avatar utente
Foto Utentebrendolaccia
189 1 3 8
Sostenitore
Sostenitore
 
Messaggi: 592
Iscritto il: 22 feb 2009, 21:06

0
voti

[17] Re: Dimensionare BJT e resistenze

Messaggioda Foto Utentedavidde » 7 dic 2009, 23:19

brendolaccia ha scritto:La mia domanda è: Dobbiamo dimensionare la resistenza di base tenendoi conto della corrente che eroga il micro e della corrente che serve alla base del transistor per farlo funzionare diciamo cone tasto aperto!


Esatto, con la differenza che quando in base scorre corrente il "tasto" si chiude.

brendolaccia ha scritto:ma non ho capito perché non teniamo conto della corrente che serve sulla base del transistor...

Certo che ne teniamo conto. Sapendo la corrente di collettore massima e il guadagno del transistor dimensioniamo la corrente di base e in seguito scegliamo il valore più opportuno della resistenza di base.

brendolaccia ha scritto:...se facciamo arrivare alla base 1A (per esagerare, solo per capire) o 1nanoA è la stessa cosa?


Assolutamente no. Esiste comunque una massima corrente di base sopportabile dal transistor, nel caso del BC337 è di 100mA. Invece con 1nA sulla base e 80mA sul collettore il transistor dovrebbe avere un HFE (minimo) di 80 milioni di volte per saturare, praticamente impossibile.

Maximum ratings.png
Maximum ratings.png (66.24 KiB) Osservato 3499 volte


Per essere certo che il transistor sia saturo deve essere verificata la condizione Ib ≥ Ic /hfe .
Visto che la Ic(max) è di 80mA e l' hfe minimo del transistor è 100 potremmo dire che con una corrente di base pari a 0,08/100 = 0,8mA il transistor satura. In realtà si introduce un coefficiente di sicurezza minimo di almeno 2 volte (anche se 3 sarebbe meglio) e quindi la Ib diventa 1,6mA. Come vedi questo risultato è molto simile ai 2mA della volta precedente.

Hai capito :) ?
Avatar utente
Foto Utentedavidde
13,3k 4 9 12
G.Master EY
G.Master EY
 
Messaggi: 4026
Iscritto il: 2 ago 2007, 11:40
Località: Bologna

0
voti

[18] Re: Dimensionare BJT e resistenze

Messaggioda Foto Utentebrendolaccia » 8 dic 2009, 12:22

Non so come ringraziarti, finalmente qualcuno che mi ha spiegato per filo e per segno tutti i miei dubbi! Ora ho capito


Riepilogando
-lo Z8 manda fuori max 50mA
-la corrente sul collettore è di 80mA
-So quanto vale l' Hfe
-sapendo gli ultimi due mi calcolo la Ib
-il risultato lo moltiplico per un coefficiente di sicurezze 3 volte maggiore
-arrotondo il risultato a 2mA
-calcolo la R data dalla da: (3,3 - 0,7) / 0,002= 1,3K ?


Grazie davvero!
Avatar utente
Foto Utentebrendolaccia
189 1 3 8
Sostenitore
Sostenitore
 
Messaggi: 592
Iscritto il: 22 feb 2009, 21:06

0
voti

[19] Re: Dimensionare BJT e resistenze

Messaggioda Foto Utentedavidde » 8 dic 2009, 13:09

Fermo li brendolaccia che non abbiamo ancora finito :twisted: !
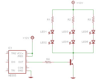
Se ti va proviamo a fare un' esercizio cambiando le carte in tavola. Hai il seguente circuito:

Schema calcolo transistor.png
Schema calcolo transistor.png (4.11 KiB) Osservato 3461 volte


E i seguenti dati:

- Valim = 12V
- I led = 200mA
- Vf led (a 200mA) = 3V
- I massima uscita NE555 = 3mA

Dimensionare R1,R2,R3, e R4 e scegliere un transistor adatto a svolgere il compito di interruttore. Quando l' uscita del 555 è alta (12V) i led si devono accendere ....

Ti va ?
Avatar utente
Foto Utentedavidde
13,3k 4 9 12
G.Master EY
G.Master EY
 
Messaggi: 4026
Iscritto il: 2 ago 2007, 11:40
Località: Bologna

0
voti

[20] Re: Dimensionare BJT e resistenze

Messaggioda Foto Utentebrendolaccia » 8 dic 2009, 13:13

certo che mi va! Quanta tensione da in uscita l' NE555 se alimentato a 12v?
Avatar utente
Foto Utentebrendolaccia
189 1 3 8
Sostenitore
Sostenitore
 
Messaggi: 592
Iscritto il: 22 feb 2009, 21:06

PrecedenteProssimo

Torna a Elettronica generale

Chi c’è in linea

Visitano il forum: Majestic-12 [Bot] e 126 ospiti