(risp. a francesco95)
Forse è meglio se lasciamo rispondere ad Arkano.
Semplice circuito per iniziare
Moderatori:
carloc,
g.schgor,
BrunoValente,
IsidoroKZ
0
voti
Perfetto!
Mi verrebbe da dire che se il led ha bisogno di una tensione di 1.8 V, ed è l'unico utilizzatore, la resistenza deve causare una caduta di tensione dV = 12V - 1.8V = 10.2V,
e che con una corrente di 20mA potrebbe essere data da una resistenza di:
R = dV/I = 10.2V/(20 x 10^-3 A) = 510 Ohm
E' esatto?
Mi verrebbe da dire che se il led ha bisogno di una tensione di 1.8 V, ed è l'unico utilizzatore, la resistenza deve causare una caduta di tensione dV = 12V - 1.8V = 10.2V,
e che con una corrente di 20mA potrebbe essere data da una resistenza di:
R = dV/I = 10.2V/(20 x 10^-3 A) = 510 Ohm
E' esatto?

1
voti
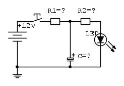
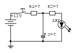
Si esatto. Ma poiché accennavi ai condensatori,
ti propongo questa variante:
In cui si chiede di dimensionare R1, R2 e C
per un'accensione e spegnimento graduale
del LED in ca. 3s (fade-in e fade-out).
ti propongo questa variante:
In cui si chiede di dimensionare R1, R2 e C
per un'accensione e spegnimento graduale
del LED in ca. 3s (fade-in e fade-out).
0
voti
Mi ci sto arrovellando da un po', ma non riesco a trovare una soluzione..
Ho provato ad applicare le leggi di Kirchhoff, ma non riesco a capire come funzioni il condensatore nel circuito.
Quando l'interruttore viene abbassato, inizia a circolare una corrente nel circuito che carica il condensatore, giusto?
Al termine della carica, è ragionevole pensare che nel tratto di maglia che attraversi il condensatore la corrente sia nulla?
Perché, in tal caso, sarebbe necessario che R1+R2 fosse uguale a 510 Ohm.
E' corretto?
Ho provato a fare altri calcoli, attraverso la carica accumulata dal condensatore e le energie dissipate dalla resistenza 2 e dal led in fase di spegnimento, ma mi sono fermato dopo essermi reso conto che stavo considerando le correnti di carica e di scarica costanti..
Forse ci sono leggi che riguardano il tempo di carica e scarica d'un condensatore, ma io non ne conosco, purtroppo..
Ho provato ad applicare le leggi di Kirchhoff, ma non riesco a capire come funzioni il condensatore nel circuito.
Quando l'interruttore viene abbassato, inizia a circolare una corrente nel circuito che carica il condensatore, giusto?
Al termine della carica, è ragionevole pensare che nel tratto di maglia che attraversi il condensatore la corrente sia nulla?
Perché, in tal caso, sarebbe necessario che R1+R2 fosse uguale a 510 Ohm.
E' corretto?
Ho provato a fare altri calcoli, attraverso la carica accumulata dal condensatore e le energie dissipate dalla resistenza 2 e dal led in fase di spegnimento, ma mi sono fermato dopo essermi reso conto che stavo considerando le correnti di carica e di scarica costanti..
Forse ci sono leggi che riguardano il tempo di carica e scarica d'un condensatore, ma io non ne conosco, purtroppo..
0
voti
Quindi, il tempo di scarica, è uguale a circa 5RC, dove R è la resistenza alla corrente di scarica e, quindi, R2 + la resistenza interna del Led?
Quest'ultima va valutata?
Nel caso, va calcolata come 1.8V/(20x10^-3A), ovvero 90 Ohm?
Perché, così, mi risulta che
R2 = (3/5)C-90
e
R1+R2 = 510
Inoltre, se si può considerare trascurabile la resistenza interna dell'alimentatore, abbiamo che in fase di carica, che deve durare sempre 3s,
R1 = C/3
Sviluppando il sistema a tre equazioni e tre incognite risulta:
R1 = 214 Ohm
R2 = 296 Ohm
C = 643F
E' corretto?
Quest'ultima va valutata?
Nel caso, va calcolata come 1.8V/(20x10^-3A), ovvero 90 Ohm?
Perché, così, mi risulta che
R2 = (3/5)C-90
e
R1+R2 = 510
Inoltre, se si può considerare trascurabile la resistenza interna dell'alimentatore, abbiamo che in fase di carica, che deve durare sempre 3s,
R1 = C/3
Sviluppando il sistema a tre equazioni e tre incognite risulta:
R1 = 214 Ohm
R2 = 296 Ohm
C = 643F
E' corretto?
1
voti
No, la "resistenza" di un LED non va valutata così
(il perché è spiegato in questo articolo).
Comunque è giusto aver considerato che la somma
di R2 e R2 deve rimanere a valori bassi e che quindi
va maggiorata di conseguenza la capacità C.
Il calcolo è però più complesso perché occorre tener
conto che solo una parte della corrente che passa
per R1 va a "caricare" C e che quando questo è arrivato
alla tensione di equilibrio (partitore R1+R2), tutta
la corrente passa in R2, quindi nel LED.
Un buon compromesso fra carica e scarica può essere
ottenuto con questi valori: R1=470 Ohm, R2= 150 Ohm
e C=10000uF.
La simulazione (con MicroCap9) dà questi andamenti:
La traccia verde è la tensione ai capi di C,
la rossa è quella del LED (che come vedi
è quasi costante).
La terza traccia è invece la corrente nel LED
(che per ragioni di sicurezza è stata tenuta
sotto i 20mA). Si vede comunque la variazione
di questa (che corrisponde grosso modo alla
variazione di luminosità) della durata di alcuni
secondi (l'intero ciclo è di 10s)
Suggerisco ora di passare a qualcosa di più impegnativo
(come suggerito anche da TardoFreak) per es.
un circuito lampeggiatore a tempi prefissati, con LED
pilotato dall'integrato CMOS 555
Leggiti l'articolo e poi, se ci sono problemi nel progetto,
ne riparliamo.
(il perché è spiegato in questo articolo).
Comunque è giusto aver considerato che la somma
di R2 e R2 deve rimanere a valori bassi e che quindi
va maggiorata di conseguenza la capacità C.
Il calcolo è però più complesso perché occorre tener
conto che solo una parte della corrente che passa
per R1 va a "caricare" C e che quando questo è arrivato
alla tensione di equilibrio (partitore R1+R2), tutta
la corrente passa in R2, quindi nel LED.
Un buon compromesso fra carica e scarica può essere
ottenuto con questi valori: R1=470 Ohm, R2= 150 Ohm
e C=10000uF.
La simulazione (con MicroCap9) dà questi andamenti:
La traccia verde è la tensione ai capi di C,
la rossa è quella del LED (che come vedi
è quasi costante).
La terza traccia è invece la corrente nel LED
(che per ragioni di sicurezza è stata tenuta
sotto i 20mA). Si vede comunque la variazione
di questa (che corrisponde grosso modo alla
variazione di luminosità) della durata di alcuni
secondi (l'intero ciclo è di 10s)
Suggerisco ora di passare a qualcosa di più impegnativo
(come suggerito anche da TardoFreak) per es.
un circuito lampeggiatore a tempi prefissati, con LED
pilotato dall'integrato CMOS 555
Leggiti l'articolo e poi, se ci sono problemi nel progetto,
ne riparliamo.
0
voti
Ti ringrazio molto per le informazioni estremamente utili ed interessanti.
La resistenza di un diodo è dunque da considerarsi trascurabile e, in ogni caso, minima, giusto?
E la resistenza posta prima di esso serve per evitare che la corrente salga a soglie elevatissime, visto la curva caratteristica dalla crescita elevatissima, giusto?
Non ho capito in ogni caso i calcoli che permettono di ricavare questi risultati.
In ogni caso, ho capito perfettamente il funzionamento e l'utilizzo del condensatore in questo caso, e questo è ciò che mi interessava.
Provo ora a guardare il tutorial sul CMOS 555, e giunto ad una soluzione ti farò sapere!
Grazie intanto per l'interesse, sei stato esaustivo e gentilissimo!
La resistenza di un diodo è dunque da considerarsi trascurabile e, in ogni caso, minima, giusto?
E la resistenza posta prima di esso serve per evitare che la corrente salga a soglie elevatissime, visto la curva caratteristica dalla crescita elevatissima, giusto?
Non ho capito in ogni caso i calcoli che permettono di ricavare questi risultati.
In ogni caso, ho capito perfettamente il funzionamento e l'utilizzo del condensatore in questo caso, e questo è ciò che mi interessava.
Provo ora a guardare il tutorial sul CMOS 555, e giunto ad una soluzione ti farò sapere!
Grazie intanto per l'interesse, sei stato esaustivo e gentilissimo!
0
voti
Ho letto attentamente il tutorial, e adesso sono intenzionato a realizzare, come mio primo circuito, l'astabile lampeggiatore!
Come posso, allora, procedere allo sbroglio del progetto per arrivare al circuito stampato?
Come posso, allora, procedere allo sbroglio del progetto per arrivare al circuito stampato?
Chi c’è in linea
Visitano il forum: Nessuno e 85 ospiti

Elettrotecnica e non solo (admin)
Un gatto tra gli elettroni (IsidoroKZ)
Esperienza e simulazioni (g.schgor)
Moleskine di un idraulico (RenzoDF)
Il Blog di ElectroYou (webmaster)
Idee microcontrollate (TardoFreak)
PICcoli grandi PICMicro (Paolino)
Il blog elettrico di carloc (carloc)
DirtEYblooog (dirtydeeds)
Di tutto... un po' (jordan20)
AK47 (lillo)
Esperienze elettroniche (marco438)
Telecomunicazioni musicali (clavicordo)
Automazione ed Elettronica (gustavo)
Direttive per la sicurezza (ErnestoCappelletti)
EYnfo dall'Alaska (mir)
Apriamo il quadro! (attilio)
H7-25 (asdf)
Passione Elettrica (massimob)
Elettroni a spasso (guidob)
Bloguerra (guerra)



