Il metodo di ricerca delle frequenza di risonanza mi sembra corretto,
ma cominciamo col dire che non è detto che un segnale a 40 kHz
arrivi alla fine del cavo (50m) e che comunque dovrebbe essere
di una certa potenza (hai amplificato in corrente l'uscita del 555?).
Sui valori dell induttanze non ti posso essere di grande aiuto
(andrebbero misurate, ma richiede una strumentazione particolare)
Circa il segnale, già qualche mV è sufficiente (con un semplice
amplificatore operazionale puoi portarlo facilmente a qualche V)
Volevo anche aggiungere che nel sensore trovo strano mettere
direttamente un diodo di raddrizzamento nello stesso circuito
oscillante (questo riduce drasticamente la sensibilità).
Consiglierei allora di rilevare il segnale direttamente in alternata
(togliendo diodo e condensatore).
recinto per "ambrogio"
Moderatori:
carloc,
g.schgor,
BrunoValente,
IsidoroKZ
0
voti
Forse non l'ho scritto ma le foto che ho allegato sono state fatte solo con il sensore fatto di bobina e condensatore. ho provato una sola volta con il diodo ma più dei 50hz che mi uscivano dalle dita toccando i reofori del diodo, non ho mai visto altro.
A questo punto mi viene anche da chiederti un'altra cosa. Il sistema di spazzolare la frequenza fino a trovare quella di risonanza mi dici che sembra giusto.
Se io lascio solo la bobina, come faccio a sapere se la frequenza è quella giusta? e poi, se io vedo una qualche forma d'onda come quella su foto "sens1", posso già scartarla a priori?
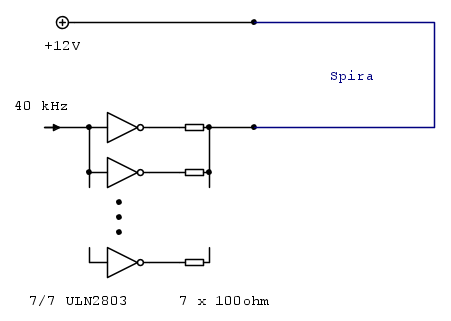
Per il momento non ho amplificato (non saprei come fare). Avevo provato con uln2803 pilotato in 5V ma all'uscita di ogni invertente ho messo una resistenza di 100ohm e alimentato a 12V. L'uscita è sempre meno amplificata che non collegata direttamente all'uscita del 555 alimentato a 12V.
Altra cosa importante che forse ho omesso. Il famoso filo non è "floating", ma è collegato a massa da un lato e all'uscita del 555 dall'altro.
Grazie ancora per tutte le info...
A questo punto mi viene anche da chiederti un'altra cosa. Il sistema di spazzolare la frequenza fino a trovare quella di risonanza mi dici che sembra giusto.
Se io lascio solo la bobina, come faccio a sapere se la frequenza è quella giusta? e poi, se io vedo una qualche forma d'onda come quella su foto "sens1", posso già scartarla a priori?
Per il momento non ho amplificato (non saprei come fare). Avevo provato con uln2803 pilotato in 5V ma all'uscita di ogni invertente ho messo una resistenza di 100ohm e alimentato a 12V. L'uscita è sempre meno amplificata che non collegata direttamente all'uscita del 555 alimentato a 12V.
Altra cosa importante che forse ho omesso. Il famoso filo non è "floating", ma è collegato a massa da un lato e all'uscita del 555 dall'altro.
Grazie ancora per tutte le info...
1
voti
Un circuito risonante è costituito da un'induttore ed un condensatore
di valori tali da oscillare ad una data frequenza (non puoi mettere il
solo induttore): con l'oscilloscopio dovrebbe possibile trovare questa
frequenza (variando quella del 555),
Circa l'amplificazione vedi se puoi procurarti un LM358.
Poi vediamo come utilizarlo.
di valori tali da oscillare ad una data frequenza (non puoi mettere il
solo induttore): con l'oscilloscopio dovrebbe possibile trovare questa
frequenza (variando quella del 555),
Circa l'amplificazione vedi se puoi procurarti un LM358.
Poi vediamo come utilizarlo.
0
voti
Ho un dubbio fin dall'inizio di questa richiesta. Se il sensore e` una bobina, dovrebbe sentire il campo magnetico, e perche' un filo generi campo magnetico deve essere attraversato da corrente. Il filo del recinto porta corrente o e` aperto?
Per usare proficuamente un simulatore, bisogna sapere molta più elettronica di lui
Plug it in - it works better!
Il 555 sta all'elettronica come Arduino all'informatica! (entrambi loro malgrado)
Se volete risposte rispondete a tutte le mie domande
Plug it in - it works better!
Il 555 sta all'elettronica come Arduino all'informatica! (entrambi loro malgrado)
Se volete risposte rispondete a tutte le mie domande
1
voti
Sì, l'osservazione di IsidoroKZ è importante (ed era implicita
nella mia richihiesta di immettere "potenza" nel cavo), quindi
l'estremità va richiusa su un carico adeguato
nella mia richihiesta di immettere "potenza" nel cavo), quindi
l'estremità va richiusa su un carico adeguato
3
voti
Secondo me il primo punto è cercare di avere una corrente "consistente" nel loop trasmittente... se ho ben capito hai realizzato qualcosa del genere...
e le R potersti farle ache più basse....
ora se non vedi una grande tensione ai capi del loop non è un grande problema... ti serve la corrente... poi la tensione dipende dall'impedenza del loop.
Piuttosto il fatto che con l'NE555 e via tu veda più tensione mi lascia perplesso... sei sicuro il loop sia chiuso?
Anche perché quegli spikes che vedi sull'oscilloscopio fanno pensare ad un accoppiamento capacitivo più che induttivo o comunque qualcosa con un banda di frequenza molto spostata verso l'alto...
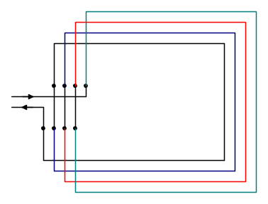
Poi se invece di un filo singolo usi un cavo multiplo e lo colleghi così in pratica fai più spire...
qui è schematizzato con un cavo a 4 conduttori ma ti basta ad esempio un cavo ethernet e ti fai 8 spire facili facili...
Secondo punto: le bobine riceventi... è importante che abbiano una costruzione "aperta" cioè il flusso non deve essere confinato all'interno... toroidi o trasformatori col nucleo E/I o C/I non vanno bene... ci vogliono solenoidi... magari posta due foto...
e le R potersti farle ache più basse....
ora se non vedi una grande tensione ai capi del loop non è un grande problema... ti serve la corrente... poi la tensione dipende dall'impedenza del loop.
Piuttosto il fatto che con l'NE555 e via tu veda più tensione mi lascia perplesso... sei sicuro il loop sia chiuso?
Anche perché quegli spikes che vedi sull'oscilloscopio fanno pensare ad un accoppiamento capacitivo più che induttivo o comunque qualcosa con un banda di frequenza molto spostata verso l'alto...
Poi se invece di un filo singolo usi un cavo multiplo e lo colleghi così in pratica fai più spire...
qui è schematizzato con un cavo a 4 conduttori ma ti basta ad esempio un cavo ethernet e ti fai 8 spire facili facili...
Secondo punto: le bobine riceventi... è importante che abbiano una costruzione "aperta" cioè il flusso non deve essere confinato all'interno... toroidi o trasformatori col nucleo E/I o C/I non vanno bene... ci vogliono solenoidi... magari posta due foto...
Se ti serve il valore di beta: hai sbagliato il progetto!
0
voti
Immaginavo di non essere stato chiaro. Si, il loop o "filo" parte dall'uscita del 555 e finisce a massa! quindi è chiuso. E' vero che la tensione è più alta se la misuro dal 555 ma è anche vero che se in uscita dal 555 c'è un consensatore di disaccoppiamento non c'è corrente che circola (sono un pirla!). Riprovo con uln2803 collegato come da Voi suggerito e vi posto qualche cosa. Magari vi do qualche valore della corrente che circola...
Per LM358 ne ho di sicuro! solo che non so usarli. A parte quello che avete visto negli schemi postati sopra. Ho calcolato il rapporto delle resistenze per determinare il coefficente di amplificazione ma siccome amplificavano poco (secondo me) ne ho fatti più stadi, tuti disaccoppiati. Per il C di disaccoppiamento non ho seguito nessuna regola, solo prove! quello che mi pareva desse il risultato migliore lo tenevo.
Come si calcola la frequenza di risonanza di un circuito LC? dai libri di elettronica ho estratto questa semplicissima formulina f=1/(2*pi*SQR(L*C)). Dato che L dovrei conoscerla (o meglio di tutte quelle che ho su alcune ho un valore scritto) come faccio a ricavare C? in matematica sono tanto frana quanto in elettronica analogica. In excel ho provato questa... C=1/((2*PI.GRECO())^2*L*f) secondo voi è corretta?
L'idea del cavo ethernet mi intriga. Considerato che mi servono almeno 50m il loop finale mi diventa 400m, se già adesso ho problemi con 50m, con 400 che succede? Non sapendo come funzionano i campi magnetici, non è che sullo stesso filo faccio passare correnti con verso contrario pari a quelle con verso dritto i campi si annullino?
I primi circuiti per il recinto che ho provato, usavano tutti l'uln ma collegato direttamente all'uscita di tutti gli invertenti cortocircuitati fra loro. Il filo passava su una resistenza da 50/60ohm 5W (che scaldava parecchio). Ma forse non avendo un buon circuitino risonante non riuscivo a rilevare niente...
Comunque domani posto qualche foto di bobine e circuitini...
Ciao e grazie a tutti
Per LM358 ne ho di sicuro! solo che non so usarli. A parte quello che avete visto negli schemi postati sopra. Ho calcolato il rapporto delle resistenze per determinare il coefficente di amplificazione ma siccome amplificavano poco (secondo me) ne ho fatti più stadi, tuti disaccoppiati. Per il C di disaccoppiamento non ho seguito nessuna regola, solo prove! quello che mi pareva desse il risultato migliore lo tenevo.
Come si calcola la frequenza di risonanza di un circuito LC? dai libri di elettronica ho estratto questa semplicissima formulina f=1/(2*pi*SQR(L*C)). Dato che L dovrei conoscerla (o meglio di tutte quelle che ho su alcune ho un valore scritto) come faccio a ricavare C? in matematica sono tanto frana quanto in elettronica analogica. In excel ho provato questa... C=1/((2*PI.GRECO())^2*L*f) secondo voi è corretta?
L'idea del cavo ethernet mi intriga. Considerato che mi servono almeno 50m il loop finale mi diventa 400m, se già adesso ho problemi con 50m, con 400 che succede? Non sapendo come funzionano i campi magnetici, non è che sullo stesso filo faccio passare correnti con verso contrario pari a quelle con verso dritto i campi si annullino?
I primi circuiti per il recinto che ho provato, usavano tutti l'uln ma collegato direttamente all'uscita di tutti gli invertenti cortocircuitati fra loro. Il filo passava su una resistenza da 50/60ohm 5W (che scaldava parecchio). Ma forse non avendo un buon circuitino risonante non riuscivo a rilevare niente...
Comunque domani posto qualche foto di bobine e circuitini...
Ciao e grazie a tutti
3
voti
Per la frequenza di risonanza ti sei perso un "quadrato" per strada...

Gli amplificatori che hai postato... mi sembra ci siano problemi sulle polarizzazioni di alcuni stadi... non amplificano
Le bobine.... devono essere "grandi"... più sono grandi più flusso concatenano... inoltre le bobine commerciali sono spesso costruite per avere la maggior parte del flusso "all'interno" dato che normalmente averlo "in giro" è fonte di numerosi problemi.. solo che a te serve l'opposto...
Per il loop ovviamente le correnti devono andare tutte nello stesso verso altrimenti si cancellano a vicenda ma se non ho sbagliato nello schema sopra dovrebbe essere così ...
se usi il cavo ethernet puoi fare anche a meno delle resistenze... la resistenza di tale cavo è 17 ohm/100m (per una coppia andata e ritorno) ... con 4 coppie di 50m hai 34 ohm che a 12V ti danno circa 350 mA.
Poi c'è l'induttanza ma quella si potrebbe far risuonare serie con un condensatore...
Comunque io prima di cambiare il cavo mi concentrei sulle bobine riceventi... ho l'impressione che quello sia l'anello debole al momemento...

Gli amplificatori che hai postato... mi sembra ci siano problemi sulle polarizzazioni di alcuni stadi... non amplificano
Le bobine.... devono essere "grandi"... più sono grandi più flusso concatenano... inoltre le bobine commerciali sono spesso costruite per avere la maggior parte del flusso "all'interno" dato che normalmente averlo "in giro" è fonte di numerosi problemi.. solo che a te serve l'opposto...
Per il loop ovviamente le correnti devono andare tutte nello stesso verso altrimenti si cancellano a vicenda ma se non ho sbagliato nello schema sopra dovrebbe essere così ...
se usi il cavo ethernet puoi fare anche a meno delle resistenze... la resistenza di tale cavo è 17 ohm/100m (per una coppia andata e ritorno) ... con 4 coppie di 50m hai 34 ohm che a 12V ti danno circa 350 mA.
Poi c'è l'induttanza ma quella si potrebbe far risuonare serie con un condensatore...
Comunque io prima di cambiare il cavo mi concentrei sulle bobine riceventi... ho l'impressione che quello sia l'anello debole al momemento...
Se ti serve il valore di beta: hai sbagliato il progetto!
0
voti
Posto alcune foto di bobine, ditemi quale Vi piace meglio. L'unica che mi ha dato un po di soddisfazione è la imag0023. Ho provato anche la imag0024 ma non sono riuscito ad accoppiarla. E' una bobina dei un rele 12v (che si è sacrificato per gli esperimenti...)
proprio così, ne ho messi 3 perché con uno non andavo da nessuna parte. Forse il problema è semplice. Non so usarli e sono andato un po ad istinto! Forse non basta...
Ma le immagini 18, 19, 20 e 21 mostrano come hanno fatto su una rivista (spero di non violare copyright o altro). 18 e 19 mostrano il 555 che spara il segnale dentro il loop senza particolari problemi, mentre nella 19 si vede come accoppiare il segnale proveniente dalla bobina alla 20. Io ho ricostruito il circuitino pari pari ma il risultato è stato peggiore che non nel primo circuito con i 3 AmpOp fatto da me.
Ecco perché mi sono intestardito che doveva andare in qualche modo... Ma io anche copiando non ci sono riuscito!!!
Gli amplificatori che hai postato... mi sembra ci siano problemi sulle polarizzazioni di alcuni stadi... non amplificano
proprio così, ne ho messi 3 perché con uno non andavo da nessuna parte. Forse il problema è semplice. Non so usarli e sono andato un po ad istinto! Forse non basta...
Ma le immagini 18, 19, 20 e 21 mostrano come hanno fatto su una rivista (spero di non violare copyright o altro). 18 e 19 mostrano il 555 che spara il segnale dentro il loop senza particolari problemi, mentre nella 19 si vede come accoppiare il segnale proveniente dalla bobina alla 20. Io ho ricostruito il circuitino pari pari ma il risultato è stato peggiore che non nel primo circuito con i 3 AmpOp fatto da me.
Ecco perché mi sono intestardito che doveva andare in qualche modo... Ma io anche copiando non ci sono riuscito!!!

0
voti
Ma le immagini 18, 19, 20 e 21 mostrano come hanno fatto su una rivista (spero di non violare copyright o altro). 18 e 19 mostrano il 555 che spara il segnale dentro il loop senza particolari problemi, mentre nella 19 si vede come accoppiare il segnale proveniente dalla bobina alla 20. Io ho ricostruito il circuitino pari pari ma il risultato è stato peggiore che non nel primo circuito con i 3 AmpOp fatto da me.
Ecco perché mi sono intestardito che doveva andare in qualche modo... Ma io anche copiando non ci sono riuscito!!!
Ecco perché mi sono intestardito che doveva andare in qualche modo... Ma io anche copiando non ci sono riuscito!!!

Chi c’è in linea
Visitano il forum: Nessuno e 60 ospiti

Elettrotecnica e non solo (admin)
Un gatto tra gli elettroni (IsidoroKZ)
Esperienza e simulazioni (g.schgor)
Moleskine di un idraulico (RenzoDF)
Il Blog di ElectroYou (webmaster)
Idee microcontrollate (TardoFreak)
PICcoli grandi PICMicro (Paolino)
Il blog elettrico di carloc (carloc)
DirtEYblooog (dirtydeeds)
Di tutto... un po' (jordan20)
AK47 (lillo)
Esperienze elettroniche (marco438)
Telecomunicazioni musicali (clavicordo)
Automazione ed Elettronica (gustavo)
Direttive per la sicurezza (ErnestoCappelletti)
EYnfo dall'Alaska (mir)
Apriamo il quadro! (attilio)
H7-25 (asdf)
Passione Elettrica (massimob)
Elettroni a spasso (guidob)
Bloguerra (guerra)






