da
posta10100 » 25 giu 2011, 21:24
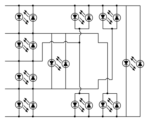
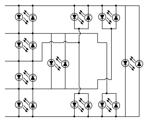
Sostituito il PIC e cacciato qualche scarafaggio dal codice.... ecco il risultato

- 7 Display con un PIC
- display.jpg (38.43 KiB) Osservato 2067 volte
La luminosità non è il suo forte ma dai 25mA del PIC non si può chiedere di più!
Aggiungo i display a Millefori e posto lo schema nel caso dovesse servire a qualcuno.

http://millefori.altervista.orgTool gratuito per chi sviluppa su millefori.
Tutti sanno che una cosa è impossibile da realizzare, finché arriva uno sprovveduto che non lo sa e la inventa. (A. Einstein)
Se non c'e` un 555 non e` un buon progetto (IsidoroKZ)
Strumento per formule