
IsidoroKZ ti prego, non mi fucilare.
Moderatori:
carloc,
g.schgor,
BrunoValente,
IsidoroKZ





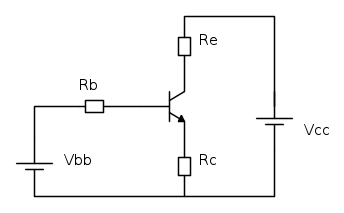
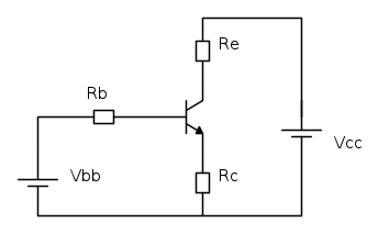
dursino ha scritto:Se non erro il circuito può essere visto come un equivalente con due generatori Vcc (Non posso fare disegno, sono su linux)


DarwinNE ha scritto:dursino ha scritto:Se non erro il circuito può essere visto come un equivalente con due generatori Vcc (Non posso fare disegno, sono su linux)
Colgo l'occasione per ricordare che FidoCadJ è multipiattaforma e funziona perfettamente con Linux.
Nelle ultime pagine del manuale del programma è presente una descrizione molto dettagliata di come procedere per installarlo ed utilizzarlo con Linux Ubuntu. Con altre distribuzioni non è tanto diverso.


Il teorema di Thévenin per le reti elettriche afferma che qualunque circuito lineare, comunque complesso, visto da due punti, è equivalente ad un generatore reale di tensione, in serie con una resistenza


Visitano il forum: Nessuno e 52 ospiti