Riparare un alimentatore per decoder digitale
Moderatori:
carloc,
g.schgor,
BrunoValente,
IsidoroKZ
34 messaggi
• Pagina 2 di 4 • 1, 2, 3, 4
0
voti
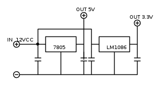
Credo che la corrente massima dell'alimentatore da 12V che ho recuperato sia sufficiente per tutte e 3 le linee di alimentazione. Sul retro del decoder, in prossimità del filo di alimentazione della 220, c'è scritto 15W max...pensi che 2A bastino per le tre linee?? Ho pensato di mettere un 7805 per la +5V ed un 317 per ottenere la +3,3V (quest'ultima sempre dalla linea principale dei +12V visto che il 317 ha un drop out di 3V circa). 
0
voti
Io la farei ancora piu' semplice:
marco
0
voti
Perfetto!! Ti ringrazio per lo schema. Adesso dovrò procurarmi il 1086 nella versione a 3,3V (ho visto che su ebay non ci sono). Dato che il 1086 ha un basso drop out (intorno a 1,5V ho letto), non sarebbe meglio collegarlo ai +5V che mi da il 7805 in modo da dissipare meno calore?
0
voti
Nonostante il LM1086/33 sia un regolatore low drop out, non e' consigliabile collegarlo ai 5V.
Per mancanza di tempo non posso leggere il datasheet, in ogni caso la differenza di tensione mi pare troppo bassa perche' il regolatore possa svolgere al meglio la sua funzione.
Inoltre (e per quanto attiene la dissipazione) dovrebbe essere (tra i due) il regolatore con minor carico di corrente.
Per mancanza di tempo non posso leggere il datasheet, in ogni caso la differenza di tensione mi pare troppo bassa perche' il regolatore possa svolgere al meglio la sua funzione.
Inoltre (e per quanto attiene la dissipazione) dovrebbe essere (tra i due) il regolatore con minor carico di corrente.
marco
0
voti
Ok perfetto, appena ho un po' di tempo mi leggo per bene il datasheet. Sto cercando di procurarmi un paio di LM1086...secondo te quindi i 2A bastano? Non capisco il significato dei "15W max" stampati sul retro del decoder: la potenza, in corrente alternata, non si calcola in maniera diversa della classica formuletta P=V*I?
PS: ti ringrazio per lo schemino ed i consigli
PS: ti ringrazio per lo schemino ed i consigli

0
voti
I 15W rappresentano il consumo totale dell'apparecchio rapportato alla tensione di rete.
Con 2A in continua penso tu possa rientrare nei limiti. Tra l'altro, di solito, sugli stadi alimentatori (quello bruciato, per intendersi) vengono indicate in serigrafia tensioni e correnti.
A proposito, che alimentatore intendi adoperare?
P.S. Ho letto, per mio scrupolo, il datasheet ed appurato che e' possibile il collegamento ai 5V.
Nell' application note e' raccomandato l'uso di due condensatori da 10uF al tantalio.
Con 2A in continua penso tu possa rientrare nei limiti. Tra l'altro, di solito, sugli stadi alimentatori (quello bruciato, per intendersi) vengono indicate in serigrafia tensioni e correnti.
A proposito, che alimentatore intendi adoperare?
P.S. Ho letto, per mio scrupolo, il datasheet ed appurato che e' possibile il collegamento ai 5V.
Nell' application note e' raccomandato l'uso di due condensatori da 10uF al tantalio.
marco
0
voti
Purtroppo questo modulo di alimentazione ha solo le serigrafie dei nomi dei componenti. C'è un codice stampato: SM-PS-FT-C1 però cercando su google non si ottiene nulla.
L'alimentatore che utilizzerò è questo http://www.sunfone.com.tw/main.php?fid=04&page_name=product_detail&prod_id=1943 ...un classico alimentatore da muro che utilizzavo con un hd esterno del PC.
L'alimentatore che utilizzerò è questo http://www.sunfone.com.tw/main.php?fid=04&page_name=product_detail&prod_id=1943 ...un classico alimentatore da muro che utilizzavo con un hd esterno del PC.
0
voti
34 messaggi
• Pagina 2 di 4 • 1, 2, 3, 4
Chi c’è in linea
Visitano il forum: Nessuno e 93 ospiti

Elettrotecnica e non solo (admin)
Un gatto tra gli elettroni (IsidoroKZ)
Esperienza e simulazioni (g.schgor)
Moleskine di un idraulico (RenzoDF)
Il Blog di ElectroYou (webmaster)
Idee microcontrollate (TardoFreak)
PICcoli grandi PICMicro (Paolino)
Il blog elettrico di carloc (carloc)
DirtEYblooog (dirtydeeds)
Di tutto... un po' (jordan20)
AK47 (lillo)
Esperienze elettroniche (marco438)
Telecomunicazioni musicali (clavicordo)
Automazione ed Elettronica (gustavo)
Direttive per la sicurezza (ErnestoCappelletti)
EYnfo dall'Alaska (mir)
Apriamo il quadro! (attilio)
H7-25 (asdf)
Passione Elettrica (massimob)
Elettroni a spasso (guidob)
Bloguerra (guerra)




