costruire un semaforo
Moderatori:
carloc,
g.schgor,
BrunoValente,
IsidoroKZ
-1
voti
io ne so molto meno di lei e ne sono sicuro, ma io dico elettromeccanica in senso di relè
-

milan1996pato2
851 3 10 13 - Sostenitore

- Messaggi: 1062
- Iscritto il: 4 ago 2011, 17:42
1
voti
Ha ragione il nostro
Nelle categorie dei componenti elettromeccanici entrano anche a pieno titolo i relè.
sarebbe bello , ma io preferisco l'elettromeccanica
Qui invece ha ragione
Dovresti fare qualche sforzo in più per cercare di riuscire a saldare dei componenti elettronici, conosco persone di mezza età, ciechi come talpe e con mani rubate all'agricoltura che saldano SMD come se nulla fosse.
Tu sei giovane, hai tempo e quindi applicati.
-

Ivan_Iamoni
5.336 6 10 12 - Utente disattivato per decisione dell'amministrazione proprietaria del sito
- Messaggi: 2330
- Iscritto il: 22 ott 2006, 18:45
1
voti
Visto che la soluzione del 555 e' troppo difficile, prendi tre led di diverso colore rosso, giallo e verde, tre pulsanti e una batteria da nove volt. Colleghi il tutto e poi premi un pulsante dopo l'altro per vedere l'effetto che fa.
marco
0
voti
allora i temporizzatori li ho costruiti io con l'aiuto di
g.schgor e non sono giganti , e siccome vado a scuola per elettricista e non per elettronico vorrei usare la mia soluzione , per marco438 ci ho già provato ma non da soddisfazione come vederlo girare da solo
-

milan1996pato2
851 3 10 13 - Sostenitore

- Messaggi: 1062
- Iscritto il: 4 ago 2011, 17:42
0
voti
@
Ivan_Iamoni
Quella definizione l'ho trovata su wikipedia!
P.S. l'ho detto solo per onor di cronaca tutto qui!
Quella definizione l'ho trovata su wikipedia!
P.S. l'ho detto solo per onor di cronaca tutto qui!
0
voti
http://www.falstad.com/circuit/e-traffic.html.
E allora cosa chiedi?
milan1996pato2 ha scritto:per favore fatemelo fare come voglio io questo semaforo
E allora cosa chiedi?

Per usare un simulatore devi conoscere più elettronica di lui. [
IsidoroKZ]
40. There are two ways to write error-free programs; only the third one works.
[Alan J. Perlis, Epigrams on Programming]
40. There are two ways to write error-free programs; only the third one works.
[Alan J. Perlis, Epigrams on Programming]
1
voti
Non so se lo fai apposta, ma non presti la dovuta attenzione a quanto ti viene suggerito.
Per esempio, il suggerimento di
argento che vedi qui, non è altro che una leggera variante a quei timer che dici di avere realizzato con
g.schgor, a cui hai fatto sudare "sette camicie".
Quindi segui questo suggerimento e anche se studi come dici tu da "elettricista" dove non è detto da nessuna parte che debba essere ignorante di elettronica, farai una bella figura ed imparerai cose nuove.
Per esempio, il suggerimento di
Quindi segui questo suggerimento e anche se studi come dici tu da "elettricista" dove non è detto da nessuna parte che debba essere ignorante di elettronica, farai una bella figura ed imparerai cose nuove.
-

Ivan_Iamoni
5.336 6 10 12 - Utente disattivato per decisione dell'amministrazione proprietaria del sito
- Messaggi: 2330
- Iscritto il: 22 ott 2006, 18:45
1
voti
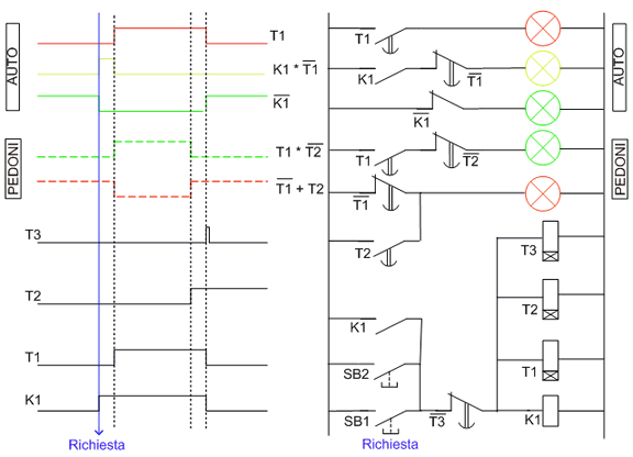
Vedo solo ora la tua richiesta di costruire un semaforo elettromeccanico.
Ovviamente è possibile, ma ti devo avvertire che il costo di una soluzione
elettromeccanica è molto maggiore di quello di una soluzione elettronica.
Il fatto è che i relè temporizzatori hanno costi elevati (e poi scopri che
dentro c'è l'elettronica!).
Per farti un'idea, guarda questi cataloghi
e dimmi se decidi di comperarne un paio (per realizzare il semaforo)
Ovviamente è possibile, ma ti devo avvertire che il costo di una soluzione
elettromeccanica è molto maggiore di quello di una soluzione elettronica.
Il fatto è che i relè temporizzatori hanno costi elevati (e poi scopri che
dentro c'è l'elettronica!).
Per farti un'idea, guarda questi cataloghi
e dimmi se decidi di comperarne un paio (per realizzare il semaforo)
Chi c’è in linea
Visitano il forum: Nessuno e 108 ospiti

Elettrotecnica e non solo (admin)
Un gatto tra gli elettroni (IsidoroKZ)
Esperienza e simulazioni (g.schgor)
Moleskine di un idraulico (RenzoDF)
Il Blog di ElectroYou (webmaster)
Idee microcontrollate (TardoFreak)
PICcoli grandi PICMicro (Paolino)
Il blog elettrico di carloc (carloc)
DirtEYblooog (dirtydeeds)
Di tutto... un po' (jordan20)
AK47 (lillo)
Esperienze elettroniche (marco438)
Telecomunicazioni musicali (clavicordo)
Automazione ed Elettronica (gustavo)
Direttive per la sicurezza (ErnestoCappelletti)
EYnfo dall'Alaska (mir)
Apriamo il quadro! (attilio)
H7-25 (asdf)
Passione Elettrica (massimob)
Elettroni a spasso (guidob)
Bloguerra (guerra)






