accensione e spegnimento resistenza in base alla temperatura
Moderatori:
carloc,
g.schgor,
BrunoValente,
IsidoroKZ
0
voti
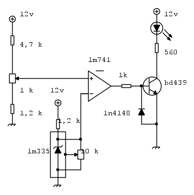
nel adj del LM335 per regolare la temperatura di riferimento, mentre il partitore sopra serve per stabilire a che temperatura si deve spegnere la resistenza, ti posso scrivere il link dove ho preso lo schema..?
-

battiesguscia
5 4 - Frequentatore

- Messaggi: 103
- Iscritto il: 14 ott 2011, 9:45
0
voti
IL BD439 sopporta fino a 4 A di corrente sul collettore, quindi devi scegliere un relè la cui bobina non assorba di più; il BD439 deve essere montato su dissipatore.
Per impermeabilizzare l'LM335 non userei silicone perché penso riduca la trasmissione della temperatura.
Su due piedi, mi vengono in mente solo alcune idee:
1. avvolgi il 335 in un pezzo di sacchetto per alimenti
2. avvolgi il 335 in un pezzo di carta d'alluminio per cucina; i piedini del 335 devono essere ricoperti di guaina termoretraibile
Per impermeabilizzare l'LM335 non userei silicone perché penso riduca la trasmissione della temperatura.
Su due piedi, mi vengono in mente solo alcune idee:
1. avvolgi il 335 in un pezzo di sacchetto per alimenti
2. avvolgi il 335 in un pezzo di carta d'alluminio per cucina; i piedini del 335 devono essere ricoperti di guaina termoretraibile
0
voti
ho letto che il LM741 ha bisogno di una tensione duale, oppure per usare una singola tensione si deve creare una massa virtuale con condensatore e resitenza..
Posso sostituire nello schema LM741 con un LM331 o LM339?? che hanno una alimentazione singola??
Posso sostituire nello schema LM741 con un LM331 o LM339?? che hanno una alimentazione singola??
-

battiesguscia
5 4 - Frequentatore

- Messaggi: 103
- Iscritto il: 14 ott 2011, 9:45
0
voti
forse LM339 è il piu appropiato...
secondo te??
secondo te??
-

battiesguscia
5 4 - Frequentatore

- Messaggi: 103
- Iscritto il: 14 ott 2011, 9:45
0
voti
Per risponderti, ho bisogno di documentarmi, quindi per adesso devi avere un po' di pazienza oppure aspettare che risponda qualcun altro.
0
voti
L'uA741 puo' funzionare anche con alimentazione singola; dipende dall'applicazione.
Quindi non vedo perche' dovresti sostituirlo.
Quindi non vedo perche' dovresti sostituirlo.
marco
0
voti
quindi con la mia applicazione puo amdare a singola tensione??
come faccio a saperlo...cosa devo vedere nel datasheet??
come faccio a saperlo...cosa devo vedere nel datasheet??
-

battiesguscia
5 4 - Frequentatore

- Messaggi: 103
- Iscritto il: 14 ott 2011, 9:45
0
voti
Prima ho risposto di getto ad una tua domanda senza rendermi conto che (qualche post fa) avevi illustrato lo schema originale nel quale, in effetti, e' usata una alimentazione duale.
L'operazionale non puo' comunque essere sostituito "sic et simpliciter" con un altro, senza rivalutare l'intero circuito.
L'operazionale non puo' comunque essere sostituito "sic et simpliciter" con un altro, senza rivalutare l'intero circuito.
marco
1
voti
Per vedere se puoi andare ad alimentazione singola devi guardare il range di tensione di modo comune all'ingresso e la dinamica di uscita. Nel tuo caso non puo` funzionare perche' l'uscita non riesce a scendere fino a 0V ad alimentazione singola e probabilmente il transistore rimarrebbe sempre acceso.
Anche il modo comune in ingresso probabilmente non scende abbastanza, ma non ho controllato.
Usa un LM358 che invece e` adatto a lavorare ad alimentazione singola. Aggiungerei un po' di isteresi altrimenti la commutazione potrebbe essere multipla accende/spegne di continuo.
Per il comparatore con isteresi e l'interfacciamento con un transistore, guarda gli articoli 2 e 3 della serie "progetto termostato" http://www.electroyou.it/isidorokz/wiki/progetto-termostato-ii-dimensionamento-circuito e qui.
Anche il modo comune in ingresso probabilmente non scende abbastanza, ma non ho controllato.
Usa un LM358 che invece e` adatto a lavorare ad alimentazione singola. Aggiungerei un po' di isteresi altrimenti la commutazione potrebbe essere multipla accende/spegne di continuo.
Per il comparatore con isteresi e l'interfacciamento con un transistore, guarda gli articoli 2 e 3 della serie "progetto termostato" http://www.electroyou.it/isidorokz/wiki/progetto-termostato-ii-dimensionamento-circuito e qui.
Per usare proficuamente un simulatore, bisogna sapere molta più elettronica di lui
Plug it in - it works better!
Il 555 sta all'elettronica come Arduino all'informatica! (entrambi loro malgrado)
Se volete risposte rispondete a tutte le mie domande
Plug it in - it works better!
Il 555 sta all'elettronica come Arduino all'informatica! (entrambi loro malgrado)
Se volete risposte rispondete a tutte le mie domande
Chi c’è in linea
Visitano il forum: Nessuno e 89 ospiti

Elettrotecnica e non solo (admin)
Un gatto tra gli elettroni (IsidoroKZ)
Esperienza e simulazioni (g.schgor)
Moleskine di un idraulico (RenzoDF)
Il Blog di ElectroYou (webmaster)
Idee microcontrollate (TardoFreak)
PICcoli grandi PICMicro (Paolino)
Il blog elettrico di carloc (carloc)
DirtEYblooog (dirtydeeds)
Di tutto... un po' (jordan20)
AK47 (lillo)
Esperienze elettroniche (marco438)
Telecomunicazioni musicali (clavicordo)
Automazione ed Elettronica (gustavo)
Direttive per la sicurezza (ErnestoCappelletti)
EYnfo dall'Alaska (mir)
Apriamo il quadro! (attilio)
H7-25 (asdf)
Passione Elettrica (massimob)
Elettroni a spasso (guidob)
Bloguerra (guerra)



