Buona Sera,
ho ricontrollato tutti i collegamenti e non ho trovato nulla di diverso dal circuito previsto.
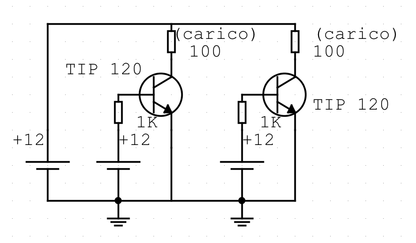
Ho anche provato a cambiare il circuito come da link http://ctheds.files.wordpress.com/2007/10/tip120.jpg
(senza il diodo) e in pratica il circuito risulta adesso come in allegato.
Riassumo: se collego solo un ingresso e un'uscita corrispondente (no importa se uno dei due canali che ho fatto) funziona, mentre se collego i due in e i due out le uscite sono al massimo della luminosita' senza subire alcuna variazione temporale.
Grazie
Circuito esterno per potenziare centralina luci per presepe
Moderatori:
carloc,
g.schgor,
BrunoValente,
IsidoroKZ
14 messaggi
• Pagina 2 di 2 • 1, 2
0
voti
- Allegati
-
- Schermata 2011-12-18 a 22.45.23.png (29.06 KiB) Osservato 1070 volte
-

threedance
0 2 - Messaggi: 9
- Iscritto il: 17 dic 2011, 20:38
0
voti
No, così non può funzionare !
Il mio schema è, ripeto, un emitter-follower,
cioè col carico fra emettitore e GND.
Per fare delle prove (senza centralina) basta
alimentare la base con un potenziometro-partitore
e vedere l'effetto sul carico.
Il mio schema è, ripeto, un emitter-follower,
cioè col carico fra emettitore e GND.
Per fare delle prove (senza centralina) basta
alimentare la base con un potenziometro-partitore
e vedere l'effetto sul carico.
0
voti
Buon Giorno e Grazie.
Questa sera riporto il circuito come in origine e faro' delle prove (anche se il risultato era lo stesso).
Grazie
Questa sera riporto il circuito come in origine e faro' delle prove (anche se il risultato era lo stesso).
Grazie
-

threedance
0 2 - Messaggi: 9
- Iscritto il: 17 dic 2011, 20:38
0
voti
Credevo di aver postato l'ultima segnalazione... ma non la vedo... e la ri-inserisco
Purtroppo dopo aver smontato completamente il circuito e rimontato come disegno iniziale il risultato e' lo stesso e cioe' che se usato singolarmente funziona e se collego due TIP 120 su due canali della centralina entrambi vanno al massimo della tensione senza modulazioni.
Ho risolto (per ora va bene) alimentando il ramo dei Led blue con un alimentatore esterno fisso a 12 volt e ho lasciato la modulazione sul ramo dei Led Bianchi.
Credo il problema sia nella circuitazione della centralina perche' quando lo utilizzavo lo stesso circuito esterno con la demoboard K8055 funzionava regolamente.
Grazie comunque e Auguri.
Purtroppo dopo aver smontato completamente il circuito e rimontato come disegno iniziale il risultato e' lo stesso e cioe' che se usato singolarmente funziona e se collego due TIP 120 su due canali della centralina entrambi vanno al massimo della tensione senza modulazioni.
Ho risolto (per ora va bene) alimentando il ramo dei Led blue con un alimentatore esterno fisso a 12 volt e ho lasciato la modulazione sul ramo dei Led Bianchi.
Credo il problema sia nella circuitazione della centralina perche' quando lo utilizzavo lo stesso circuito esterno con la demoboard K8055 funzionava regolamente.
Grazie comunque e Auguri.
-

threedance
0 2 - Messaggi: 9
- Iscritto il: 17 dic 2011, 20:38
14 messaggi
• Pagina 2 di 2 • 1, 2
Chi c’è in linea
Visitano il forum: Nessuno e 49 ospiti

Elettrotecnica e non solo (admin)
Un gatto tra gli elettroni (IsidoroKZ)
Esperienza e simulazioni (g.schgor)
Moleskine di un idraulico (RenzoDF)
Il Blog di ElectroYou (webmaster)
Idee microcontrollate (TardoFreak)
PICcoli grandi PICMicro (Paolino)
Il blog elettrico di carloc (carloc)
DirtEYblooog (dirtydeeds)
Di tutto... un po' (jordan20)
AK47 (lillo)
Esperienze elettroniche (marco438)
Telecomunicazioni musicali (clavicordo)
Automazione ed Elettronica (gustavo)
Direttive per la sicurezza (ErnestoCappelletti)
EYnfo dall'Alaska (mir)
Apriamo il quadro! (attilio)
H7-25 (asdf)
Passione Elettrica (massimob)
Elettroni a spasso (guidob)
Bloguerra (guerra)
