Mi sono espresso male, scusa. Prima mi riferivo esattamente alla differenza tra VOH e VDD.
Ciao
PONTE AD H con NPN e PNP niente da fare...
Moderatori:
carloc,
g.schgor,
BrunoValente,
IsidoroKZ
0
voti
gohan ha scritto:Mi sono espresso male, scusa. Prima mi riferivo esattamente alla differenza tra VOH e VDD.
Cioè intendi tra il +12volt e il pin del PIC diretto, prima della rb?
Ovviamente ho una testione che si alterna da 12,20 volt a 7,42 volt in assenza di r2
mettendo una r2 da 18 k i valori rimangono invariati
mettendo una r2 da 27 k i valori rimangono invariati
non è che per caso ti sei confuso....
perché invece inserendo unaresistenza da 600 ohm il motore si ferma e riparteeeeeeeeeeeeeeeeee
io lo ammetto sono andato a caso, una fortuna, però ora vorrei sapere la formula esatta,
0
voti
andrewto ha scritto: chi mi aiuta?
Fa finta che non esiste il BJT e che il micro sia un generatore di tensione.
Poi calcola la tensione al nodo tra le due resistenze con la sovrapposizione degli effetti.

http://millefori.altervista.org
Tool gratuito per chi sviluppa su millefori.
Tutti sanno che una cosa è impossibile da realizzare, finché arriva uno sprovveduto che non lo sa e la inventa. (A. Einstein)
Se non c'e` un 555 non e` un buon progetto (IsidoroKZ)
Strumento per formule
Tool gratuito per chi sviluppa su millefori.
Tutti sanno che una cosa è impossibile da realizzare, finché arriva uno sprovveduto che non lo sa e la inventa. (A. Einstein)
Se non c'e` un 555 non e` un buon progetto (IsidoroKZ)
Strumento per formule
-

posta10100
5.550 4 10 13 - Master EY

- Messaggi: 4832
- Iscritto il: 5 nov 2006, 0:09
0
voti
Te lo spiega
admin
http://www.electroyou.it/vis_resource.p ... ezio&id=26
Se qualcosa non ti è chiaro chiedi pure!

http://www.electroyou.it/vis_resource.p ... ezio&id=26
Se qualcosa non ti è chiaro chiedi pure!

http://millefori.altervista.org
Tool gratuito per chi sviluppa su millefori.
Tutti sanno che una cosa è impossibile da realizzare, finché arriva uno sprovveduto che non lo sa e la inventa. (A. Einstein)
Se non c'e` un 555 non e` un buon progetto (IsidoroKZ)
Strumento per formule
Tool gratuito per chi sviluppa su millefori.
Tutti sanno che una cosa è impossibile da realizzare, finché arriva uno sprovveduto che non lo sa e la inventa. (A. Einstein)
Se non c'e` un 555 non e` un buon progetto (IsidoroKZ)
Strumento per formule
-

posta10100
5.550 4 10 13 - Master EY

- Messaggi: 4832
- Iscritto il: 5 nov 2006, 0:09
2
voti
.andrewto ha scritto: In realtà ora sto usando questo motorino per le prove ma ho un attuatore lineare da 2A da collegare in futuro, ecco perché mi sono procurato quei transistor.
Con 2 ampere non basta il circuito che hai usato tu. Ci vogliono almeno dei driver in grado di iniettare abbastanza corrente nelle basi dei transistori del ponte da portarli in saturazione. il che significa ALMENO 200-250 mA, una corrente che a quanto ne so nessuna porta logica, per quanto "speciale" possa essere è in grado di erogare. Quando si lavora con correnti importanti ci vogliono circuiti seri, non quelli trovati in qualche modo nel sacchetto delle patatine. Per pilotare decentemente quel circuito con una porta logica occorre almeno una cascata di tre transistori - o, in alternativa la loro sostituzione con dei MOS adatti ad essere pilotati dalla tensione di uscita tipica delle porte logiche.
CIao
Piercarlo
0
voti
Piercarlo ha scritto:Con 2 ampere non basta il circuito che hai usato tu.
userò infatti questo ponte ad H con mosfet
http://shinigamirobots.wordpress.com/2011/05/09/motor-driver-con-ponte-h/
2
voti
andrewto ha scritto: userò infatti questo ponte ad H con mosfet
http://shinigamirobots.wordpress.com/2011/05/09/motor-driver-con-ponte-h/
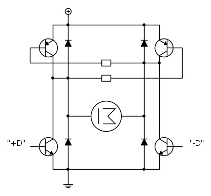
... in cui il mosfet non c'entra un beato nulla con il funzionamento del ponte (mi pare che serva solo a fare il duplicatore della tensione di alimentazione - e già è tutto dire sulla sua capacità di tirare fuori due ampere per un attuatore!). Il circuito che deve pilotare il motore è sempre quello del sacchetto delle patatine.
Intanto, se proprio si vuole insistere, si può anche dare un po' più d'occhio alla marca delle patatine a cui ci si ispira. Il ciruito qua sotto viene dalla Philips, che qualche idea abbastanza chiara di come far funzionare l'elettronica ce l'ha:
Il circuito funziona senza incertezze in tutte le condizioni di lavoro: se devi far girare il motore in un senso applichi le polarità del segnale "D" (driving) in un modo, altrimenti nell'altro. Se non applichi nessun segnale il motore sta fermo al suo posto. Il circuito è solo una traccia oviamente: i valori sono tutti da dimensionare ma questo lo devi fare tu in base a quello che ti serve...
Ciao
Piercarlo
0
voti
candy ha scritto:Urca,Piercarlo, non me ne volere. Ha anche idea di come generare dei bei picchi di corrente.
Io forse qualcuna,
Cioa
Piercarlo
Chi c’è in linea
Visitano il forum: Nessuno e 407 ospiti

Elettrotecnica e non solo (admin)
Un gatto tra gli elettroni (IsidoroKZ)
Esperienza e simulazioni (g.schgor)
Moleskine di un idraulico (RenzoDF)
Il Blog di ElectroYou (webmaster)
Idee microcontrollate (TardoFreak)
PICcoli grandi PICMicro (Paolino)
Il blog elettrico di carloc (carloc)
DirtEYblooog (dirtydeeds)
Di tutto... un po' (jordan20)
AK47 (lillo)
Esperienze elettroniche (marco438)
Telecomunicazioni musicali (clavicordo)
Automazione ed Elettronica (gustavo)
Direttive per la sicurezza (ErnestoCappelletti)
EYnfo dall'Alaska (mir)
Apriamo il quadro! (attilio)
H7-25 (asdf)
Passione Elettrica (massimob)
Elettroni a spasso (guidob)
Bloguerra (guerra)



