Io poi, dal punto di vista numerico, risolverei cosi'
rasistenze in parallelo e in serie
Moderatori:
carloc,
g.schgor,
BrunoValente,
IsidoroKZ
20 messaggi
• Pagina 2 di 2 • 1, 2
0
voti
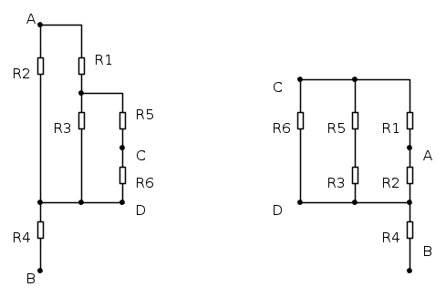
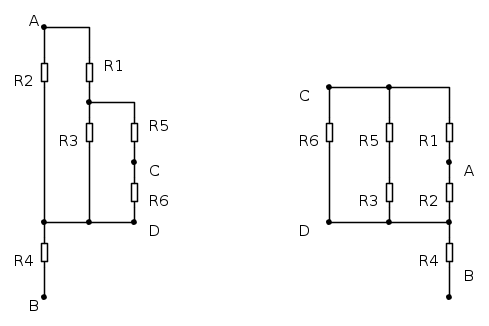
Non farti fregare dalla diagonale, disegnati lo schema partendo da un nodo e riportandolo ad una visualizzazione grafica più congeniale, vale in questo caso in cui facendolo puoi risolvere tutto con serie e parallelo, non in qualsiasi circuito.
Se tu lo facessi ti troveresti più o meno così e penso che tutto ti sarebbe più chiaro.
Quello che invece non sarei capace di calcolare sarebbe un sistema di resistenze messe ad H, perché non saprei calcolare la resistenza equivalente, in questi casi uso il tester.
Se qualcuno vuol colmare la lacuna......
Se tu lo facessi ti troveresti più o meno così e penso che tutto ti sarebbe più chiaro.
Quello che invece non sarei capace di calcolare sarebbe un sistema di resistenze messe ad H, perché non saprei calcolare la resistenza equivalente, in questi casi uso il tester.
Se qualcuno vuol colmare la lacuna......
0
voti
Io lo ridisegnerei così
Personalmente trovo sia più semplice.
Personalmente trovo sia più semplice.
0
voti
Magari mettendo anche il pallino dove serve, sull'incrocio (collegato) dei due conduttori.
Per usare proficuamente un simulatore, bisogna sapere molta più elettronica di lui
Plug it in - it works better!
Il 555 sta all'elettronica come Arduino all'informatica! (entrambi loro malgrado)
Se volete risposte rispondete a tutte le mie domande
Plug it in - it works better!
Il 555 sta all'elettronica come Arduino all'informatica! (entrambi loro malgrado)
Se volete risposte rispondete a tutte le mie domande
0
voti
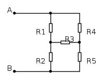
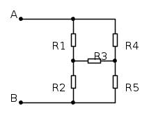
Vorrei ricordare,parlando in generale,che oltre alle formule per serie e parallelo esistono anche le formule di conversione triangolo/stella e stella/triangolo utili a ricondurre circuiti "strani" alle condizioni di serie e parallelo. (tenendo presente che una "T" è una stella e un "pigreco" è un triangolo!)
-

claudiocedrone
21,3k 4 7 9 - Master EY

- Messaggi: 15303
- Iscritto il: 18 gen 2012, 13:36
0
voti
Cox ha scritto:Quello che invece non sarei capace di calcolare sarebbe un sistema di resistenze messe ad H, perché non saprei calcolare la resistenza equivalente......
Non ho capito. Potresti spiegare meglio quello che hai scritto?
0
voti
0
voti
Cox ha scritto:Quello che invece non sarei capace di calcolare sarebbe un sistema di resistenze messe ad H, perché non saprei calcolare la resistenza equivalente, in questi casi uso il tester.
Se qualcuno vuol colmare la lacuna......
Per l'H si usa sempre una stella-triangolo (destra/sinistra) o triangolo-stella (alto/basso), a seconda della "convenienza numerica", ad ogni modo, se vuoi qualcosa di piu' "esotico" della solita "minestra", puoi sempre usare Wang
viewtopic.php?f=41&t=29191&p=241719&hilit=wang#p238059
"Il circuito ha sempre ragione" (Luigi Malesani)
0
voti
Grazie davvero
RenzoDF ho salvato il PDF il cui link stava nella discussione che ha suggerito, lo stampo e lo studio... e tengo il tester a portata di mano 
Ma ormai che ci siamo, posso avere anche la ricetta della solita minestra ? Così l'assaggio anch'io.
Ma ormai che ci siamo, posso avere anche la ricetta della solita minestra ? Così l'assaggio anch'io.
0
voti
La solita minestra consiste nel vedere la H (se proprio "serve" ruotala!) come composta da due T (stella) con una stanghetta ( R3 ) in comune o da due pigreco (triangolo) con una stanghetta (sempre R3) in comune,trasformando uno dei due T o pigreco ti ritrovi con il suo equivalente in serie/parallelo con le due resistenze rimanenti ; le formule di conversione le trovi sui testi di elettrotecnica dell'asilo (io le "feci" allo IPSIA per tecnici meccanici,purtroppo per motivi di "velocità" del programma di studi non veniva spiegato il procedimento matematico da cui derivavano, ci vorrebbero più ISIDOROKZ in giro!) subito dopo quelle dei serie/parallelo di resistenze!
P.s. puoi consigliarmi qualche testo dell'asilo nido che mi insegni a usare questo c...di PC ? 
P.s. puoi consigliarmi qualche testo dell'asilo nido che mi insegni a usare questo c...di PC ? -

claudiocedrone
21,3k 4 7 9 - Master EY

- Messaggi: 15303
- Iscritto il: 18 gen 2012, 13:36
20 messaggi
• Pagina 2 di 2 • 1, 2
Chi c’è in linea
Visitano il forum: Nessuno e 162 ospiti

Elettrotecnica e non solo (admin)
Un gatto tra gli elettroni (IsidoroKZ)
Esperienza e simulazioni (g.schgor)
Moleskine di un idraulico (RenzoDF)
Il Blog di ElectroYou (webmaster)
Idee microcontrollate (TardoFreak)
PICcoli grandi PICMicro (Paolino)
Il blog elettrico di carloc (carloc)
DirtEYblooog (dirtydeeds)
Di tutto... un po' (jordan20)
AK47 (lillo)
Esperienze elettroniche (marco438)
Telecomunicazioni musicali (clavicordo)
Automazione ed Elettronica (gustavo)
Direttive per la sicurezza (ErnestoCappelletti)
EYnfo dall'Alaska (mir)
Apriamo il quadro! (attilio)
H7-25 (asdf)
Passione Elettrica (massimob)
Elettroni a spasso (guidob)
Bloguerra (guerra)










