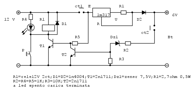
Non appena si preme il pulsante o si collega la batteria il relè si eccita e non stacca più. Quindi il circuito è un generatore di corrente costante, che è giusto, ma non controlla la tensione finale.
Propongo un circuito così:
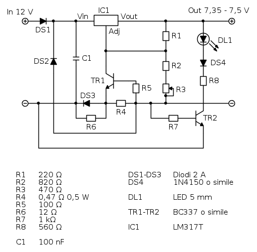
Tutte le resistenze sono da 0,25 W se non diversamente indicato.
l'LM317 è utilizzato come generatore di tensione costante, da regolare tramite R3 a 7,35-7,5 V, tensioni indicate sulla batteria.
R4, R5 e TR1 abbassano la tensione sul piedino di regolazione quando la corrente raggiunge 1,2 A, dando quindi la limitazione in corrente.
DS3, R6, R7 e TR2 servono per mantenere acceso il led DL1 quando la batteria si sta caricando.Quando la corrente di carica scende sotto i 50 mA (stabiliti da R6) il led si spegne, indicando che la batteria è carica. Se il led non si spegne si può ridurre R6 a 5,6 Ω, spostando la corrente di fine carica a circa 100 mA.
Il caricabatteria indica la fine carica ma il distacco deve essere manuale (entro un'ora per esempio).
Se pensi di non poter essere troppo tempestivo a staccare, regola la tensione d'uscita a 6,9-7,2 V (corrispondenti a 2,3-2,4 V per elemento) così non rischi di far bollire la batteria.
DS1 serve a proteggere il circuito contro il collegamento a polarità invertita dell'alimentatore.
DS2 e DS4 servono come protezione contro il collegamento a polarità invertita della batteria (anche con alimentatore spento o non collegato).
L'LM317 va fissato su un'aletta di raffreddamento.

Elettrotecnica e non solo (admin)
Un gatto tra gli elettroni (IsidoroKZ)
Esperienza e simulazioni (g.schgor)
Moleskine di un idraulico (RenzoDF)
Il Blog di ElectroYou (webmaster)
Idee microcontrollate (TardoFreak)
PICcoli grandi PICMicro (Paolino)
Il blog elettrico di carloc (carloc)
DirtEYblooog (dirtydeeds)
Di tutto... un po' (jordan20)
AK47 (lillo)
Esperienze elettroniche (marco438)
Telecomunicazioni musicali (clavicordo)
Automazione ed Elettronica (gustavo)
Direttive per la sicurezza (ErnestoCappelletti)
EYnfo dall'Alaska (mir)
Apriamo il quadro! (attilio)
H7-25 (asdf)
Passione Elettrica (massimob)
Elettroni a spasso (guidob)
Bloguerra (guerra)







