
raddrizzare 12V
Moderatori:
carloc,
g.schgor,
BrunoValente,
IsidoroKZ
0
voti
[12] Re: raddrizzare 12 V
dimitri94 ha scritto:dell' articolo "Alimentazione dei circuiti sperimentali" mi sfuggono due cose...
i valori di C5 che dice "come il precendente" e di R3 che non lo trovo...![]()
Ti ringrazio per aver portato la mia attenzione su questo punto ed aver rilevato un errore che ho subito provveduto a correggere (comunque, a parte il mio errore, "come il precedente" mi pare significhi "come quello che viene prima, che ho appena citato, ecc"). Quindi riguarda l'articolo per i valori.
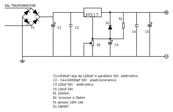
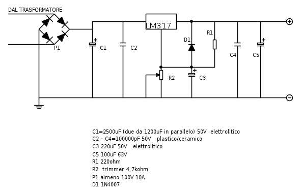
R3 sarebbe la resistenza da porre tra base ed emettitore del transistor ma, visto quanto scritto in precedenza, nel tuo caso non serve cosi' come il transistor stesso.
Disponendo di correnti intorno ad 1A, il transistor puo' essere omesso a patto che il LM317 venga ben dissipato.
Questo integrato, secondo il costruttore e montato su una generosa aletta, dovrebbe supportare correnti fino a 1.5A.
marco
0
voti
[13] Re: raddrizzare 12 V
scusa la mia disattenzione ma non riesco a trovare dove c' èp scritto il valore di r3
quindi si puo togliere...?
quindi togliere il transistor comporta appunto come ai detto montare l' integrato su una generosa aletta...
di che materiale deve essere...?
marco438 ha scritto:R3 sarebbe la resistenza da porre tra base ed emettitore del transistor ma, visto quanto scritto in precedenza, nel tuo caso non serve cosi' come il transistor stesso.
quindi si puo togliere...?
marco438 ha scritto:Disponendo di correnti intorno ad 1A, il transistor puo' essere omesso a patto che il LM317 venga ben dissipato.
quindi togliere il transistor comporta appunto come ai detto montare l' integrato su una generosa aletta...
di che materiale deve essere...?
0
voti
[14] Re: raddrizzare 12 V
Si, il transistor serve quando si debbano ottenere correnti superiori ad 1A; qundi nel tuo caso e' inutile come pure R3. Il valore di questa resistenza non c'e' perche' va ricavato con le formule scritte in precedenza sull'articolo ed alle quali ho rimandato per non fare un' inutile ripetizione.
I dissipatori sono comunemente fatti di alluminio e si trovano in varie forme,grandezze e capacita' dissipative; devono essere scelti in base alle caratteristiche di cio' che devono dissipare. Vedi qui.
I dissipatori sono comunemente fatti di alluminio e si trovano in varie forme,grandezze e capacita' dissipative; devono essere scelti in base alle caratteristiche di cio' che devono dissipare. Vedi qui.
marco
1
voti
[16] Re: raddrizzare 12 V
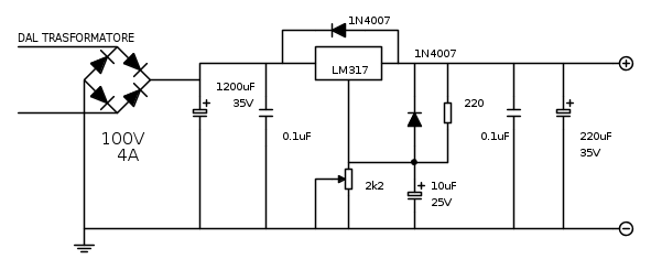
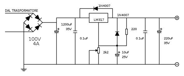
Per C1 bastano 1200uF; per C3 metti 10uF invece di 220uF. (ma li leggi i miei messaggi?)
Per la realizzazione pratica, se ti puo' interessare, qui puoi trovare anche lo schema pratico per la millefori.
Per la realizzazione pratica, se ti puo' interessare, qui puoi trovare anche lo schema pratico per la millefori.
marco
0
voti
[20] Re: raddrizzare 12 V
Eccoti lo schema riveduto e corretto:
Prendi l'abitudine di indicare i valori dei componenti nello schema; e' piu' comodo per chi legge.
Prendi l'abitudine di indicare i valori dei componenti nello schema; e' piu' comodo per chi legge.
marco
Chi c’è in linea
Visitano il forum: Nessuno e 88 ospiti

Elettrotecnica e non solo (admin)
Un gatto tra gli elettroni (IsidoroKZ)
Esperienza e simulazioni (g.schgor)
Moleskine di un idraulico (RenzoDF)
Il Blog di ElectroYou (webmaster)
Idee microcontrollate (TardoFreak)
PICcoli grandi PICMicro (Paolino)
Il blog elettrico di carloc (carloc)
DirtEYblooog (dirtydeeds)
Di tutto... un po' (jordan20)
AK47 (lillo)
Esperienze elettroniche (marco438)
Telecomunicazioni musicali (clavicordo)
Automazione ed Elettronica (gustavo)
Direttive per la sicurezza (ErnestoCappelletti)
EYnfo dall'Alaska (mir)
Apriamo il quadro! (attilio)
H7-25 (asdf)
Passione Elettrica (massimob)
Elettroni a spasso (guidob)
Bloguerra (guerra)




