Grazie Marco per la risposta! Volevo sapere come sei arrivato a dire che i condensatori necessari sono da 1200uF! Inoltre non ho capito la risposta riguardo alla tensione!
Se io ho un trasformatore 230/9 vuol dire che la tensione di picco dopo il trasformatore è di 9V ma una volta messi i condensatori non è più bassa? Quanto?
Grazie
diake
Costruire il mio primo alimentatore da 9V
Moderatori:
carloc,
g.schgor,
BrunoValente,
IsidoroKZ
47 messaggi
• Pagina 2 di 5 • 1, 2, 3, 4, 5
0
voti
Se hai un trasformatore da 9V (tensione di picco), difficilmente potrai arrivare ad ottenerne altrettanti stabiizzati.
Bisogna partire almeno da 12V, per ottenerli.
Ti consiglio in proposito la lettura di questo
La formula relativa al calcolo dei condensatori e piuttosto complessa e al momento non la ho sottomano (ne la ricordo a memoria) e comunque porta a dei valori decisamente piu' bassi di quelli che ti ho indicato; empiricamente si usano formule come la seguente :
, oppure si calcolano 1000uF per ogni ampere.
I valori poi ottenuti si arrotondano a quelli commerciali in uso.
Bisogna partire almeno da 12V, per ottenerli.
Ti consiglio in proposito la lettura di questo
La formula relativa al calcolo dei condensatori e piuttosto complessa e al momento non la ho sottomano (ne la ricordo a memoria) e comunque porta a dei valori decisamente piu' bassi di quelli che ti ho indicato; empiricamente si usano formule come la seguente :
, oppure si calcolano 1000uF per ogni ampere.I valori poi ottenuti si arrotondano a quelli commerciali in uso.
marco
0
voti
grazie mille, era solo curiosità per evitare di fare le cose senza sapere come funzionano!
A proposito ho letto dall'articolo da te suggerito che Vmedia=Vpiccox2/3.14, che mi da circa 14v se poi aggiungo 2v( uno per diodo) e 3v(per l'integrato), sono circa 20V. Esistono da 20 o devo prenderlo da 24?
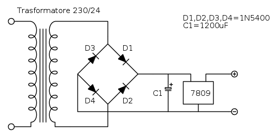
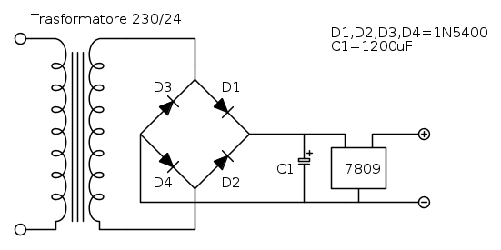
Vi posto lo schema per essere più chiari.
grazie
Diake
A proposito ho letto dall'articolo da te suggerito che Vmedia=Vpiccox2/3.14, che mi da circa 14v se poi aggiungo 2v( uno per diodo) e 3v(per l'integrato), sono circa 20V. Esistono da 20 o devo prenderlo da 24?
Vi posto lo schema per essere più chiari.
grazie
Diake
0
voti
Hai ragione, leggendo meglio, nel caso il trasformatore sia da 24, direi che Vpicco=24x1.41(radice di 2 che non so scrivere), e Vmedia=34x2/3.14=21.6V
giusto?? a quanto abbassa però il condensatore la tensione??
grazie
diake
giusto?? a quanto abbassa però il condensatore la tensione??
grazie
diake
0
voti
Allora, per chiarire, partiamo da un trasformatore che dia 12V nominali.
rappresenta il valore di picco dopo il ponte; il condensatore non provoca cadute di tensione ed il regolatore ha un drop-out di circa 2V che vanno sottratti.
rappresenta il valore di picco dopo il ponte; il condensatore non provoca cadute di tensione ed il regolatore ha un drop-out di circa 2V che vanno sottratti.marco
0
voti
quindi il condensatore non influisce in alcun modo sulla tensione, radrizza solo l'onda, credevo che radrizzandola la portasse a un livello medio tra 0 e Vpicco! non intendevo che avesse una caduta!
inoltre leggendo il post su "raddrizzare 12v" ho scoperto che la l'intensità che arriva al ponte è Itrasf/1.4, quindi per erogare 1A devo cercare un trasformatore che habbia 1,5A.
giusto?
scusa, quando ho iniziato questo post credevo di avere le conoscenze adatte ma ora sto scoprendo molte nuove cose
inoltre leggendo il post su "raddrizzare 12v" ho scoperto che la l'intensità che arriva al ponte è Itrasf/1.4, quindi per erogare 1A devo cercare un trasformatore che habbia 1,5A.
giusto?
scusa, quando ho iniziato questo post credevo di avere le conoscenze adatte ma ora sto scoprendo molte nuove cose
0
voti
Mi pare che tu non abbia ben letto l'articolo; il condensatore serve a livellare la tensione non a rettificarla (o meglio raddrizzarla)che e' compito del ponte raddrizzatore.
Ti consiglio di rileggerlo almeno per la parte introduttiva.
Ti consiglio di rileggerlo almeno per la parte introduttiva.
marco
0
voti
Ho sbagliato il termine, livella l'onda, ma appunto perché la livella credevo che la tensione dopo essere stata livellata fosse una media tra 0 e Vpicco! Non é così mi dici tu, vero?
Grazie
Grazie
0
voti
Ripeto, per chiarirti le idee rileggi l'articolo; in introduzione c'e' una rappresentazione grafica delle varie forme d'onda che si presentano nelle varie fasi dell'alimentatore.
marco
47 messaggi
• Pagina 2 di 5 • 1, 2, 3, 4, 5
Chi c’è in linea
Visitano il forum: Nessuno e 167 ospiti

Elettrotecnica e non solo (admin)
Un gatto tra gli elettroni (IsidoroKZ)
Esperienza e simulazioni (g.schgor)
Moleskine di un idraulico (RenzoDF)
Il Blog di ElectroYou (webmaster)
Idee microcontrollate (TardoFreak)
PICcoli grandi PICMicro (Paolino)
Il blog elettrico di carloc (carloc)
DirtEYblooog (dirtydeeds)
Di tutto... un po' (jordan20)
AK47 (lillo)
Esperienze elettroniche (marco438)
Telecomunicazioni musicali (clavicordo)
Automazione ed Elettronica (gustavo)
Direttive per la sicurezza (ErnestoCappelletti)
EYnfo dall'Alaska (mir)
Apriamo il quadro! (attilio)
H7-25 (asdf)
Passione Elettrica (massimob)
Elettroni a spasso (guidob)
Bloguerra (guerra)



