Raddrizzatore
Moderatori:
carloc,
g.schgor,
BrunoValente,
IsidoroKZ
33 messaggi
• Pagina 2 di 4 • 1, 2, 3, 4
0
voti
[12] Re: Raddrizzatore
Per quello sto provvedendo, ho preso da un sito lo schema degli stabilizzatori di tensione della serie 78xx e 79xx.
Utilizzerò un 7805 per avere 5V e, nel caso in cui la tensione sia duale, con un 7905 otterrò i -5V.
Poi con un lm317 e il relativo circuito avrò una tensione variabile che ovviamente terrò sotto controllo con un voltmetro analogico.
Il sito degli schemi degli stabilizzatori serie 78xx 79xx:
http://www.febat.com/Elettronica/Elettronica_regolatori_tensione_fissa.html
Utilizzerò un 7805 per avere 5V e, nel caso in cui la tensione sia duale, con un 7905 otterrò i -5V.
Poi con un lm317 e il relativo circuito avrò una tensione variabile che ovviamente terrò sotto controllo con un voltmetro analogico.
Il sito degli schemi degli stabilizzatori serie 78xx 79xx:
http://www.febat.com/Elettronica/Elettronica_regolatori_tensione_fissa.html
0
voti
[13] Re: Raddrizzatore
Scusami ma vedo che non hai ancora le idee chiare; se vuoi variare la tensione non servono 7805/7905 ma si dovrebbero adoperare un LM317 per il ramo positivo ed un LM337 per quello negativo (vedi datasheet).
marco
0
voti
[14] Re: Raddrizzatore
Non mi sono spiegato bene. Io avrò diverse tensioni in uscita.
I 12V ce li ho già, i 5V (duale o normale che sia) li ottengo dai 78xx e quella variabile che ottengo dall'lm317.
In breve, avrò una circuiteria per darmi i 5V ed una per darmi una tensione variabile ed entrambe le uscite le collego alle relative boccole che fisserò sul case (che in questo caso non è altri che un case di alimentatore da PC, oramai defunto).
I 12V ce li ho già, i 5V (duale o normale che sia) li ottengo dai 78xx e quella variabile che ottengo dall'lm317.
In breve, avrò una circuiteria per darmi i 5V ed una per darmi una tensione variabile ed entrambe le uscite le collego alle relative boccole che fisserò sul case (che in questo caso non è altri che un case di alimentatore da PC, oramai defunto).
0
voti
[15] Re: Raddrizzatore
In questi casi c'e` una sola parola: SCHEMA!, ovviamente fatto in fidocad.
Per usare proficuamente un simulatore, bisogna sapere molta più elettronica di lui
Plug it in - it works better!
Il 555 sta all'elettronica come Arduino all'informatica! (entrambi loro malgrado)
Se volete risposte rispondete a tutte le mie domande
Plug it in - it works better!
Il 555 sta all'elettronica come Arduino all'informatica! (entrambi loro malgrado)
Se volete risposte rispondete a tutte le mie domande
0
voti
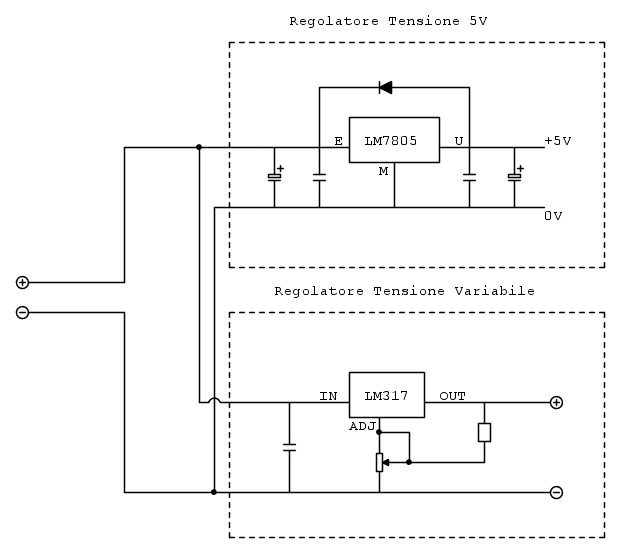
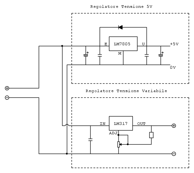
[16] Re: Raddrizzatore
Ecco lo schema:
Ovviamente, se c'è anche una tensione negativa, la stessa cosa è da ripetersi con le dovute modifiche.
Ovviamente, se c'è anche una tensione negativa, la stessa cosa è da ripetersi con le dovute modifiche.
0
voti
[18] Re: Raddrizzatore
Ho già detto che non so se il mio è un trasformatore in grado di fornirmi una tensione negativa (altrimenti non avrei neanche aperto questo argomento), pertanto nello schema ho solamente trattato la parte in ambito della tensione positiva ed ho specificatamente indicato in fondo che nel caso in cui fosse possibile avere anche una tensione negativa, verranno ripetuti gli schemi con le opportune modifiche, a partire dagli integrati.
Ovviamente le uscite dei due circuiti regolatori di tensioni andranno alle boccole che ho prima citato.
Ovviamente le uscite dei due circuiti regolatori di tensioni andranno alle boccole che ho prima citato.
0
voti
[19] Re: Raddrizzatore
Mi pare di averti gia' detto che e' possibile, avendo un trasformatore come il tuo, ottenere una tensione positiva ed una negativa rispetto la massa ed anche gli integrati da usare.
marco
33 messaggi
• Pagina 2 di 4 • 1, 2, 3, 4
Chi c’è in linea
Visitano il forum: Nessuno e 160 ospiti

Elettrotecnica e non solo (admin)
Un gatto tra gli elettroni (IsidoroKZ)
Esperienza e simulazioni (g.schgor)
Moleskine di un idraulico (RenzoDF)
Il Blog di ElectroYou (webmaster)
Idee microcontrollate (TardoFreak)
PICcoli grandi PICMicro (Paolino)
Il blog elettrico di carloc (carloc)
DirtEYblooog (dirtydeeds)
Di tutto... un po' (jordan20)
AK47 (lillo)
Esperienze elettroniche (marco438)
Telecomunicazioni musicali (clavicordo)
Automazione ed Elettronica (gustavo)
Direttive per la sicurezza (ErnestoCappelletti)
EYnfo dall'Alaska (mir)
Apriamo il quadro! (attilio)
H7-25 (asdf)
Passione Elettrica (massimob)
Elettroni a spasso (guidob)
Bloguerra (guerra)




