elect ha scritto:mi interessa il passaggio in cui si suppone nulla l'alimentazione e si collega tutto a riferimento... perché?
è per il principio di sovrapposizione degli effetti.
se in un circuito ci sono più generatori collegati ai carichi, si può determinare tensioni e correnti accendendo un generatore alla volta. per ottenere i valori che si hanno con tutti i generatori accesi basta sommare i vari risultati ottenuti.
per generatore spento si intende corto circuito per i generatori di tensione e circuito aperto per quelli di corrente.
nel caso specifico, le alimentazioni sono due: Vi e 15V.
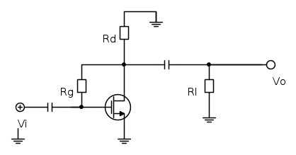
nel circuito di polarizzazione si cortocircuita Vi, lasciando accesa Vi. essendoci dei condensatori, che per la corrente continua sono circuiti aperti, non li considero, così come non considero R1 e Vo.
nel circuito ai piccoli segnali, invece, cortocircuito i 15V. dato che sono riferiti a massa, è come se collegassi in questo modo il circuito
facendo gli opportuni "stiracchiamenti" del circuito, inserendo il modello equivalente al posto del mosfet e ricordandomi che i condensatori sono (teoricamente) trasparenti segnali alternati (Vi è un segnale AC), ottengo il circuito ai piccoli segnali che hai disegnato te.
elect ha scritto:non sarebbe "più equivalente" un circuito uguale al secondo con l'altro estremo di Rd collegato ad un'alimentazione di 15 V invece che a massa (non mettendola quindi in parallelo con le altre resistenze) ?
no, perché come spiegato si applica il principio di sovrapposizione degli effetti.

Elettrotecnica e non solo (admin)
Un gatto tra gli elettroni (IsidoroKZ)
Esperienza e simulazioni (g.schgor)
Moleskine di un idraulico (RenzoDF)
Il Blog di ElectroYou (webmaster)
Idee microcontrollate (TardoFreak)
PICcoli grandi PICMicro (Paolino)
Il blog elettrico di carloc (carloc)
DirtEYblooog (dirtydeeds)
Di tutto... un po' (jordan20)
AK47 (lillo)
Esperienze elettroniche (marco438)
Telecomunicazioni musicali (clavicordo)
Automazione ed Elettronica (gustavo)
Direttive per la sicurezza (ErnestoCappelletti)
EYnfo dall'Alaska (mir)
Apriamo il quadro! (attilio)
H7-25 (asdf)
Passione Elettrica (massimob)
Elettroni a spasso (guidob)
Bloguerra (guerra)




