Regolatore di tensione LM2576T -ADJ
Moderatori:
carloc,
g.schgor,
BrunoValente,
IsidoroKZ
0
voti
Salve ecco le foto che ho scattato oggi del circuito
Ultima modifica di
Lele_u_biddrazzu il 15 lug 2012, 17:06, modificato 1 volta in totale.
Motivazione: Inserite le immagini in linea con il testo.
Motivazione: Inserite le immagini in linea con il testo.
0
voti
ed eccone una dal lato delle saldataure.
se volete posso anche descriverne i collegamenti.
ricordate che questa e' ruotata di 180° a causa dei fili che dovrebbero essere collegati alla batteria.
edit Lele: le immagini vanno inserite in linea con il testo!
se volete posso anche descriverne i collegamenti.
ricordate che questa e' ruotata di 180° a causa dei fili che dovrebbero essere collegati alla batteria.
edit Lele: le immagini vanno inserite in linea con il testo!
Ultima modifica di
Lele_u_biddrazzu il 15 lug 2012, 17:07, modificato 1 volta in totale.
Motivazione: Inserita immagine in linea con il testo.
Motivazione: Inserita immagine in linea con il testo.
0
voti
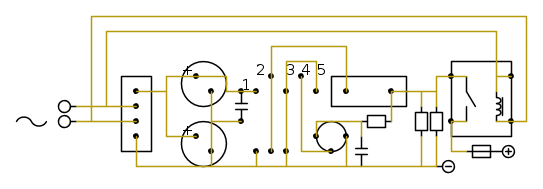
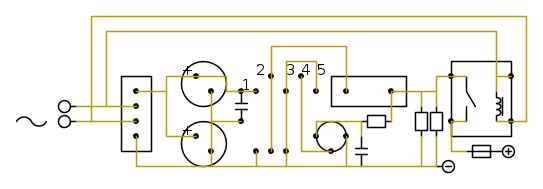
Per quanto ho potuto vedere (la realizzazione e' a dir poco caotica) sembra che i collegamenti siano fatti come da schema.
Se non rilevi tensione sul pin 2, si puo' pensare che il regolatore sia passato a miglior vita.
Certo e' che se avessi studiato un layout migliore si perderebbe meno tempo nelle ispezioni.
Ora vado a vedere se trovo i disegni che avevo fatto io tempo fa e te li posto, nel caso ti venisse l'idea di fare un lavoro ordinato.

Se non rilevi tensione sul pin 2, si puo' pensare che il regolatore sia passato a miglior vita.
Certo e' che se avessi studiato un layout migliore si perderebbe meno tempo nelle ispezioni.
Ora vado a vedere se trovo i disegni che avevo fatto io tempo fa e te li posto, nel caso ti venisse l'idea di fare un lavoro ordinato.

marco
0
voti
Di seguito trovi il disegno del layout del circuito che ho trovato e riadattato ai materiali da te impiegati:
Come potrai vedere ho fatto si che sia il regolatore che il diodo fast si trovino ai bordi della basetta; si presume infatti che entrambi (come pure le due resistense in uscita) scaldino un bel po', quindi andranno muniti di appositi dissipatori piu' grossi di quelli che tu hai ipotizzato e montato.
Prima ho gia' detto che il regolatore potrebbe essere danneggiato tuttavia, fossi in te, mi andrei a leggere il datasheet per quanto attiene i valori delle due resistenze di regolazione.
Non ho fatto conti ma, a palmi, mi sembra che quelli adottati non siano idonei.
Come potrai vedere ho fatto si che sia il regolatore che il diodo fast si trovino ai bordi della basetta; si presume infatti che entrambi (come pure le due resistense in uscita) scaldino un bel po', quindi andranno muniti di appositi dissipatori piu' grossi di quelli che tu hai ipotizzato e montato.
Prima ho gia' detto che il regolatore potrebbe essere danneggiato tuttavia, fossi in te, mi andrei a leggere il datasheet per quanto attiene i valori delle due resistenze di regolazione.
Non ho fatto conti ma, a palmi, mi sembra che quelli adottati non siano idonei.
marco
0
voti
Grazie per il tempo impiegato
Si purtroppo come layout fa proprio pena, ma non riuscivo a trovare una posizione ottimale dell'integrato in maniera da lasciare lontane le piste di corrente da quelle di regolazione.
Nell'altro forum dicevano di tentare di tenerle lontane per evitare autooscillazioni dell'lm. In particolare si riferifavo al trimmer di regolazione che dovesse stare vicino all'integrato ma lontano alla linea di ingresso /uscita dell'integrato quindi lontano dai pin 1 e 2
Io purtroppo mi sono ritrovato con la pista del negativo al centro del circuito e ho dovuto fare dei salti mortali per far corrispondere tutto il resto
Si purtroppo come layout fa proprio pena, ma non riuscivo a trovare una posizione ottimale dell'integrato in maniera da lasciare lontane le piste di corrente da quelle di regolazione.
Nell'altro forum dicevano di tentare di tenerle lontane per evitare autooscillazioni dell'lm. In particolare si riferifavo al trimmer di regolazione che dovesse stare vicino all'integrato ma lontano alla linea di ingresso /uscita dell'integrato quindi lontano dai pin 1 e 2
Io purtroppo mi sono ritrovato con la pista del negativo al centro del circuito e ho dovuto fare dei salti mortali per far corrispondere tutto il resto
Ultima modifica di
loker il 16 lug 2012, 17:00, modificato 1 volta in totale.
0
voti
Cosi' come lo ho disegnato e' gia' stato realizzato da me con esito positivo; il mio amico che lo adopera, dice che funziona ma io non ho mai controllato di persona visto che sta a 200km da casa mia e li ricarica le sue batterie.
Vedi tu cosa vuoi fare.
Vedi tu cosa vuoi fare.
marco
0
voti
Grazie lo stesso. Ho provato con 2 integrati a far funzionare il circuito, ma nessuna uscita. Pensavo che il primo magari lo avessi fatto fuori durante le saldature, ma nel secondo caso ho montato quei supporti per evitare qualsiasi riscaldamento, ma nessuna tensione in uscita ne' sul pin2 ne' sul pin4.
A questo punto penso di provare a realizzare un semplice regolatore di tensione con questi integrati almeno per testarli. Pensi che il circuito a pagina 9 figura due possa andare bene?
1)Siccome vorrei riutilizzare quasi in tutto il mio circuito tranne la parte dopo l'induttore pensi possa funzionare?
2)Ho un dubbio: come posso essere sicuro che la mia induttanza sia corretta? Non ho un misuratore di induttanze, sull'altro forum dicevano di avvolgere 60 spire di filo di rame smaltato su un anello di ferrite come quelli che si trovano su un alimentatore atx.
A questo punto penso di provare a realizzare un semplice regolatore di tensione con questi integrati almeno per testarli. Pensi che il circuito a pagina 9 figura due possa andare bene?
1)Siccome vorrei riutilizzare quasi in tutto il mio circuito tranne la parte dopo l'induttore pensi possa funzionare?
2)Ho un dubbio: come posso essere sicuro che la mia induttanza sia corretta? Non ho un misuratore di induttanze, sull'altro forum dicevano di avvolgere 60 spire di filo di rame smaltato su un anello di ferrite come quelli che si trovano su un alimentatore atx.
0
voti
Prima di buttare tutto alle ortiche, sarebbe consigliabile (lo avevo gia' detto) controllare sul datasheet se i valori delle resistenze impiegate siano congrui con la tensione d'uscita. Ti ricordo che dai valori delle due resistenze applicate al pin 4 dipende il valore delle tensione massima ottenibile; quindi, adoperando valori sbagliati, la tensione in uscita potrebbe essere zero.
marco
Chi c’è in linea
Visitano il forum: Google [Bot] e 63 ospiti

Elettrotecnica e non solo (admin)
Un gatto tra gli elettroni (IsidoroKZ)
Esperienza e simulazioni (g.schgor)
Moleskine di un idraulico (RenzoDF)
Il Blog di ElectroYou (webmaster)
Idee microcontrollate (TardoFreak)
PICcoli grandi PICMicro (Paolino)
Il blog elettrico di carloc (carloc)
DirtEYblooog (dirtydeeds)
Di tutto... un po' (jordan20)
AK47 (lillo)
Esperienze elettroniche (marco438)
Telecomunicazioni musicali (clavicordo)
Automazione ed Elettronica (gustavo)
Direttive per la sicurezza (ErnestoCappelletti)
EYnfo dall'Alaska (mir)
Apriamo il quadro! (attilio)
H7-25 (asdf)
Passione Elettrica (massimob)
Elettroni a spasso (guidob)
Bloguerra (guerra)



