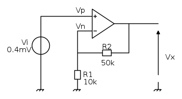
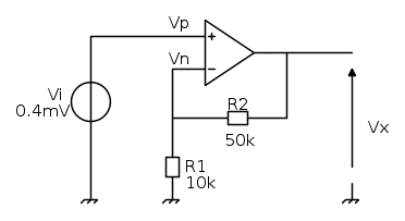
Essendo ideale, come hai detto te hai
e le correnti in sugli ingressi ip e in =0.Allora essendo
, hai che anche sull'ingresso invertente (
) c'è la stessa 
Quindi abbiamo detto che

Se guardi
è la tensione che è applicata proprio si
, quindi è facile calcolare la corrente 
Poi visto che la
, perché l'amplificatore è ideale, hai che la corrente
, e detto ciò è facile calcolare 
Abbiamo detto che
quindi hai che 
Ci sei fino a qua? Poi Vo e Io le calcoli sapendo la Vx

Elettrotecnica e non solo (admin)
Un gatto tra gli elettroni (IsidoroKZ)
Esperienza e simulazioni (g.schgor)
Moleskine di un idraulico (RenzoDF)
Il Blog di ElectroYou (webmaster)
Idee microcontrollate (TardoFreak)
PICcoli grandi PICMicro (Paolino)
Il blog elettrico di carloc (carloc)
DirtEYblooog (dirtydeeds)
Di tutto... un po' (jordan20)
AK47 (lillo)
Esperienze elettroniche (marco438)
Telecomunicazioni musicali (clavicordo)
Automazione ed Elettronica (gustavo)
Direttive per la sicurezza (ErnestoCappelletti)
EYnfo dall'Alaska (mir)
Apriamo il quadro! (attilio)
H7-25 (asdf)
Passione Elettrica (massimob)
Elettroni a spasso (guidob)
Bloguerra (guerra)








