Amplificatore operazionale
Moderatori:
carloc,
g.schgor,
BrunoValente,
IsidoroKZ
38 messaggi
• Pagina 2 di 4 • 1, 2, 3, 4
0
voti
una curiosità... ma non può essere che Vout sia data dalla somma di tutte le tensioni??
0
voti
Università Politecnica delle Marche, a quale indirizzo? Il testo sembrerebbe Fondamenti di Elettronica (non so se si chiama così ancora).
Hai studiato per bene ed a fondo elettrotecnica? hai avuto come professore il Dott. F. Piazza ??
Chi tiene il corso di Elettronica? Che libro usate?
Rispondi a queste domande oltre a quelle fatte prima dai miei colleghi e per la tua affermazione sulla Vout... no non è la somma di tutte le tensioni in ingresso...
PS: consiglio, non "scarabocchiare" sui testi di esame, nemmeno a matita... fai una fotocopia a quota 160 e poi ti sbizzarrisci, se l'ateneo è quello in futuro capirai perché mi sono permesso di scrivere questo
oltre al classico buon senso di avere sempre una copia "d'ufficio" intonsa.
Luca.
Hai studiato per bene ed a fondo elettrotecnica? hai avuto come professore il Dott. F. Piazza ??
Chi tiene il corso di Elettronica? Che libro usate?
Rispondi a queste domande oltre a quelle fatte prima dai miei colleghi e per la tua affermazione sulla Vout... no non è la somma di tutte le tensioni in ingresso...
PS: consiglio, non "scarabocchiare" sui testi di esame, nemmeno a matita... fai una fotocopia a quota 160 e poi ti sbizzarrisci, se l'ateneo è quello in futuro capirai perché mi sono permesso di scrivere questo
oltre al classico buon senso di avere sempre una copia "d'ufficio" intonsa.
Luca.0
voti
si, ingegneria biomedica dell'Univpm... il corso si chiama Elementi di Elettronica con il prof. Conti, e usiamo il suo libro... Elementi d Elettronica di Conti e Turchetti... per quanto riguarda elettrotecnica, che ci fa Piazza, non l'ho studiata ancora come si deve, proprio per questo ho dei dubbi sui circuiti...
il testo non è mio, l'ha scannerizzato un ragazzo del corso...
il testo non è mio, l'ha scannerizzato un ragazzo del corso...
4
voti
Questo tipo di problemi non viene illustrato nella lezione in cui si spiegano gli operazionali, ma ad esercitazione, quando si analizzano casi piu` complicati, come questo.
Per semplificarsi la vita si puo` fare l'equivalente Thevenin di R2, R7 e V2, e dall'altro lato di R1, R4, V1 e Vdd. Ti ritrovi con un circuito di questo tipo, molto piu` facile da trattare.
Per semplificarsi la vita si puo` fare l'equivalente Thevenin di R2, R7 e V2, e dall'altro lato di R1, R4, V1 e Vdd. Ti ritrovi con un circuito di questo tipo, molto piu` facile da trattare.
Per usare proficuamente un simulatore, bisogna sapere molta più elettronica di lui
Plug it in - it works better!
Il 555 sta all'elettronica come Arduino all'informatica! (entrambi loro malgrado)
Se volete risposte rispondete a tutte le mie domande
Plug it in - it works better!
Il 555 sta all'elettronica come Arduino all'informatica! (entrambi loro malgrado)
Se volete risposte rispondete a tutte le mie domande
1
voti
Il libro non lo conosco, i due professori si.
Ciò che ti consiglio è questo:
1 - studiare bene l'elettrotecnica, e magari dare anche l'esame
, in particolar modo il metodo maglie e nodi, Thevenin e Norton e anche Bartlett (o come si scrive
). Servono come base per i circuiti elettronici in seguito, se non ti districhi bene farai una confusione mondiale...
2 - parla con il professor Conti di quel particolare circuito, non avere timore, è una persona disponibilissima e calma, idem il professor Turchetti e Piazza. Possono spiegarti bene il metodo con cui lo affrontano e tutto ciò di cui hai bisogno.
3 - segui le esercitazioni, quel circuito si fa SEMPRE, o per lo meno io l'ho sempre visto fare e risolvere... ma prima devi fare delle semplificazioni, per questo prima ho chiesto dell'elettrotecnica.
Se vuoi posso controllare se sul libro Sedra ci sia qualcosa di uguale, o molto simile, l'ho in formato PDF... (ovviamente non completo
) però mi ribadisco, è importante che hai bene chiara in mente l'elettrotecnica.
Tornando al circuito, sai almeno che tipo di modello usate in classe per l'op.amp? Ideale?
Facci sapere,
Luca.
EDIT: mi ha preceduto IsidoroKZ, ma ciò che ho chiesto resta valido, e lui ha adottato "semplificazioni" di cui parlavamo nei post precedenti entrambi. La cosa migliore da fare secondo me, oltre a ciò che ho detto sopra, è andare a parlare con il prof del corso con una tua idea, ragionevole
, di come svolgeresti l'esercizio, e poi sentire cosa dice lui ed in sostanza capire se usa le tue stesse semplificazioni o meno.
Ciò che ti consiglio è questo:
1 - studiare bene l'elettrotecnica, e magari dare anche l'esame
2 - parla con il professor Conti di quel particolare circuito, non avere timore, è una persona disponibilissima e calma, idem il professor Turchetti e Piazza. Possono spiegarti bene il metodo con cui lo affrontano e tutto ciò di cui hai bisogno.
3 - segui le esercitazioni, quel circuito si fa SEMPRE, o per lo meno io l'ho sempre visto fare e risolvere... ma prima devi fare delle semplificazioni, per questo prima ho chiesto dell'elettrotecnica.
Se vuoi posso controllare se sul libro Sedra ci sia qualcosa di uguale, o molto simile, l'ho in formato PDF... (ovviamente non completo
Tornando al circuito, sai almeno che tipo di modello usate in classe per l'op.amp? Ideale?
Facci sapere,
Luca. EDIT: mi ha preceduto IsidoroKZ, ma ciò che ho chiesto resta valido, e lui ha adottato "semplificazioni" di cui parlavamo nei post precedenti entrambi. La cosa migliore da fare secondo me, oltre a ciò che ho detto sopra, è andare a parlare con il prof del corso con una tua idea, ragionevole
0
voti
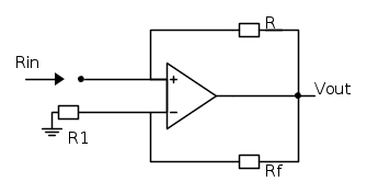
Ulteriore semplificazione, se si indica con
e
e si scrivono Vx e Vy in funzione dei due beta (che sono dei partitori), viene ancora piu` in fretta e si ottiene Vu in funzione di betap betan, V1eq e V2eq. Poi al posto dei beta si sostituiscono le loro espressioni, al posto di R27 e R14 e delle Veq si sostituiscono le espressioni e viene una formula che non finisce piu`
.
e
e si scrivono Vx e Vy in funzione dei due beta (che sono dei partitori), viene ancora piu` in fretta e si ottiene Vu in funzione di betap betan, V1eq e V2eq. Poi al posto dei beta si sostituiscono le loro espressioni, al posto di R27 e R14 e delle Veq si sostituiscono le espressioni e viene una formula che non finisce piu` Per usare proficuamente un simulatore, bisogna sapere molta più elettronica di lui
Plug it in - it works better!
Il 555 sta all'elettronica come Arduino all'informatica! (entrambi loro malgrado)
Se volete risposte rispondete a tutte le mie domande
Plug it in - it works better!
Il 555 sta all'elettronica come Arduino all'informatica! (entrambi loro malgrado)
Se volete risposte rispondete a tutte le mie domande
0
voti
mmmm.. non credo che il prof l'abbia risolto in questo modo.... vi terrò informati comunque! 

0
voti
Se poi non vedono l'op.amp come ideale? direi di aspettare un suo cenno e magari aiutarla con degli schemi...
EDIT: appunto
1
voti
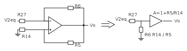
Io userei un doppio-Millman per uguagliare Vx a Vy
e per scrivere quindi

e quindi


e per scrivere quindi

e quindi


"Il circuito ha sempre ragione" (Luigi Malesani)
1
voti
Scusa
IsidoroKZ se ti scippo uno schema!
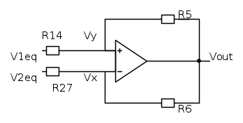
Partendo da qui:
e applicando la sovrapposizione degli effetti il circuito si divide in due, questo è il primo:
dove si nota la presenza di un NIC.
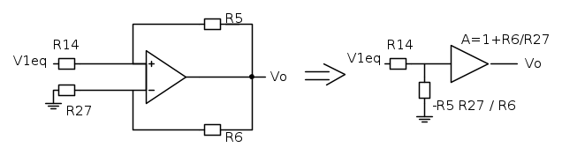
Ricordo che per un NIC generico la resistenza di ingresso offerta vale (risultato noto da elettrotecnica):

dove le varie resistenze sono riferite allo schema:
Mentre, ovviamente la tensione di uscita dell'operazionale sarà
Il circuito è quindi equivalente a:
per cui si ha che:

La seconda parte della sovrapposizione degli effetti è pari a :
Per cui si ha che:

Da cui si ha la soluzione:

Partendo da qui:
e applicando la sovrapposizione degli effetti il circuito si divide in due, questo è il primo:
dove si nota la presenza di un NIC.
Ricordo che per un NIC generico la resistenza di ingresso offerta vale (risultato noto da elettrotecnica):

dove le varie resistenze sono riferite allo schema:
Mentre, ovviamente la tensione di uscita dell'operazionale sarà

Il circuito è quindi equivalente a:
per cui si ha che:

La seconda parte della sovrapposizione degli effetti è pari a :
Per cui si ha che:

Da cui si ha la soluzione:

-

PietroBaima
90,7k 7 12 13 - G.Master EY

- Messaggi: 12207
- Iscritto il: 12 ago 2012, 1:20
- Località: Londra
38 messaggi
• Pagina 2 di 4 • 1, 2, 3, 4
Chi c’è in linea
Visitano il forum: Nessuno e 85 ospiti

Elettrotecnica e non solo (admin)
Un gatto tra gli elettroni (IsidoroKZ)
Esperienza e simulazioni (g.schgor)
Moleskine di un idraulico (RenzoDF)
Il Blog di ElectroYou (webmaster)
Idee microcontrollate (TardoFreak)
PICcoli grandi PICMicro (Paolino)
Il blog elettrico di carloc (carloc)
DirtEYblooog (dirtydeeds)
Di tutto... un po' (jordan20)
AK47 (lillo)
Esperienze elettroniche (marco438)
Telecomunicazioni musicali (clavicordo)
Automazione ed Elettronica (gustavo)
Direttive per la sicurezza (ErnestoCappelletti)
EYnfo dall'Alaska (mir)
Apriamo il quadro! (attilio)
H7-25 (asdf)
Passione Elettrica (massimob)
Elettroni a spasso (guidob)
Bloguerra (guerra)










pigreco]=π