Quando hai finito di disegnare, il circuito che ti interessa, devi semplicemente evidenziarlo poi clicchi:
CTRL-C
ti porti sul post che stai scrivendo, clicchi su fcd ( barra strumenti ) poni il cursore trai due fcd e clicchi
CTRL-V.
In questo modo hai traslato il codice del disegno all' iterno dei TAG fcd.
Ed il gioco è fatto!
Cliccando su anteprima, hai la possibilità di verificare se tutta l' operazione è andata a buon fine.
oscillatore
Moderatori:
carloc,
g.schgor,
BrunoValente,
IsidoroKZ
29 messaggi
• Pagina 2 di 3 • 1, 2, 3
0
voti
[13] Re: oscillatore
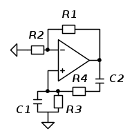
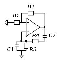
Ciao raga....qualcuno puo' aiutarmi con la funzione di trasferimento di qs circuito..
il primo blocco VA ok ci sono,sovrapp. degli effetti - non invertente 1+R2/R1...l'altro dove ci sono C2,R4,R3,C1, non è un partitore di tensione ...come vado avanti?
il primo blocco VA ok ci sono,sovrapp. degli effetti - non invertente 1+R2/R1...l'altro dove ci sono C2,R4,R3,C1, non è un partitore di tensione ...come vado avanti?
0
voti
[14] Re: oscillatore
Come in [7], dire che versione hai installato. Oppure, meglio ancora, scaricare l'ultima versione. Alla voce help della barra di inizio pagina, c'è tutto. Qui il link diretto!
-

Candy
32,5k 7 10 13 - CRU - Account cancellato su Richiesta utente
- Messaggi: 10123
- Iscritto il: 14 giu 2010, 22:54
0
voti
[18] Re: oscillatore
Quello postato assomiglia a un oscillatore a ponte di Wien.
Sarà mica questo il circuito?
Sarà mica questo il circuito?
0
voti
[19] Re: oscillatore
Concordo con quello che ha scritto
PS: ho visto solo ora la condizione C1=C2 e R3=R4, che è la classica condizione che si pone nell'oscillatore a ponte di Wien. E questo aumenta un po' i dubbi
Ultima modifica di
Pioz il 26 apr 2013, 19:14, modificato 1 volta in totale.
29 messaggi
• Pagina 2 di 3 • 1, 2, 3
Chi c’è in linea
Visitano il forum: Nessuno e 125 ospiti

Elettrotecnica e non solo (admin)
Un gatto tra gli elettroni (IsidoroKZ)
Esperienza e simulazioni (g.schgor)
Moleskine di un idraulico (RenzoDF)
Il Blog di ElectroYou (webmaster)
Idee microcontrollate (TardoFreak)
PICcoli grandi PICMicro (Paolino)
Il blog elettrico di carloc (carloc)
DirtEYblooog (dirtydeeds)
Di tutto... un po' (jordan20)
AK47 (lillo)
Esperienze elettroniche (marco438)
Telecomunicazioni musicali (clavicordo)
Automazione ed Elettronica (gustavo)
Direttive per la sicurezza (ErnestoCappelletti)
EYnfo dall'Alaska (mir)
Apriamo il quadro! (attilio)
H7-25 (asdf)
Passione Elettrica (massimob)
Elettroni a spasso (guidob)
Bloguerra (guerra)










